Introduction
The XSI series comprises two types of bearing: the crossed roller slewing bearing and the four-point contact ball turntable bearing. Both bearings feature an inner gear and can be installed with a seal, an oil cup, and a small-range adjustable clearance torque. They are designed to meet the accuracy requirements of various working conditions.
The XSI series crossed roller slewing turntable bearing is capable of bearing large radial loads, axial loads, overturning moments and other comprehensive loads. It combines multiple functions such as support, rotation, transmission and fixation. The compact structure, simple installation and convenient maintenance make it ideal for use in heavy and low-speed situations, such as lifting machinery, excavators, turntables, wind turbines, astronomical telescopes, tank turrets and other devices. It is a highly versatile product that is widely used.
Features of Turntable Bearings
1. Integrated Internal Gear: The gear teeth are machined directly onto the inner ring (or in some designs, the outer ring), allowing direct engagement with a pinion or motor for controlled rotation without needing additional gearing components.
2. Crossed Roller Arrangement: Rollers are positioned at a 90-degree angle to one another in a crisscrossed pattern, supporting complex loads, including axial, radial, and tilting moments.
3. Compact and Space-Efficient: By integrating the gear into the bearing’s inner ring, this design eliminates the need for separate gearing, saving space and simplifying the system.
4. High Load and Moment Handling: The crossed roller configuration allows the bearing to handle heavy loads with high rigidity, making it suitable for demanding applications.
5. Enhanced Precision: Crossed roller slewing bearings have minimal internal clearance, providing stable, high-precision rotation essential for applications that require accurate positioning.
How to Select a Turntable Bearing
1. Load Requirements: Determine the type (axial, radial, moment) and magnitude of the load.
2. Precision: Higher precision bearings may be required for robotics or medical equipment.
3. Environmental Factors: Consider dust, moisture, and temperature, as these can impact bearing performance.
4. Mounting Design: Some applications may benefit from flange-mounted designs for ease of installation.
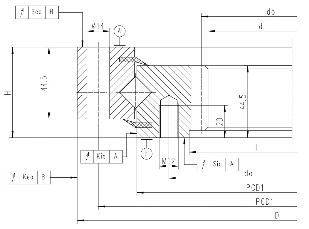
Specifications
| Model | Main Dimensions | Rotation Accuracy | Installation Dimension | Basic Rated Load | Clearance | ||||||||||||||
| D | d | H | do | M | Z | P5 | Outer Ring | Inner Ring | Axial | Radial | |||||||||
| Kea | Kia | Sea | Sia | Pitch Center Distance | Mounting Hole | Pitch Center Distance | Mounting Hole | Dynamic | Static | Dynamic | Static | ||||||||
| XSI140414 | 484 | 325 | 56 | 335 | 5 | 67 | 0.06 | 0.06 | 0.04 | 0.04 | 460 | 24-φ14 | 375 | 24-M12 with 20 depth | 229 | 520 | 146 | 250 | 0.01~0.03 |
| XSI140544 | 614 | 444 | 56 | 456 | 6 | 76 | 0.07 | 0.06 | 0.04 | 0.04 | 590 | 32-φ14 | 505 | 32-M12 with 20 depth | 270 | 680 | 170 | 330 | 0.01~0.03 |
| XSI140644 | 714 | 546 | 56 | 558 | 6 | 93 | 0.08 | 0.07 | 0.05 | 0.05 | 690 | 36-φ14 | 605 | 36-M12 with 20 depth | 290 | 800 | 185 | 395 | 0.01~0.04 |
| XSI140744 | 914 | 325 | 56 | 660 | 6 | 110 | 0.08 | 0.08 | 0.05 | 0.05 | 790 | 40-φ14 | 705 | 40-M12 with 20 depth | 315 | 930 | 200 | 455 | 0.01~0.04 |
| XSI140844 | 914 | 444 | 56 | 752 | 8 | 94 | 0.09 | 0.08 | 0.05 | 0.05 | 890 | 40-φ14 | 805 | 40-M12 with 20 depth | 340 | 1050 | 215 | 510 | 0.01~0.04 |
| XSI140944 | 1014 | 546 | 56 | 856 | 8 | 107 | 0.09 | 0.09 | 0.06 | 0.06 | 990 | 44-φ14 | 905 | 44-M12 with 20 depth | 360 | 1170 | 227 | 580 | 0.01~0.05 |
| XSI141094 | 1164 | 325 | 56 | 1000 | 8 | 125 | 0.11 | 0.11 | 0.07 | 0.07 | 1091 | 48-φ14 | 1055 | 48-M12 with 20 depth | 390 | 1360 | 246 | 670 | 0.01~0.05 |
Drawing

Application
![]() | ![]() | ![]() | ![]() |
| Industrial Automation | Medical Equipment | Aerospace | Precision Equipment |