Introduction
The VSI series four-point contact ball slewing bearing with internal gear teeth is designed for installation with a seal, equipped with an oil cup, and can be adjusted to a small range of clearance torque. This bearing is suitable for a variety of working conditions and can meet the required accuracy.
The VSI series turntable bearing is capable of bearing large radial loads, axial loads, overturning moments and other comprehensive loads. It combines multiple functions, including support, rotation, transmission and fixation. The compact structure, simple installation and convenient maintenance make it ideal for heavy and low-speed applications, such as lifting machinery, excavators, turntables, wind turbines, astronomical telescopes, tank turrets and other devices. It is a highly versatile bearing that is widely used in a variety of industries.
Features of Turntable Bearings
1. High Load Capacity: Turntable bearings can support substantial radial, axial, and tilting moment loads.
2. Smooth Rotation: They are designed to allow smooth, continuous rotation even under heavy load.
3. Precision: Some bearings are designed with high precision for applications where accurate positioning is critical, like in machinery or robotics.
How to Select a Turntable Bearing
1. Load Requirements: Determine the type (axial, radial, moment) and magnitude of the load.
2. Precision: Higher precision bearings may be required for robotics or medical equipment.
3. Environmental Factors: Consider dust, moisture, and temperature, as these can impact bearing performance.
4. Mounting Design: Some applications may benefit from flange-mounted designs for ease of installation.
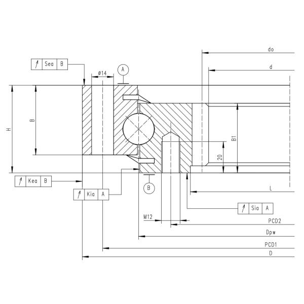
Specifications
| Model | Main Dimensions | Installation Dimension | Basic Rated Load | Clearance | ||||||||||||||
| D | d | B | B1 | H | do | M | Z | Outer Ring | Inner Ring | Axial | Radial | |||||||
| Pitch Center Distance | Mounting Hole | Pitch Center Distance | Mounting Hole | Dynamic | Static | Dynamic | Static | Radial | Axial | |||||||||
| VSI200414 | 486 | 325 | 44.5 | 44.5 | 56 | 335 | 5 | 67 | 460 | 24-φ14 | 375 | 24-M12 with 20 depth | 169 | 560 | 111 | 248 | 0~0.05 | 0~0.08 |
| VSI200544 | 616 | 444 | 44.5 | 44.5 | 56 | 456 | 6 | 76 | 590 | 32-φ14 | 505 | 32-M12 with 20 depth | 188 | 740 | 123 | 325 | 0~0.05 | 0~0.08 |
| VSI200644 | 716 | 546 | 44.5 | 44.5 | 56 | 558 | 6 | 93 | 690 | 36-φ14 | 605 | 36-M12 with 20 depth | 200 | 880 | 131 | 385 | 0~0.05 | 0~0.08 |
| VSI200744 | 816 | 648 | 44.5 | 44.5 | 56 | 660 | 6 | 110 | 790 | 40-φ14 | 705 | 40-M12 with 20 depth | 211 | 1010 | 138 | 445 | 0~0.05 | 0~0.08 |
| VSI200844 | 916 | 736 | 44.5 | 44.5 | 56 | 752 | 8 | 94 | 890 | 40-φ14 | 805 | 40-M12 with 20 depth | 222 | 1150 | 145 | 510 | 0~0.05 | 0~0.08 |
| VSI200944 | 1016 | 840 | 44.5 | 44.5 | 56 | 856 | 8 | 107 | 990 | 44-φ14 | 905 | 44-M12 with 20 depth | 231 | 1280 | 151 | 570 | 0~0.05 | 0~0.08 |
| VSI201094 | 1166 | 984 | 44.5 | 44.5 | 56 | 1000 | 8 | 125 | 1091 | 48-φ14 | 1055 | 48-M12 with 20 depth | 244 | 1490 | 160 | 660 | 0~0.05 | 0~0.08 |
Drawing

Application
![]() | ![]() | ![]() | ![]() |
| Industrial Automation | Medical Equipment | Aerospace | Precision Equipment |