What is a DC cooling fan?
DC fans also known as DC Brushless Fans are basically cooling fans engineered to meet requirements such as higher air flows at high static pressures. RENGANG manufactures Brushless DC fans in varied sizes ranging from 60 mm to 280 mm. These fans are available in the plastic blade as well as the metal blade.
What are axial fans used for?
In general, an axial-flow fan is suitable for a larger flow rate with a relatively small pressure gain and a centrifugal fan for a comparatively smaller flow rate and a large pressure rise. They are used to supply fresh air, suck air from return air trenches, suck air from rotary filters, exhaust air out, etc.
DC Axial Cooling Fan RGD3510
Energy Saving Noise Reduction Soft Wind Long Lasting
Basic Parameters:
| Model No. | Bearing | Voltage | Current | Rated input power | Airflow | Air pressure | Noise | Speed | |||||
| (V) | (A) | (W) | (CFM) | (m3/min) | (mm-H2O) | (inch-H2O) | (dBA) | (RPM) | |||||
| RGD3510D5B(S) | Ball/Sleeve | 5 | 0.16 | 0.81 | 6.39 | 0.18 | 6.77 | 0.27 | 41 | 12000 | |||
| RGD3510H5B(S) | 0.14 | 0.71 | 6.06 | 0.17 | 6.11 | 0.24 | 40 | 11000 | |||||
| RGD3510M5B(S) | 0.13 | 0.65 | 5.32 | 0.15 | 5.12 | 0.20 | 37 | 10000 | |||||
| RGD3510L5B(S) | 0.12 | 0.61 | 5.00 | 0.14 | 4.31 | 0.17 | 34 | 9000 | |||||
| RGD3510D12B(S) | 12 | 0.08 | 0.96 | 6.77 | 0.18 | 6.77 | 0.27 | 41 | 12000 | ||||
| RGD3510H12B(S) | 0.07 | 0.84 | 6.11 | 0.17 | 6.11 | 0.24 | 40 | 11000 | |||||
| RGD3510M12B(S) | 0.06 | 0.72 | 5.12 | 0.15 | 5.12 | 0.20 | 37 | 10000 | |||||
| RGD3510L12B(S) | 0.05 | 0.61 | 4.31 | 0.14 | 4.31 | 0.17 | 34 | 9000 | |||||
The different customer requirements and different raw materials will lead to different data.
The provider data are used for reference only. For future information, please contact us.
Applicable: Humidifier, Air Cleaner, Laptop, etc
Customized Support: OEM, ODM.
After-sales Service Provided: Free Spare Parts
Operating temperature: -10℃~60℃
Storage temperature: -20℃~70℃
Warranty: 1 Year
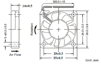
Drawing:


Performance Curve:

Schematic diagram of the cooling fan assembly:

Payment:
1.Trade Assurance: In the first order, we suggest you use Trade Assurance.
2.T/T: If stocks,100% payment before shipping; if customized order, 30% deposit before production and balance 70% should be paid before delivery.
3.Western Union, Money Gram, Paypal, all available.
4.L/C: For large orders.

Shipping:
1.ln general, we use international express, DHL, UPS,FedEx,EMS,TNT, etc.Large order: by air or sea, you should choose it.
2. if you have your own forwarder, please tell us the detailed information.

Are you a manufacturer or trading company?
We are a factory with more than 10 years' experience in the cooling fan industry.
Yes, samples can be supplied for test before order, the shipping cost would be on the Buyer's account.
Of course. Our experienced R&D team with act out the best solution basing on the specified requirement given.
Please refer to the following and send us the details:
1) fan size:
2) bearing type:
3) fan speed:
4) working voltage:
5) current:
6) airflow:
7) noise level:
8) Connectory:
9) Wire length:
10) waterproof or non-waterproof: