What is a DC blower?
Blowers rotate fans to cool the inside of office automation (OA) equipment by directing heat outside.
These motors are used for such applications as the OA equipment in which a stronger airflow is required for cooling than the normal type of fan motors.
What is a blower used for?
Blowers are equipment or devices which increase the velocity of air or gas when passed through equipped impellers. They are mainly used for the flow of air/gas required for exhausting, aspirating, cooling, ventilating, conveying, etc.
The blower is also commonly known as Centrifugal Fans in the industry.
Overview
DC Blower Fan RGB9733
Energy Saving, Start Fast, Noise Reduction, Soft Wind, Long Lasting
Basic Parameter:
| Model No. | Bearing | Voltage | Current | Rated Input Power | Air Flow | Air Pressure | Noise | Speed | |||
| (V) | (A) | (W) | (CFM) | (m3-min) | (mm-H2O) | (inch-H2O) | (dBA) | (RPM) | |||
| RGB9733D12B(S) | Ball/Sleeve | 12 | 0.80 | 9.60 | 26.33 | 0.73 | 10.88 | 0.43 | 52 | 3200 | |
| RGB9733H12B(S) | 0.55 | 6.60 | 22.50 | 0.63 | 9.28 | 0.36 | 47 | 2800 | |||
| RGB9733M12B(S) | 0.45 | 5.40 | 18.35 | 0.51 | 7.75 | 0.30 | 41 | 2400 | |||
| RGB9733L12B(S) | 0.35 | 4.20 | 15.05 | 0.42 | 6.23 | 0.24 | 35 | 2000 | |||
| RGB9733D24B(S) | 24 | 0.55 | 13.20 | 26.33 | 0.73 | 10.88 | 0.43 | 52 | 3200 | ||
| RGB9733H24B(S) | 0.40 | 9.60 | 22.50 | 0.63 | 9.28 | 0.36 | 47 | 2800 | |||
| RGB9733M24B(S) | 0.35 | 8.40 | 18.35 | 0.51 | 7.75 | 0.30 | 41 | 2400 | |||
| RGB9733L24B(S) | 0.25 | 6.00 | 15.05 | 0.42 | 6.23 | 0.24 | 35 | 2000 | |||
All designs and specifications are for reference only and are subject to change without prior notice.
The different customer requirements and different raw materials will lead to different data.
The provider data are used for reference only. For future information, please contact us.
| Product Name: | DC Blower, DC Centrifugal Blower Fan |
| Brand Name: | SURMOUNT |
| Warranty: | 1 Year |
| Place of Origin: | Shenzhen, China |
| Motor: | DC Brushless Motor |
| Life Time: | 50000 Hours |
| Customized Support: | OEM, ODM. |
| After-sales Service Provided: | Free Spare Parts |
| Storage Temperature: | -20℃~80℃ |
| Operating Temperature: | -10℃~70℃ |
| Insulation Resistance: | Above 10M Between Lead Wire And Frame DC 500V |
Services
| 1 | 100 % testing before the fan leaves our factory |
| 2 | Good after services to every customer |
| 3 | We often give a one-year warranty on the quality of products and will give your refund if any quality problems occur when you receive our items. |
Customized
1. Rated voltage: 3v 3.3v 5v 9v 12v 18v 24v 48v dc fan / 100VAC - 125VAC / 220V - 240VAC / 380VAC fan
2. Airflow, air pressure, speed, and rated voltage can be customized as customer's requirement
3. Private Labelling: All axial fans can be Privately labeled.
4. 2 wires, 3 or 4 wires (PWM / FG / RD function ) can be made if needed.
5. Sleeve bearing: 30000hours @ 25°C temperature
Hypro bearing : 30000hours @ 40°C temperature
NMB Ball bearing:50000hours @ 40°C temperature
DC FAN is powered by 3.3v 5v 12v 18v 24v 48v,AC FAN powered by 110v 125v 220v 240v 380v,
For more information, please check the below lists to find what you need, feel free to e-mail me.
Applicable: Household Appliance, Office Equipment, Laptop, Production Equipment, etc

Wire Selection
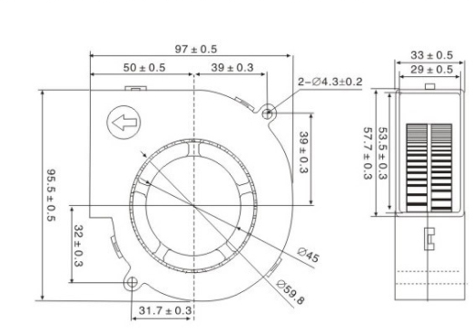
Drawing:

Characteristic Curve:

How to choose a suitable fan for your products?
Size: L x W x Thickness(We can produce 20mm to 250mm cooling fan)
Voltage: DC(3V, 5V, 7V, 9V, 12V, 18V, 24V, 48V...)
AC(100-125v, 220-240v, 380v)
Bearing Type: Sleeve Bearing( 30,000 hours in 25℃ operation temperature with 1-year warranty)
Cycleseal Bearing(40,000 hours in 40℃ operation temperature with 1-year warranty)
Dual Ball Bearing( 50,000 hours in 40℃ operation temperature with 2 years warranty)
Parameter: Speed(RPM), Air Flow(CFM), Noise(dBA),
Power Joint: Terminal, Lead Wire(+, -, Tachometer Sensor, Lock Alarm, Speed Control )
Dustproof & Waterproof: IP xx(IP 68 is the highest level)
Payment:
1.Trade Assurance: In the first order, we suggest you use Trade Assurance.
2.T/T: If stocks,100% payment before shipping; if customized order, 30% deposit before production and balance 70% should be paid before delivery.
3.Western Union, Money Gram, Paypal, all available.
4.L/C: for large order.

Shipping:
1.ln general, we use international express, DHL, UPS,FedEx,EMS,TNT, etc.Large order: by air or sea, you should choose it.
2. if you have your own forwarder, please tell us the detailed information.
