What is a DC blower?
Blowers rotate fans to cool the inside of office automation (OA) equipment by directing heat outside.
These motors are used for such applications as the OA equipment in which a stronger airflow is required for cooling than the normal type of fan motors.
What is a blower used for?
Blowers are equipment or devices which increase the velocity of air or gas when passed through equipped impellers. They are mainly used for the flow of air/gas required for exhausting, aspirating, cooling, ventilating, conveying, etc.
The blower is also commonly known as Centrifugal Fans in the industry.
Overview
Basic Parameter:
| Model No. | Rated Voltage | Operating Voltage Range | PWM Duty | Rated Current | Rated Input | Rated Speed | Max. Airflow | Max. Static Pressure | SPL | Operating Temperture | Expected Life | ||
| [V] | [V] | cycle*[%] | [A] | [W] | [min¯¹] | [m³/min] | [CFM] | [Pa] | [inch H₂O] | [dB(A)] | [°C] | [h] | |
| RGB9733H12B | 12 | 10.8 to 13.2 | 100 | 6.2 | 74.4 | 8200 | 1.85 | 65.3 | 1950 | 7.83 | 69 | -20 to +70 | 40000/60°C (70000/40°C) |
| 100 | 3.4 | 40.8 | 6850 | 1.61 | 56.8 | 1280 | 5.14 | 66 | |||||
| RGB9733H24B | 24 | 21.6 to 26.4 | 100 | 3.1 | 74.4 | 8200 | 1.85 | 65.3 | 1950 | 7.83 | 69 | ||
| 100 | 1.62 | 38.8 | 2800 | 1.61 | 56.8 | 1280 | 5.14 | 66 | |||||
All designs and specifications are for reference only and are subject to change without prior notice.
The different customer requirements and different raw materials will lead to different data.
The provider data are used for reference only. For future information, please contact us.
Services
| 1 | 100 % testing before the fan leaves our factory |
| 2 | Good after services to every customer |
| 3 | We often give a one-year warranty on the quality of products and will give your refund if any quality problems occur when you receive our items. |
Optional Function
1. Waterproof Level: IPX5~IP68, fans could be working in a wet environment, outdoor, or underwater with waterproof protection.
2. Wire leading: 2 wires(red wire:positive;black wire:negative)
3 wires(red :positive;black :negative;yellow: PWM)
4 wires(red :positive;black :negative;Yellow :PWM;white:FG)
3. Additional function: auto-restart, temperature control speed, speed detection, stoppage alarm, waterproof, etc.
4. We default 220mm wire length without connector, which could be customized as your request. we just need the picture of the connector and rank of wires to confirm.
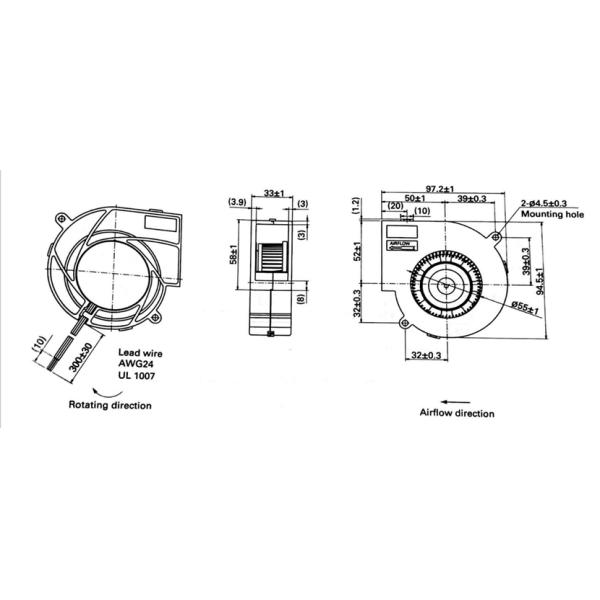
Drawing:

How to choose a suitable fan for your products?
Size: L x W x Thickness
Voltage: AC 100-125v, 220-240v
Bearing Type: Ball Bearing (50,000 hours in 40℃ operation temperature with 2 years warranty)
Parameter: Speed (RPM), Air Flow(CFM), Noise(dBA),
Power Joint: Terminal, Lead Wire (+, -, Tachometer Sensor, Lock Alarm, Speed Control )
Dustproof & Waterproof: IP xx(IP 68 is the highest level)
Payment:
1.Trade Assurance: In the first order, we suggest you use Trade Assurance.
2.T/T: If stocks,100% payment before shipping; if customized order, 30% deposit before production and balance 70% should be paid before delivery.
3.Western Union, Money Gram, Paypal, all available.
4.L/C: for large order.

Shipping:
1.ln general, we use international express, DHL, UPS,FedEx,EMS,TNT, etc.Large order: by air or sea, you should choose it.
2. if you have your own forwarder, please tell us the detailed information.

1. Are you a manufacturer or a trading company?
2. What kinds of products are supplied by your factory?
3. What are the kinds of information provided by the customer before inquiry?
4. What can I do if we can not find a suitable fan model on the fan list?
5. Can I have samples for testing before ordering products?
6. Can we put our company logo on the label?