Description and application of NSK 32028 bearing 28*52*16mm Taper roller bearing HR 320/28 XJ
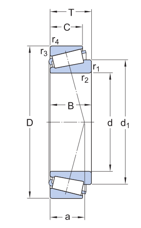
NSK 32028 bearing 28*52*16mm Taper roller bearing HR 320/28 XJ included cup and cone there two parts. Cup is outer ring, Cone comprises rollers, cage, inner ring. And the inner ring with the rollers and cage can be fitted separately from the outer ring.
NSK 32028 bearing 28*52*16mm Taper roller bearing HR 320/28 XJ is generally used to support combined load mainly consisting of radial load. The carrying capacity of axial load depends on the contact angle of the raceway of outer rings. The bigger the contact angle is, the stronger the capacity will be.
NSK 32028 bearing 28*52*16mm Taper roller bearing HR 320/28 XJ is suitable for automobiles, truck, rolling mill, mining machinery, construction machine, agriculture machine, metallurgy, and plastic machines.
| d | 28 mm | Bore diameter |
|---|---|---|
| D | 52 mm | Outside diameter |
| T | 16 mm | Total bearing width |
| d1 | ≈41.3 mm | Inner ring shoulder diameter |
| B | 16 mm | Width inner ring |
| C | 12 mm | Width outer ring |
| r1,2 | min.1 mm | Corner radius inner ring |
| r3,4 | min.1 mm | Corner radius outer ring |
| a | 12.414 mm | Distance pressure point |
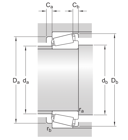
| da | max.34 mm | Abutment diameter shaft |
|---|---|---|
| db | min.35 mm | Abutment diameter shaft |
| Da | min.45 mm | Abutment diameter housing |
| Da | max.46 mm | Abutment diameter housing |
| Db | min.49 mm | Abutment diameter housing |
| Ca | min.3 mm | Abutment housing - axial space at the large side face/ both sides of the outer ring |
| Cb | min.4 mm | Abutment housing - axial space at the small side face/ both sides of the outer ring |
| ra | max.1 mm | Fillet radius |
| rb | max.1 mm | Fillet radius |
| Basic dynamic load rating | C | 39 kN |
|---|---|---|
| Basic static load rating | C0 | 38 kN |
| Fatigue load limit | Pu | 4 kN |
| Reference speed | 10 000 r/min | |
| Limiting speed | 13 000 r/min | |
| Calculation factor | e | 0.43 |
| Calculation factor | Y | 1.4 |
| Calculation factor | Y0 | 0.8 |
| Mass bearing | 0.14 kg |




Packing , Payment , Delievry and Stock
| Packaging | |
| 1)Commercial Bearings packaging: 1pc/plastic bag + color box + carton + pallet | |
| 2)Industrial Bearings packaging | a)plastic tube + carton + pallet |
| b). plastic bag +kraft paper + carton + pallet | |
| 3)According to the requirement of customers' | |
| Payment | |
| 1) T/T:30% deposit, 70% should be paid before shipment. | |
| 2) L/C at sight. (high bank charge, not suggest, but acceptable ) | |
| 3) 100% Western Union in advance. (especially for air shipment or small amount) | |
| Delivery | |
| 1) Less than 45 KGS, we will send by express. ( Door to Door, Convenient ) | |
| 2) Between 45 - 200 KGS, we will send by air transport. ( Fastest and safest, but expensive ) | |
| 3) More than 200 KGS, we will send by sea. ( Cheapest, but long time ) | |
| Stock | |
| 1)Availability and supply capacity on a certain basis | |