AL1692S-13
Features
Tight Current Sense Tolerance: ±3%
Low Startup Current: 100µA Typical
Low Operation Current: 210µA (Switching Frequency at 4kHz)
Single Winding Inductor
Wide Range of Dimmer Compatibility
For Controller Power Can Drive up to 25W
For MOSFET Options: 600V/2A
NEMA SSL6 Dimming Curve Compliant
Internal Protections
Undervoltage Lockout (UVLO)
Leading-Edge Blanking (LEB)
Cycle-by-Cycle Overcurrent Protection (OCP)
Output Open/Short Protection (OVP/OSP)
Thermal Foldback Protection (TFP)
Overtemperature Protection (OTP)
SO-8 (Controller) and SO-7 (With MOSFET) Packages
Totally Lead-Free & Fully RoHS Compliant
Halogen and Antimony Free. “Green” Device
Applications
Mains dimmable LED lamps
Offline LED power supply drivers
Description
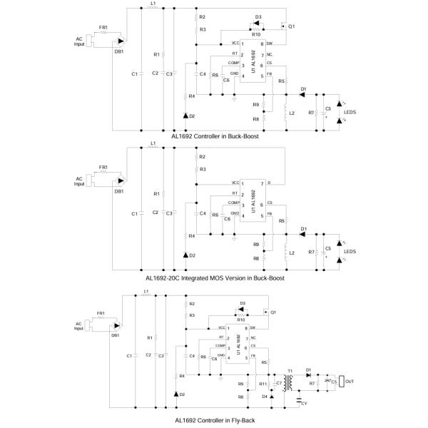
The DIODES™ AL1692 is a high performance, high power factor, high efficiency, and high current precision buck-boost and flyback dimmable LED controller/drivers for triac dimmable LED lamp applications. The AL1692 topology provides an accurate output current over wide line and load regulation. The wide switching frequency operates at boundary conduction mode (BCM) to ease EMI/EMC design and testing, to meet the latest regulatory standards.
The AL1692 controller with external MOSFET can support higher output power application, up to 25W. The AL1692-20C LED driver integrates with 600V/2A MOSFET. The AL1692 platform solutions can cover both 120Vac and 230Vac applications. The AL1692 has the built-in thermal fold-back protection trigger point to automatically reduce output current. Other protection features enhance LED lighting system's safety and reliability.
The AL1692 dimming curve is compliant with the NEMA SSL6 standard. The AL1692 applies to a wide range of dimmers, including leading edge and trailing edge dimmer, to achieve deep dimming down to 1%.
The AL1692 controller is available in SO-8 package. The AL1692-20C is available in SO-7 package.
INFORMATION
| Category | | |
| Manufacturer | Diodes Incorporated | |
| Series | - | |
| Packaging | Tape & Reel (TR) Cut Tape (CT) Digi-Reel® | |
| Part Status | Active | |
| Type | AC DC Offline Switcher | |
| Topology | Flyback, Step-Down (Buck), Step-Up (Boost) | |
| Internal Switch(s) | No | |
| Number of Outputs | 1 | |
| Voltage - Supply (Min) | 8.5V | |
| Voltage - Supply (Max) | 20V | |
| Voltage - Output | - | |
| Current - Output / Channel | - | |
| Frequency | 4kHz | |
| Dimming | Triac | |
| Applications | - | |
| Operating Temperature | -40°C ~ 105°C (TA) | |
| Mounting Type | Surface Mount | |
| Package / Case | 8-SOIC (0.154", 3.90mm Width) | |
| Supplier Device Package | 8-SO | |
| Base Product Number |
Drawing


Our advantage :
be sure to meet your need for all kinds of components. ^_^
Product List
Supply a Series of Electronic Components, full range of semiconductors, active & passive Components.We can help you to get all for bom of the PCB,IN a word, you can get one-stop solution here,
The offers including:
Integrated Circuit, Memory ICs, Diode, Transistor , Capacitor, Resistor, Varistor, Fuse, Trimmer & Potentiometer, Transformer, Battery, Cable, Relay, Switch, Connector, Terminal Block, Crystal & Oscillator, Inductor, Sensor, Transformer, IGBT Driver, LED,LCD, Convertor, PCB (Printed Circuit Board),PCBA (PCB Assembly)
Strong in Brand:
Microchip, MAX, AD, TI, ATMEL, ST, ON, NS, Intersil, Winbond, Vishay, ISSI, Infineon, NEC, FAIRCHILD, OMRON,YAGEO, TDK, etc