167Kva Single Phase Pole Mounted Transformer CSP Type Distribution Liquid Filled 100Hz 4160V To 480V FR3 DOE 2016 Standards
Single phase pole mounted transformers designed and produced by Zhibo are normally used for stepping utility distribution voltages(from 2400V to 34500V) down to lower utilization voltages. Although some are used for stepping down to commercial and industrial voltages such as 277V, 240/480V, 2400V and 4800V, most are used for stepping down to the single phase voltage of 120/240V.
Factory product photos


Main data
| Transformer Type | Overhead Distribution Transformer |
| Phase | Single Phase |
| Capacity | 167 KVA |
| Primary Voltage | 4160GrdY/2400 |
| Secondary Voltage | 240/480V (L-N-L) |
| Frequency | 100 Hz |
| Temperature Rise | 65°C |
| Cooling Class | KNAN; Self-Cooled |
| Efficiency Standard(s) | Meets DOE 2016 Standards, Meets ANSI/IEEE Standards |
| K-Factor Rating (Harmonic Mitigation) | K-1 (Standard) |
| Winding Material | Copper |
| Ambient Temperature Rating | 40°C |
| Efficiency | 99.10% |
| No Load Loss (in watts) | +/- 450W |
| Full Load Loss (in watts) | +/- 1,824W |
Product Structure

Standard Features
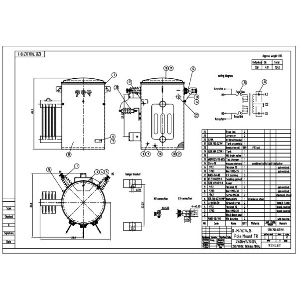
Drawing

Specifications
| 10kva-500kva Single-phase oil immersed transformer | ||||||
| Rated Cap acity(kVA) | High | Low Voltage(v) | Connection Symbol | Standard | Short-circuit impedance(%) | Efficiency |
| Voltage(v) | (%) | |||||
| 10 | 4160 7200 12000 12470 13200 13800 19920 24940 34500 | 110 220 230 400 480 | II0,II6 | IEEE/ANSI/ DOE | 1.8-4% | 98.7 |
| 15 | 98.82 | |||||
| 25 | 98.95 | |||||
| 37.5 | 99.05 | |||||
| 50 | 99.11 | |||||
| 75 | 99.19 | |||||
| 100 | 99.25 | |||||
| 167 | 99.33 | |||||
| 250 | 99.39 | |||||
| 333 | 99.43 | |||||
Production process



FAQ
1. Q: Can I have a sample order?
A: Yes, we welcome sample order to test and check quality.
2. Q: What is the lead time?
A: Mass production time 15-25 days.
3. Q: How long is the warranty?
A: 24 monthes from B/L. If there are any accessory problems,just provide the photos of damaged accessory,then we will provide free service. According to the number of products,we will provide easily damaged accessories for free. we also can provide technical support if you need.
4. Q: Is OEM/ODM available?
A: Yes,it is! We are manufacturer with our own R&D team, we can customize products according to customer's drawing or requirements.
Customized services:
a. Customized color and special function.
b. Customized box.
c. Print customer's logo.
d. Your other ideas about product, we can help you design and put them into production. The above customized services must be confirmed before production.
5. Q: How to control the products quality?
A: Our company owns the core technology ,all kinds of products hold CE certificate. We have professional engineers. Workers are strictly required to make products according to the drawings. Each process has technical instructors.The QC supervisors will regularly inspect the production. We will do products performance tests during production, and comprehensive quality tests when the products is completed.