Product Description:
♦ During processing and transportation, the wafer iron ring can prevent the wafer from sliding or being damaged, thereby protecting the integrity and quality of the wafer.
♦ Wafer iron rings typically have high flatness, which is crucial for precision control during wafer cutting and mounting processes.
♦ Wafer ferrules are used in many aspects of semiconductor manufacturing, and ferrules play an indispensable role from wafer cutting, polishing to packaging.
Feature:
| Suitable workmanship | wafer sticking, wafer grinding, wafer cutting and SMT etc |
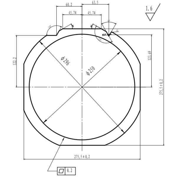
| Suitable for | 8" wafers |
| Material | SUS420J2 |
| Hardness | 50~55 HRC |
| Dimension | High dimensional precision ensures sticking effectiveness |
| Surface polishing | Matt, light and electroplate mirror face |
| Packing Note | Packing after cleaning and drying |

Appliaction:
♦ Lithography process:The stainless steel tension ring on the wafer can tightly fix the wafer on the stage of the lithography equipment, ensuring that the wafer maintains a stable position during the lithography process.
♦ Silicon wafer cutting:Used to fix silicon ingots or wafers, making the cutting process more stable and precise, reducing cutting losses, and improving the cutting quality and yield of silicon wafers.

Note:
• Regular inspection:Once scratches or wear are found on the surface, it may affect its contact and fixing effect with the wafer, and it needs to be treated or replaced in a timely manner.
• Installation :To ensure accurate docking and installation with wafer carrying equipment or related process equipment, and avoid problems such as unstable wafer fixation or positional deviation caused by improper installation.
• Disassembly: Be careful during disassembly to prevent damage to the tension ring or wafer due to improper force or other reasons.

Packing and Shipping:
Adopt moisture-proof, shock-proof and pressure-proof packing method.
Choose a regular international logistics company.