7.5kw 11kw 15kw Solar Pumping Inverter Work With Solar Panel And Water Pump
Key Features:
1. VEIKONG VFD500-PV special solar pump inverter automatically scrolls to display the frequency DC voltage and output current, frequency and output power after power on.
2. Output flow can be read.
3. Can support AC grid and DC solar power input together and auto change between DC and AC power, make your pump continues running 24 hours.
4. Support LCD display
5. Easy for operation and automatic start and stop, automatic mppt tracking, just like a foolish drive and one key start.
6. VFD500-PV solar pump inverter has real auto MPPT mode and dry run protection and solar weak warning.
So you only need to make connection well to motor pump and solar panel, if you want to achieve best efficiency and optimal feature please kindly refere to our quickly starting user manual.
Electrical Specifications
|
| 220V | 380V |
| Max input DC voltage | 450V | 810V |
| DC voltage range | 150~450VDC | 300~810VDC |
| Normal working DC voltage | 260V-400V | 400V-650V |
| Recommended input mppt voltage | 330V | 550V |
| MPPT efficiency | >99% | |
| Rated output voltage | 1/3-phase 220VAC | 3-phase 380-480VAC |
| Output frequency range | 50/60Hz | |
| Max efficiency of the machine | 99% | |
| Ambient temperature range | -10 °C~50 °C, derating if the temperature is above 40 °C | |
| Cooling method | Air cooling | |
| Protection degree | IP20/IP21 | |
| Altitude | Below 1000m; above 1% for every additional 100m. | |
| Standard | CE/ROHS | |
Solar Pump Inverter Model
| Drive model | Max DC input current (A) | Rated output current (A) | Applicable water pump (kW) |
| VFD500M-40T00150-PV | 6.1 | 3.7 | 1.5 |
| VFD500M-40T00220-PV | 7.1 | 5 | 2.2 |
| VFD500M-40T00400-PV | 16.5 | 9.4 | 4 |
| VFD500M-40T00550-PV | 23.9 | 13 | 5.5 |
| VFD500M-40T00750-PV | 30.6 | 17 | 7.5 |
| VFD500-40T00150-PV | 6.1 | 3.7 | 1.5 |
| VFD500-40T00220-PV | 7.1 | 5 | 2.2 |
| VFD500-40T00400-PV | 16.5 | 9.4 | 4 |
| VFD500-40T00550-PV | 23.9 | 13 | 5.5 |
| VFD500-40T00750-PV | 30.6 | 17 | 7.5 |
| VFD50040T01100-PV | 39.2 | 25 | 11 |
| VFD500-40T01500-PV | 49.0 | 32 | 15 |
| VFD500-40T01850-PV | 57 | 37 | 18.5 |
| VFD500-40T02200-PV | 69 | 45 | 22 |
| VFD500-40T03000-PV | 91 | 60 | 30 |
| VFD500-40T03700-PV | 114 | 75 | 37 |
| VFD500-40T04500-PV | 146 | 90 | 45 |
| VFD500-40T05500-PV | 190 | 112 | 55 |
| VFD500-40T07500-PV | 237 | 152 | 75 |
| VFD500-40T09000-PV | 273 | 176 | 90 |
| VFD500-40T11000-PV | 319 | 210 | 110 |
| VFD500-40T13200-PV | 389 | 253 | 132 |
| 220V single phase or three phase level | |||
| VFD500-20T00075-PV | 6.7 | 4.5 | 0.75 |
| VFD500-20T00150-PV | 9.9 | 7 | 1.5 |
| VFD500-20T00220-PV | 14.1 | 10.6 | 2.2 |
| VFD500-20T00400-PV | 22.6 | 17 | 4 |
| VFD500M-20T00150-PV | 9.9 | 7 | 1.5 |
| VFD500M-20T00220-PV | 14.1 | 10.6 | 2.2 |
Support GPRS

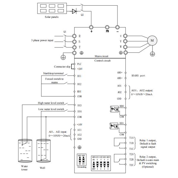
Wiring diagram



Frequency inverter is only accept AC input, it’s widely used in automated machines. But solar pump inverter not only accept AC input but also can connect with solar panel to accept DC input, it more save power, mainly used in solar pumping system.
2. What should be noticed when installing inverter?
Put the product in a place where is well ventilate, cool, dry and water-proof. Do not stress or put foreign objects into the inverter. Remember to turn on the inverter before turn on the appliance.
3. Do we need to set the parameter before using?
No need, our preset parameters can already meet your normal use.
And our inverter is AI intelligent working.
If you need to adjust the parameters yourself, you can do it in a few simple steps.