Digital Signal D Sensitive A3144 Hall Effect Sensor Switches Module For Automotive Industry High-Temperature Operation
Introduction
Hall effect sensor adopts a 3144 Hall switch integrated circuit, which is a magnetic sensitive circuit, which has the characteristics of small volume, high sensitivity, and response speed block.
The power indicator and the operating status indicator are integrated to provide a clear view of the sensor's operating status. When the sensor senses a magnetic field, the signal output bit outputs a low level, and the indicator light is turned on; when there is no magnetic field, the signal bit outputs a high level.
Technical Parameters
| Product name | 3144 Hall Effect Sensor Module |
| P/N | HY-040(D) |
| Power Requirements | +3.0V -5.5V |
| Signal Type | Digital signal |
| Interface | XH2.54*3 |
| Pin definition | S-Signal output,V-Power,G-Ground |
| Suitable for | Automotive and Industrial Applications |
| Operating temperature | -40°C to 85°C |
Sensing element--A3144 Hall effect Sensor Description
| A3144-Hall-effect-Sensor-Pinout | A3144-Hall-effect-Sensor-Picture |
![]() | ![]() |
Pin Configuration
| NO. | Pin Name | Description |
| 1 | +5V (Vcc) | Used to power the hall sensor, typically +5V is used |
| 2 | Ground | Connect to the ground of the circuit |
| 3 | Output | This pin goes high, if magnet detected. Output voltage is equal to Operating voltage. |
Hall-effect sensor Specifications
Digital Output Hall-effect sensor
Operating voltage: 4.5V to 28V (typically 5V)
Output Current: 25mA
Can be used to detect both the poles of a magnet
Output voltage is equal to operating voltage
Operating temperature: -40°C to 85°C
Turn on and Turn off time is 2uS each
Inbuilt reverse polarity protection
Suitable for Automotive and Industrial Applications
Alternative Digital Hall-effect Sensors:A3141, A3142, A3143, US1881, OH090U
Where to use hall-effect sensor ?
A hall-effect sensor as then name suggests works with the principle of hall-effect and is used to detect magnets. Each side of the sensor can detect one particular pole. It can also be easily interfaced with a microcontroller since it works on transistor logic.
So if you are looking for a sensor to detect magnet for measuring speed of a moving object or just to detect objects then this sensor might be the perfect choice for your project.
How to use Hall-effect sensor ?
There are two main types of hall-effect sensor, one which gives an analog output and the other which gives a digital output. A3144 is a digital output hall sensor, meaning if it detects a magnet the output will go low else the output will remain high. It is also mandatory to use a pull-up resistor as shown below to keep the output high when no magnet is detected.

In the above circuit diagram the resistor R1 (10K) is used as a pull-up resistor and the capacitor C1 (0.1uF) is used to filter any noise that might be coupled with the digital output.
Applications
Used to detect magnets(objects) in automation systems
Used in magnetic door alarm system
Measure speed in automobiles
Detect the pole of magnets in BLDC motors
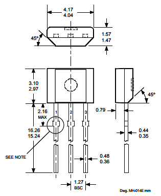
2D Model of A3144 (Through hole)
