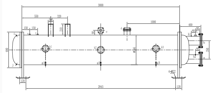
Tube Heat Exchanger Flooded Type
Evaporator for Water Chiller
We produce Tube Heat Exchanger Flooded Type Evaporator for Water Chiller is applicable to water units,
water source heat pump units, etc. Suitable refrigerants of R22, everything,, R407C, R410A, etc.
Apply load cold agent for tap water, underground water, river water and sea water or brine, water and
glycol solution, sulfate solution, etc.
For heat exchange tube, copper pipe, copper nickel alloy tube, aluminum brass tube, stainless steel tube,
etc. Shell using seamless steel pipe, stainless steel tube, etc.
1, Heat exchange tube: there are two main specifications.
(1) ∅ within 5/8 "efficient copper pipe outside screw wing, ∅ 5/8" stainless steel pipe.
(2) the ∅ 3/4 "inside outside screw wing efficient copper tube, ∅ 3/4" stainless steel pipe
Dry type spiral baffle plate evaporator, flooded evaporator, built-in oil separator condenser, sea water
condenser, stainless steel heat exchanger, oil cooler
The heat exchange tube uses copper pipe, nickel-copper alloy tubes, aluminum brass tube and stainless
steel tube as the material and the shell uses No.20 seamless steel tube and stainless steel tube.
Falling film type shell and tube heat exchanger water-cooled evaporator

Falling film type shell and tube heat exchanger water-cooled condenser


HEAT EXCHANGER
CAPACITY: 1000KW TO 4000KW
| Model | Capacity (KW) | Dimension (mm) | Weight (kg) | ||||||||
| D | T1 | T | A | C | E | F | H1 | H2 | |||
| QXSW60S10 | 1000 | 273 | 1600 | 2053 | 120 | 360 | 150 | 100 | 350 | 240 | 297 |
| QXSW70S12 | 1250 | 325 | 2032 | 2498 | 150 | 406 | 180 | 120 | 350 | 240 | 357 |
| QXSW80S12 | 1400 | 325 | 2032 | 2498 | 150 | 406 | 180 | 120 | 350 | 240 | 372 |
| QXSW90S12 | 1600 | 325 | 2032 | 2498 | 150 | 406 | 180 | 120 | 350 | 240 | 387 |
| QXSW100S12 | 1800 | 325 | 2032 | 2498 | 150 | 406 | 180 | 120 | 350 | 240 | 412 |
| QXSW120S14 | 2100 | 355 | 2032 | 2555 | 150 | 440 | 180 | 120 | 400 | 290 | 494 |
| QXSW140S14 | 2500 | 355 | 2500 | 3023 | 180 | 440 | 180 | 120 | 400 | 290 | 517 |
| QXSW180S16 | 3200 | 426 | 2500 | 2951 | 180 | 530 | 260 | 150 | 260 | 260 | 729 |
| QXSW220S16 | 4000 | 426 | 2500 | 2951 | 180 | 530 | 260 | 150 | 260 | 260 | 784 |
| Model | S1 | S2 | W | |||
| Specification | Connection type | Specification | Connection type | Specification | Connection type | |
| QXSW60S10 | DN100 | male flange | DN65 | male flange | DN80 | male flange |
| QXSW70S12 | DN100 | male flange | DN65 | male flange | DN80 | male flange |
| QXSW80S12 | DN125 | male flange | DN80 | male flange | DN100 | male flange |
| QXSW90S12 | DN125 | male flange | DN80 | male flange | DN100 | male flange |
| QXSW100S12 | DN125 | male flange | DN80 | male flange | DN100 | male flange |
| QXSW120S14 | DN125 | male flange | DN80 | male flange | DN100 | male flange |
| QXSW140S14 | DN125 | male flange | DN80 | male flange | DN100 | male flange |
| QXSW180S16 | DN150 | male flange | DN100 | male flange | DN125 | male flange |
| QXSW220S16 | DN150 | male flange | DN100 | male flange | DN125 | male flange |
HEAT EXCHANGER
CAPACITY: 500KW TO 3500KW
| Model | Capacity (KW) | Dimension (mm) | Weight (kg) | ||||||||
| D | T1 | T | A | C | E | F | H1 | H2 | |||
| QXWW35S10 | 500 | 273 | 1270 | 1723 | 120 | 360 | 150 | 100 | 350 | 240 | 200 |
| QXWW50S10 | 700 | 273 | 1600 | 2053 | 120 | 360 | 150 | 100 | 350 | 240 | 237 |
| QXWW70S12 | 1000 | 325 | 2032 | 2498 | 150 | 406 | 180 | 120 | 350 | 240 | 322 |
| QXWW100S12 | 1500 | 325 | 2032 | 2498 | 150 | 406 | 180 | 120 | 350 | 240 | 367 |
| QXWW140S14 | 2000 | 355 | 2500 | 3023 | 180 | 440 | 180 | 150 | 400 | 290 | 512 |
| QXWW170S16 | 2500 | 426 | 2500 | 2951 | 180 | 530 | 260 | 150 | 310 | 310 | 693 |
| QXWW200S16 | 3000 | 426 | 2500 | 2951 | 180 | 530 | 260 | 150 | 310 | 310 | 736 |
| QXWW240S16 | 3500 | 426 | 2500 | 2951 | 180 | 530 | 260 | 150 | 310 | 310 | 795 |
| Model | W1 | W2 | ||
| Specification | Connection type | Specification | Connection type | |
| QXWW35S10 | DN80 | male flange | DN80 | male flange |
| QXWW50S10 | DN80 | male flange | DN80 | male flange |
| QXWW70S12 | DN100 | male flange | DN100 | male flange |
| QXWW100S12 | DN100 | male flange | DN100 | male flange |
| QXWW140S14 | DN100 | male flange | DN100 | male flange |
| QXWW170S16 | DN125 | male flange | DN125 | male flange |
| QXWW200S16 | DN125 | male flange | DN125 | male flange |
| QXWW240S16 | DN125 | male flange | DN125 | male flange |
CONDENSER SERIES DOUBLE CIRCUIT
CAPACITY: 50RT TO 200RT
| Model | Refrig. ton (RT) | Refrig. ton (104kcal/h) | Dimension (mm) | Weight (kg) | Max. water flow | |||||||
| D | T1 | T | A | C | E | H1 | H2 | |||||
| QXC50D10A | 50 | 18.9 | 273 | 953 | 2364 | 90 | 360 | 150 | 350 | 240 | 265 | 38.5 |
| QXC60D10A | 60 | 22.68 | 273 | 953 | 2364 | 90 | 360 | 150 | 350 | 240 | 279 | 46 |
| QXC70D12A | 70 | 26.46 | 325 | 953 | 2377 | 90 | 406 | 180 | 350 | 240 | 359 | 53.5 |
| QXC80D12A | 80 | 30.24 | 325 | 953 | 2377 | 90 | 406 | 180 | 350 | 240 | 375 | 61 |
| QXC100D12A | 100 | 37.80 | 325 | 953 | 2377 | 90 | 406 | 180 | 350 | 240 | 409 | 76 |
| QXC120D12A | 120 | 45.36 | 325 | 1270 | 3011 | 120 | 406 | 180 | 350 | 240 | 481 | 91 |
| QXC140D14A | 140 | 52.92 | 355 | 1270 | 3018 | 120 | 440 | 200 | 350 | 240 | 553 | 106 |
| QXC160D16A | 160 | 60.48 | 426 | 1600 | 3656 | 120 | 510 | 260 | 310 | 310 | 723 | 120.6 |
| QXC200D16A | 200 | 75.60 | 426 | 1600 | 3656 | 120 | 510 | 260 | 310 | 310 | 777 | 150.8 |
| Model | S (Vent) | P (fluoride inlet) Copper pipe diameter (inch) | L(fluoride outlet) Copper pipe diameter (inch) | W (standard port) |
| FPT(inner pipe thread) | Male flange | |||
| QXC50D10A | 3/8 | 1-3/8 | 7/8 | DN65 |
| QXC60D10A | 3/8 | 1-5/8 | 1-1/8 | DN65 |
| QXC70D12A | 3/8 | 1-5/8 | 1-1/8 | DN80 |
| QXC80D12A | 3/8 | 1-5/8 | 1-1/8 | DN80 |
| QXC100D12A | 3/8 | 2-1/8 | 1-3/8 | DN100 |
| QXC120D12A | 3/8 | 2-1/8 | 1-3/8 | DN100 |
| QXC140D14A | 3/8 | 2-1/8 | 1-3/8 | DN100 |
| QXC160D16A | 3/8 | 2-5/8 | 1-3/8 | DN125 |
| QXC200D16A | 3/8 | 2-5/8 | 1-5/8 | DN125 |

COOPERATED CLENTS
