The Dynamic Weigh-in-Motion (WIM) Axle Weighbridge provides fast and accurate axle and total weight measurement for vehicles from light vans to heavy trucks. Suitable for static or in-motion weighing, it supports up to 30 tons per axle and ensures reliable performance for highway, logistics, and industrial applications.
Main Features:
| —— TECHNIQUE SPECIFICATION—— SMARTWEIGH INSTRUMENT CO., LTD. |
| VIM System Specification | |
| Product Name | High Capacity 30 Tons Weigh In Motion System Dynamic Truck Scale Weighbridge For Overload Detection |
| Model | SCS-WIM-3x0.9M |
| Graduation | Dynamic:1/1000;Static: 1/3000 |
| Load cells(Share beams type) | Keli SB-10 Ton four pieces, IP65 |
| Indicator | Avery tronix ZM510,IP65 |
| Signal cable | 40m |
| Safe Overload | 100% F.S |
| Surface Finish | Epoxy Zinc Paint |
| Display | Green LCD Backlight |
| Gross Weight | About 2.5 tons |
| Package | Wooden pallet with carton box |
| Warranty | 3 years |
| Calibration | Pre-calibration before shipping |
| Basic Functions | Axle weight, axle type, vehicle weight, number of vehicles, date and time, etc. |
| Type | Sutomation Truck Scale |
| —— ACCESSORIES —— SMARTWEIGH INSTRUMENT CO., LTD. |

| —— MANUFACTURING PROCESS —— SMARTWEIGH INSTRUMENT CO., LTD. |

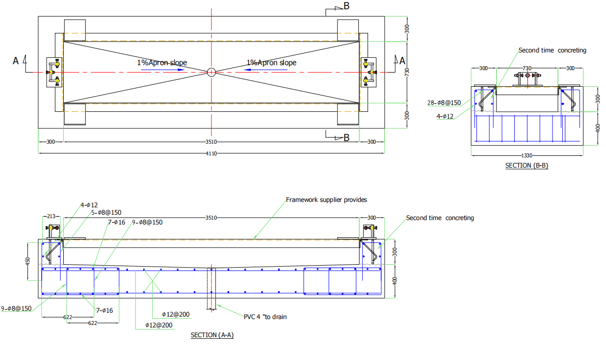
| —— PRODUCT SIZE —— SMARTWEIGH INSTRUMENT CO., LTD. |


| —— APPLICATION SHOWCASE —— SMARTWEIGH INSTRUMENT CO., LTD. |
Also used by transportation authorities for vehicle weight monitoring on fixed routes, or by logistics and industrial enterprises for self-check vehicle load measurement.
| —— PACKAGEING AND DELIVERY —— SMARTWEIGH INSTRUMENT CO., LTD. |

Delivery: We support professional packaging and worldwide delivery, including leading international carriers like DHL, FedEx, and UPS.