
| TECHNICAL DATA (TRT-CC***) | 200L |
|
| 250Ls |
|
| 250L | 300L | |||
|
|
|
|
|
|
|
|
|
|
|
| |
| Power supply | V/Ph/Hz |
| 220-240/1/50 |
|
| ||||||
|
|
|
|
|
|
|
|
|
|
| ||
| Water tank Volume | L | 200 |
|
| 250 |
|
| 250 |
| 300 | |
|
|
|
|
|
|
|
|
|
|
|
| |
| MTRT power input | W |
|
|
| 700+1600 (e-heater) |
| |||||
|
|
|
|
|
|
|
|
|
|
| ||
| MTRT current | A |
|
|
| 3.2 +6.8 (e-heater) |
| |||||
|
|
|
|
|
|
|
|
|
|
|
|
|
| MTRT.outlet water | °C |
|
|
|
|
|
|
|
|
| |
| temperature range(without |
|
|
|
|
| 60 |
|
| |||
| using E-heater) |
|
|
|
|
|
|
|
|
|
| |
|
|
|
|
|
|
|
|
|
|
|
| |
| MTRT. water temperature | °C |
|
|
|
| 70 |
|
| |||
|
|
|
|
|
|
|
|
|
|
|
| |
| Min. water temperature | °C |
|
|
|
| 0 |
|
| |||
|
|
|
|
|
|
|
|
|
|
|
| |
| Ambient working temp. | °C |
|
|
|
| -5-43 |
|
| |||
|
|
|
|
|
|
|
|
|
|
|
| |
| MTRT. discharge pressure | bar |
|
|
|
| 20 |
|
| |||
|
|
|
|
|
|
|
|
|
|
|
| |
| MTRT. suction pressure | bar |
|
|
|
| 6 |
|
| |||
|
|
|
|
|
|
|
|
|
|
|
| |
| Refrigerant type |
|
|
|
|
| R134a |
| ||||
|
|
|
|
|
|
|
|
|
|
|
| |
| Compressor | Type |
|
|
|
| Rotary |
| ||||
|
|
|
|
|
|
|
|
|
|
| ||
|
|
| Brand |
|
|
| TOSHIBA |
| ||||
|
|
|
|
|
|
|
|
|
|
| ||
|
|
| Model |
|
|
| PJ125G1C-4DZDE |
| ||||
|
|
|
|
|
|
|
|
|
|
| ||
| Fan motor | Type |
|
|
| asynchronous motor |
| |||||
|
|
|
|
|
|
|
|
|
|
|
| |
|
|
| W |
|
|
|
| 80 |
|
| ||
|
|
|
|
|
|
|
|
|
|
|
| |
|
|
| RPM |
|
|
|
| 1280 |
|
| ||
|
|
|
|
|
|
|
|
|
|
|
| |
| Air flow | m3/h |
|
|
|
| 450 |
|
| |||
|
|
|
|
|
|
|
|
| ||||
| Duct diameter | mm |
| 177 (Fit flexible 180/200mm duct) | ||||||||
|
|
|
|
|
|
|
|
|
|
|
| |
| MTRT allowed pressure of | bar |
|
|
|
| 10 |
|
| |||
| tank |
|
|
|
|
|
|
|
|
|
| |
|
|
|
|
|
|
|
|
|
|
| ||
| Inside body material of tank |
|
|
|
| SUS 304 |
| |||||
|
|
|
|
|
|
|
|
|
|
| ||
| Auxiliary electrical heater | kW |
|
|
| 1.6(incoloy825) |
| |||||
|
|
|
|
|
|
|
|
|
|
|
| |
| Electronic expansion valve |
|
|
|
|
| yes |
| ||||
|
|
|
|
|
|
|
|
|
|
|
| |
| Magnesium stick |
|
|
|
|
| yes |
| ||||
|
|
|
|
|
|
|
|
|
|
|
| |
| Hot water outlet | inch |
|
|
|
| G 3 / 4 |
| ||||
|
|
|
|
|
|
|
|
|
|
|
| |
| Cold water inlet | inch |
|
|
|
| G 3 / 4 |
| ||||
|
|
|
|
|
|
|
|
|
|
|
| |
| Drainage | inch |
|
|
|
| G 3 / 4 |
| ||||
|
|
|
|
|
|
|
|
|
|
|
| |
| Condensed water outlet | inch |
|
|
|
| G 1 / 2 |
| ||||
|
|
|
|
|
|
|
|
|
|
| ||
| Heat pump heat exchanger material |
|
|
| Aluminium alloy |
| ||||||
|
|
|
|
|
|
|
|
|
|
|
| |
|
|
|
|
|
|
|
|
|
|
|
| |
| Net Dimensions |
| mm | φ560x1750 |
| φ560x2000 |
|
| φ640x1633 |
| φ640x1845 | |
|
|
|
|
|
|
|
|
|
|
|
| |
| Packing Dimensions |
| mm | 615x615x1870 |
| 615x615x2120 |
|
| 695x695x1753 |
| 695x695x1965 | |
|
|
|
|
|
|
|
|
|
|
| ||
| Net Weight |
| Kg | 82 |
| 87 |
| 87 |
| 92 | ||
|
|
|
|
|
|
|
|
|
|
| ||
| Weight with full water |
| Kg | 289 |
| 347 |
| 347 |
| 386 | ||
|
|
|
|
|
|
|
|
|
|
| ||
| Gross Weight |
| Kg | 101 |
| 106 |
| 106 |
| 111 | ||
|
|
|
|
|
|
|
|
|
|
| ||
| Noise level |
| dB (A) | 46 |
| 46 |
| 46 |
| 46 | ||
|
|
|
|
|
|
|
|
|
|
|
|
|

|
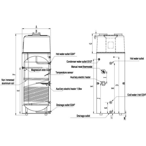
| 200L | 250Ls | 250L | 300L |
|
|
|
|
|
|
| A | Φ560 | Φ560 | Φ640 | Φ640 |
|
|
|
|
|
|
| B | Φ177 | Φ177 | Φ177 | Φ177 |
|
|
|
|
|
|
| C | 40 | 40 | 40 | 40 |
|
|
|
|
|
|
| D | 1185 | 1435 | 1070 | 1280 |
|
|
|
|
|
|
| E | 875 | 1125 | 790 | 1030 |
|
|
|
|
|
|
| F | 1750 | 2000 | 1633 | 1845 |
|
|
|
|
|
|
| G | 450 | 450 | 450 | 450 |
|
|
|
|
|
|
| H | 1025 | 1275 | 890 | 1130 |
|
|
|
|
|
|
| I | 270 | 270 | 270 | 270 |
|
|
|
|
|
|
| J | 600 | 680 | 550 | 680 |
|
|
|
|
|
|
| K | 250 | 250 | 250 | 250 |
|
|
|
|
|
|
| L | 32.5 | 32.5 | 32.5 | 32.5 |
|
|
|
|
|
|
| M | 35 | 35 | 35 | 35 |
|
|
|
|
|
|
| N | 1135 | 1385 | 1020 | 1230 |
|
|
|
|
|
|


