terex 15271389 seal kit for terex TR60 terex ming truck
Terre Kosen Mine Equipment Co., Ltd specializes in supplying TEREX truck parts,marketing global.offering the highest quality parts with competitive price.
Established in 2009, We have been manufacturing/exporting high-quality parts at low costs to companies world-wide,Following strict I.S.O guidelines and control quality process.
Large amount parts are in stock make the parts lead-time shorter.Rich export experience make you import parts easier and faster.
Terex earthmoving equipment parts

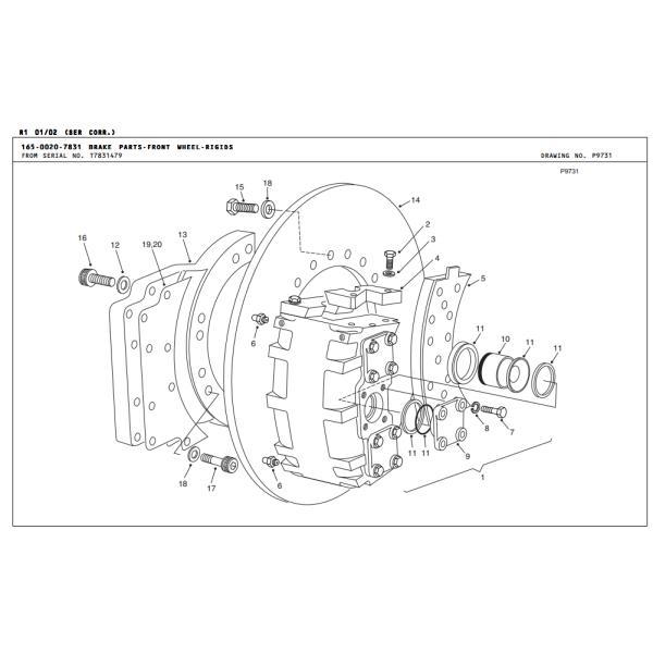
| FROM SERIAL NO. T7831479 |
| SER.NO. SER.NO. NC REF QTY PART NO. DESCRIPTION FROM TO |
| 001 002 15300389 BRAKE HEAD ASSY 002 016 09058895 .BOLT 003 016 09058896 .WASHER 004 008 15267039 .PLATE-THRUST 005 002 15266825 .KIT-LINING 006 006 09051432 .VALVE-BLEEDER 007 024 09058900 .BOLT 008 024 09058901 .WASHER 009 006 15272380 .CAP-PLATE 010 012 09058905 .PISTON 011 002 15271389 .KIT-SEAL 012 016 09074283 WASHER-HARDENED 013 002 15300580 CARRIER-FRONT 014 002 15247360 DISC-BRAKE 015 040 15248418 BOLT 016 016 09226983 BOLT 017 016 15025751 BOLT 018 056 09008198 WASHER 019 ASR 15237514 SHIM (0.060 IN) |