Compression Load Cell, 300kg/500kg/2 ton/10 ton to 30 ton
After purchasing one RJ load cell, you can buy a special digital panel meter to obtain readings directly, or buy a transmitter to output standard signal to PLC, DCS and other systems. Customized output signal is 0-5V, 0-10V, or 4-20mA.
Note: The load cell cannot be connected to both the transmitter and the controller at the same time — only one can be selected.
Compression load cells have capacity range from 300kg, 500kg, 1000kg, 10 ton to 30 ton. Load cell capacity can be customized according to customer requirements.
The compression button load cell is a high-precision measuring device mainly used to measure small weight or pressure changes. The low profile and compact design make it ideal for use in tight spaces, and the all-stainless steel construction provides corrosion resistance and reliability in harsh industrial environments. Unique button design ensures accurate load distribution.
Specification
| Model | RJ |
| Shipping Weight | 1.3~6.3kg |
| Capacity Range * | 300 kg~30 ton |
| Matched Display Controller | (Click it to the controller page) |
| Matched Transmitter | (Click it to the transmitter page) |
| Accuracy | 0.03%F.S (linearity + hysteresis + repeatability) |
| Sensitivity | 2.0±0.1mV/V |
| Creep | ±0.03~±0.05%F.S/30min |
| Zero Output | ±1%F.S |
| Temperature Effect on Zero | ±0.03%F.S/10℃ |
| Temperature Effect on Output | ±0.03%F.S/10℃ |
| Operating Temperature | -20℃~+65℃ |
| Input Impedance | 380±10Ω, 750±15Ω |
| Output Impedance | 350±3Ω, 700±5Ω |
| Insulation Resistance | ≥5000MΩ |
| Safety Overload | 150%F.S |
| Bridge Voltage (excitation voltage) | DC 10V |
| Material | Stainless steel |
| Protection Class | IP67 |
| Cable length | 3m (<5 ton), 6m (≥5 ton) |
| Wiring | EXC+: Red, EXC-: Black, SIG+: Green, SIG-: White |
Feature
- High-Quality Stainless Steel Construction: Made from durable stainless steel, ensuring strength and resistance to wear and tear in demanding environments.
- Strong Anti-Corrosion Ability: The product is designed to withstand harsh conditions with superior resistance to corrosion, making it suitable for various industrial and outdoor applications.
- Dual Seals for Protection: Equipped with double seals for enhanced protection against dust, moisture, and contaminants, ensuring longevity and reliable performance.
- Versatile Force Measurement: Ideal for a wide range of force measurement applications, including industrial weighing systems, automotive platforms, and conveyor systems.
- Suitable for Harsh Environments: Engineered to perform accurately in challenging environments, making it perfect for use in factories, construction sites, and other harsh conditions.
- Applications in Automation and Control Systems: Commonly used in automotive, rail, and automation control systems, ensuring precise and accurate force monitoring for operational efficiency.
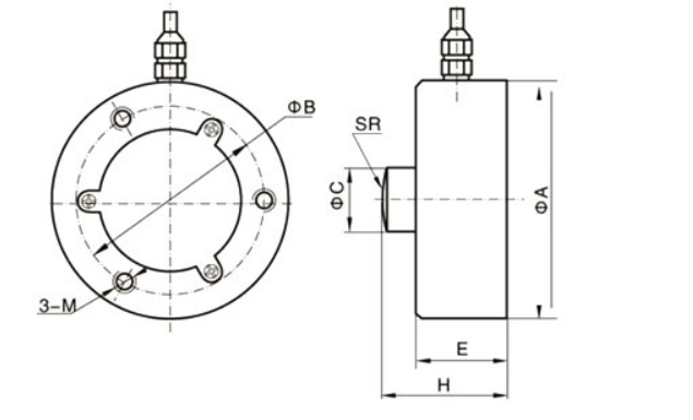
Dimension
| Capacity | Dimension (mm) |
| ΦA | ΦB | ΦC | H | E | M | SR |
| 300~1000kg | 78 | 64 | 15 | 40 | 32 | M6 | 40 |
| 2~10 ton | 82 | 66 | 22 | 44 | 32 | M8 | 50 |
| 15~30 ton | 127 | 90 | 25 | 70 | 62 | M10 | 60 |

Wiring Method

Application

Tips: What factors can affect the performance of a Compression Load Cell?
Several factors can impact the performance of a Compression Load Cell:
- Temperature Variations: Extreme temperature fluctuations can cause measurement inaccuracies due to changes in the load cell’s material properties. Many compression load cells are designed with temperature compensation to mitigate this issue, but temperatures outside the specified operating range may still affect accuracy.
- Improper Alignment: If the load cell is not correctly aligned with the applied load (i.e., if it experiences side loading or bending), it can lead to inaccurate readings or even damage to the cell.
- Overloading: Exceeding the rated capacity of the load cell can cause permanent damage and affect the accuracy of measurements. Regular calibration and careful attention to the maximum rated load are necessary to avoid overloading.
- Vibration and Shock: Mechanical shock or vibrations from surrounding machinery can impact the accuracy of measurements. It's important to install the load cell in an environment where vibrations and shock are minimized, or use damping materials to absorb impacts.
- Electrical Interference: External electrical sources, such as motors or other machinery, can generate electromagnetic interference (EMI) that affects the signal output. Using proper shielding and grounding techniques can minimize this issue.