After purchasing one RJ load cell, you can buy a transmitter to output standard signal to PLC, DCS and other systems. Customized output signal is 0-5V, 0-10V, or 4-20mA.
Note: The load cell cannot be connected to both the transmitter and the controller at the same time — only one can be selected.
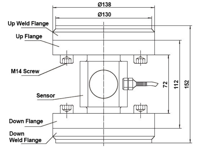
Highly accurate and stable column load cell with double flanges supports multi-capacity loads of 5 ton/10 ton/20 ton/30 ton, with repeatability error of only 0.05% F.S. and creep error as small as 0.05% F.S. (for 30 minutes) with high accuracy. Premium quality 42CrMo alloy steel provides high strength and toughness for reliable and durable performance. The 3m high tensile cable is designed for easy installation and supports multiple voltage operation (5-15V).
| Model | RJ |
| Capacity | 5 ton/10 ton/20 ton/30 ton (optional) |
| Matched Transmitter | (Click it to the transmitter page) |
| Matched Display Controller | (Click it to the controller page) |
| Rated Output | 1.0-2.0±0.05%mV/V |
| Zero Balance | ±1%F.S. |
| Non-Linearity | 0.1%F.S. |
| Hysteresis | 0.1%F.S. |
| Repeatability | 0.05%F.S. |
| Creep | 0.05%F.S. (30min) |
| Temp Effect on Output | 0.05%F.S./10°C |
| Temp Effect on Zero | 0.05%F.S./10°C |
| Response Frequency | 10kHz |
| Material | Alloy steel |
| Impedance | 350Ω |
| Insulation | ≥5000MΩ/100VDC |
| Operating Temp Range | -20°C~80°C |
| Operating Voltage Range | 5-15V |
| Safe Overload | 1.5 |
| Maximum Overload | 2 |
| Cable Specifications | Φ5*3m |
| Cable Ultimate Pull | 10kg |
| Net Weight | < 2kg |




Tips: What is a column load cell and what are its main applications?
A column load cell is a highly accurate load cell, usually in a column design, designed for high loads and extreme environments. These load cells are widely used in scenarios such as bridge weighing, industrial pressure testing, tank weighing, and large machinery and equipment. Due to their rugged construction, ability to withstand high axial forces and high resistance to bias loads, they are ideal for many applications where high reliability is required.
Column load cells achieve excellent accuracy and stability through high quality materials and precision manufacturing processes. The design of the column distributes the load evenly and reduces stress concentrations. At the same time, the load cell sensors are usually equipped with advanced strain gauges inside, which, in combination with temperature compensation technology, can minimize errors caused by changes in ambient temperature. In addition, the column structure is less sensitive to lateral forces, which effectively improves measurement accuracy.