Application:
35BYJ46 is widely used in intelligent household appliances (such as air conditioners, refrigerators, smart toilets), security monitoring, office automation equipment, financial payment devices, stage lighting, medical instruments, textile machinery, robots, and other automation control fields requiring accurate positioning
| Voltage (V) | Resistance (Ω) | Pull-in torque 100PPS (mN*m) | Detent Torque (mN*m) | Unload pull-in Frequency (PPS) |
| 12 | 100 | ≥147 | ≥78.4 | ≥350 |
| 12 | 130 | ≥98 | ≥39.2 | ≥350 |
| 12 | 200 | ≥58.8 | ≥39.2 | ≥350 |
OEM & ODM are available
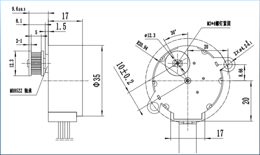
Design drawing(Unit:mm)



Introduction:
35BYJ46 is a permanent magnet type geared stepper motor with 4 phases, featuring a step angle of 7.5° (output shaft) and a reduction ratio of 1/85. The motor is known for its simple structure, high reliability, good dynamic performance, large output torque, and low power consumption, making it suitable for a wide range of precise control applications