Light steel frame roll forming machine
Light steel frame machine is used structure houses. The profiles used in this kind of house are produced by cold bending forming methods. These profiles are assembled into a structural steel frame by screws and bolts at the construction site, and can also be applied to various wall and floor structures. After the frame has been lapped, the building can be completed by installing an outer layer of insulating material or painting concrete. The system can be applied to all characteristic types of buildings, such as schools, residences, offices, hotels, hospitals, factories and warehouses, etc. Different types of profiles produced by light steel frame machine can replace wood in residential and light commercial buildings. It is very suitable for load-bearing walls and interior rooms. The frame is very similar to wood, and because the positions of the screw holes on the profiles are produced through rigorous calculations, there is almost no need to spend time on drilling and determining the hole distance at the work site. Because it is made of metal, light steel structure houses will not rot, split, warp, shrink, burn, or be eaten by termites. Compared with wooden frames, steel frames generate less on-site waste, thereby reducing the cost of debris removal.
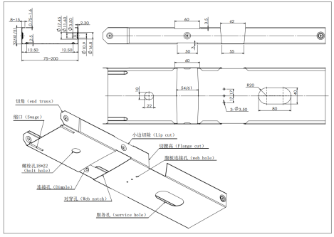
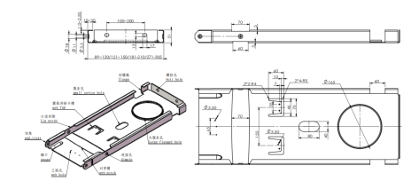
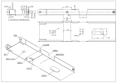
Here are some drawing profiles for your reference:




Layout drawing

Light steel frame roll forming machine

Advantages of Light steel frame roll forming machine
Fast speed and high precision:This machine can achieve high-speed production and high-precision production.

Machines are much smarter:The designed installation drawings into the computer transmission, can be mass production. Mass production products can be a wall, the same model or custom mass production can be decided by themselves. At the same time, the production of good products can also be sprayed with code and packaging, which is convenient and easy to install.
| NO. | Product name | Specifications and models | Quantity | Remarks |
| 1 | XBIM-M-CZ Cold-bending molding control system | 1.0 | 1 | More than one thousand batches of efficient import, control accuracy of ± 1mm, seamless data upload, download |
| 2 | LN Fast input system (short name: fast input system) | V1.4 | 1 | Office offline input data, save more than 50% of the on-site input time, data management is more secure and reliable |
| 3 | XBIM Equipment Cloud System (XBIM System) | 1.0 | 1 | Realize the factory-level Internet of Things, equipment interconnection, and real-time presentation of production information by mobile phone, Pad and PC. |
| 4 | Control by computer | 1 | I5CPU, large memory, support 4G network card network interconnection to achieve MES direct connection |

Convenient adjustment:In order to facilitate production, in the case of constant waist height, only need to adjust the bottom width, that is, transform the corner and the groove mold. And within 17mm, there is no need to replace the mold, only need to adjust the bottom width can be. For example, the production of 75-92mm products does not need to replace the mold, the production of 75-100mm products need to replace the mold.

The following are the specifications and technical parameters of the different types of machines
Unit type:MF-2000
Technical standard
| Equipment name:MF series computer input digital change + power button change keel equipment | Unit type: MF-2000 | Intelligent version of the servo-motor drive | |||||||
| 一,Device configuration parameters | |||||||||
| 1 | Master | Feeding | Guide shaft + Guide wheel | ||||||
| Leveling | On two next three + two channels | ||||||||
| Main forming | 17 Composition (one of which is a roller set of 87-95 degrees) | ||||||||
| Straighten | Calibration components | ||||||||
| Production of plate specifications and punching; | With: (75-92,126-143,183-200 any specification can achieve the following punching, the specific size is as follows:)
| ||||||||
|
2 | Control system | Main control cabinet | 21-inch touch screen (installed on the upper right of the equipment) + 2 electrical main control cabinet (installed on the side of the equipment) | ||||||
| Control software | LG-R1 (special CNC NC control software) | ||||||||
| External controller | Wireless remote control control | ||||||||
| Main parts origin | PLC (Huichuan), relay (Kuton), proximity switch (Otonx, Korea), servo motor (Huichuan bus) | ||||||||
| Spray code | One-body inkjet (double nozzle) | ||||||||
| 3 | Dynamic system | Prime mover | Servo motor 14KW + arc parachute gear reducer | ||||||
| Main hydraulic station | Hydraulic station power is 11KW + air-cooled | ||||||||
| The fuel tank volume is 200 liters | |||||||||
| Main parts origin | Solenoid valve oil research Yuci | ||||||||
| Voltage power | 380V 50hz | ||||||||
| 4 | Discharge machine | Loading | 3t | ||||||
| Hold tight way | Hand | ||||||||
| The center of the link is held outward | |||||||||
| Prime mover | Motor drive, automatic feeding | ||||||||
| 5 | Testimony table | The length of the feeding | 4 m (assembled from equipment keel site) | ||||||
| Testimony method | Fixed material support table + material storage table | ||||||||
| 6 | Performance parameter | Rolling | Material: Cr 12 | ||||||
| Processing technology: numerical control processing after heat treatment to HRC 58-60, and then refined car | |||||||||
| Roll shaft | Material: 40 Cr | ||||||||
| Processing technology: CNC processing after quality treatment HRC 28-32, fine car electroplating | |||||||||
| Weight | The whole machine weight is about 10 tons | ||||||||
| 二,Production product parameters | |||||||||
| 1 | Production product specifications |
3,Lip (8~15)mm;4,Plate thickness of t (0.75~1.6) mm is adjustable; | |||||||
| 2 | Out of the board speed | High speed 35 m / min (actual production speed according to the number of punched) | |||||||
| 3 | Material applicable | Q235,Q345,G550 Hot tie galvanized strip steel | |||||||
| 三,Attached accessories and spare parts | |||||||||
| Attachment | (Attached list) | Tool | 1 set | ||||||
| Instruction | A copy | Else | |||||||
| Equipment color | Main body gray, red edge, frame gray black, with integral protective cover | ||||||||
Unit type:MF6S-3005Pro
| 设备名称:MF系列 电脑输入数字换型+电动按钮换型龙骨设备 | 设备型号:MF6S-3005Pro | 伺服电机驱动 | ||||||||
| 一,设备配置参数 | ||||||||||
| 1 | 主机 | 进料 | 导向轴+导向轮 | |||||||
| 整平 | 上二下三+ 两道引送 | |||||||||
| 主成型 | 19道成型(其中一道为腰高成型87-95度任意调辊组) | |||||||||
| 校直 | 校直组件 | |||||||||
| 引送 | 配传动,上下轴齿轮驱动 | |||||||||
| 可生产的板型规格及冲孔 | 冲孔模具包含: 1.腰高切除模具; 2.腹板螺栓连接孔13*17; 3.过管翻边孔165; 4.腹板卡扣; 5.联接钉窝孔M4.8; 6.过线孔40*80; 7.三联孔; 8.对穿孔(全尺寸范围共七套,详见板型图); 9.切小边; 10.切角(全尺寸范围共七套,详见板型图); 11.线上缩口; 12.线上扩口冲模(规格150以上); 13.线下端部翻边模具;
具体应用如下:
| |||||||||
| 剪切 | 成型前平板剪切系统 | |||||||||
| 成型后无级剪切系统 | ||||||||||
| 2 | 控制系统 | 主控柜 | PC控制 | |||||||
| 换型配电箱 | 1个(安装在机架中部) | |||||||||
| 外接控制器 | 1个(可方便在生产过程,调试过程中控制前进,后退) | |||||||||
| 主配件品牌 | PLC(日本三菱),继电器(库顿),接近开关(韩国奥托尼克斯) | |||||||||
| 喷码 | 一体喷墨(单喷头,固定侧腰高喷) | |||||||||
| 3 | 动力系统 | 驱动 | 伺服电机22KW+弧形伞齿减速机 | |||||||
| 主液压站 | 液压站功率11KW+风冷 | |||||||||
| 油箱容积200升 | ||||||||||
| 小液压站 | 液压站功率3.75kw+散热片;油箱容积30升(线下翻边模具) | |||||||||
| 主件品牌 | 电磁阀(油研榆次) | |||||||||
| 4 | 放料机 | 载重 | 5吨 | |||||||
| 撑紧方式 | 手摇 | |||||||||
| 四连杆中心向外撑紧 | ||||||||||
| 驱动 | 电机驱动,自动放料 | |||||||||
| 5 | 托料台 | 托料长度12米 | 6米+两段3米 | |||||||
| 托料方式 | 架体为槽钢与角钢焊接,面上装辊筒 | |||||||||
| 6 | 性能参数 | 轧辊 | 材质:Cr12 | |||||||
| 加工工艺:数控加工后热处理至HRC58-60,再精车 | ||||||||||
| 轴 | 材质:40Cr | |||||||||
| 加工工艺:数控加工后调质处理HRC28-32,再精车电镀 | ||||||||||
| 重量 | 整机重量约18吨 | |||||||||
| 二,生产产品参数 | ||||||||||
| 1 | 生产产品规格 |
3,小边 (10~20)mm;4,板厚t (1.0~2.5) mm可调; | ||||||||
| 2 | 出板速度 | 高速35米/分钟,(实际生产速度根据打孔数量) | ||||||||
| 3 | 材质适用 | Q235,G550热扎带钢或热扎镀锌带钢 | ||||||||
| 三,随附配件及备件 | ||||||||||
| 备件 | (附清单) | 工具 | 一套 | |||||||
| 说明书 | 一本 | 其它 | ||||||||
| 设备颜色 | 主体灰色,红色嵌边,机架灰黑色,配整体式防护罩 | |||||||||
Unit type:LG2025T-89/91
| 设备名称:LG系列 定规格轻钢龙骨设备 | 设备型号:LG2025T-89/91 | 规格:(89/91)*41*10 | 伺服电机 驱动 | |||||||
| 电压,频率:三相380V 50HZ | ||||||||||
| 一,设备配置参数 | ||||||||||
| 1 | 成型主机 | 进料 | 上下辊筒+两组靠轮 | |||||||
| 主成型 | 13道成型(其中一道为腰高成型87-95度任意调辊组) | |||||||||
| 校直 | 两轴两靠组件 | |||||||||
| 引送 | 配传动,上下轴齿轮驱动 | |||||||||
| 冲孔 | ![]() | |||||||||
| 其他 | 上下辊轮间隙自适应,配备双重动力牵引 | |||||||||
| 压筋 | 根据生产数据自动切换有无压筋 | |||||||||
| 剪切 | 三片刀定规格剪切 | |||||||||
| 2 | 控制系统 | 主控柜 | 21寸触摸屏(装在设备右上方)+电器主控柜1台(装在设备侧面) | |||||||
| 控制软件 | LG-R1(大禾众邦轻钢别墅专用数控NC控制软件) | |||||||||
| 喷码 | 一体喷墨(双喷头,两侧腰高对喷) | |||||||||
| 外接控制器 | 无线遥控器控制,并在设备的前后护罩上设急停按钮; | |||||||||
| 主配件品牌 | PLC(日本松下),光电开关(欧姆龙),接近开关(韩国奥托尼克斯),长度编码器(国际高端品牌),伺服电机(汇川) | |||||||||
| 3 | 司服与液压系统 | 司服电机 | 伺服电机(7.5KW)+精密行星齿轮减速机(台湾APEX) | |||||||
| 液压站 | 液压站功率7.5KW | |||||||||
| 油箱容积160升 | ||||||||||
| 主件品牌 | 电磁阀德国力士乐 | |||||||||
| 4 | 放料机 | 载重 | 3吨 | |||||||
| 撑紧方式 | 手摇连杆式,中心向外撑紧 | |||||||||
| 刹车 | 主轴双抱紧 | |||||||||
| 驱动 | 自动驱动送料 | |||||||||
| 5 | 托料台 | 托料长度 | 4米 | |||||||
| 托料方式 | 固定式托料台+储料台 | |||||||||
| 6 | 性能参数 | 轧辊 | 材质:GCr15 | |||||||
| 加工工艺:数控加工后热处理至HRC58-60,再精车抛光电镀 | ||||||||||
| 轴 | 材质:40Cr | |||||||||
| 加工工艺:数控加工后调质处理HRC28-32,再精车抛光电镀 | ||||||||||
| 重量 | 整机重量约3.8吨 | |||||||||
| 二,生产产品参数 | ||||||||||
| 1 | 生产产品规格 |
| ||||||||
| 2 | 出板速度 | 高速48米/分钟,(实际生产速度根据打孔数量) | ||||||||
| 3 | 材质适用 | G550镀锌带钢 | ||||||||
| 三,随附配件及备件 | ||||||||||
| 备件 | 附清单 | 工具 | 一套 | |||||||
| 说明书 | 电子档集成在控制软件中 | 护罩 | 全封闭式防护罩 | |||||||
| 设备颜色 | 主体颜色:象牙白+深蓝色,腰线:深蓝色,机架:灰黑色,上部可推拉黑色透明有机玻璃; | |||||||||
Unit type:MF6S-3005
| 设备名称:MF系列 电脑输入数字换型+电动按钮换型龙骨设备 | 设备型号:MF6S-3005 | 伺服电机驱动 | ||||||||
| 一,设备配置参数 | ||||||||||
| 1 | 主机 | 进料 | 导向轴+导向轮 | |||||||
| 整平 | 上二下三+ 两道引送 | |||||||||
| 主成型 | 19道成型(其中一道为腰高成型87-95度任意调辊组) | |||||||||
| 校直 | 校直组件 | |||||||||
| 引送 | 配传动,上下轴齿轮驱动 | |||||||||
| 可生产的板型规格及冲孔 | 冲孔模具包含: 1.腰高切除模具; 2.腹板螺栓连接孔13*17; 3.过管翻边孔165; 4.腹板卡扣; 5.联接钉窝孔M4.8; 6.过线孔40*80; 7.三联孔; 8.对穿孔(四个尺寸范围,详见板型图); 9.切小边; 10.切角(四个尺寸范围,详见板型图); 11.线上缩口; 12.线上扩口冲模(规格150以上); 13.线下端部翻边模具;
具体应用如下:
| |||||||||
| 剪切 | 成型前平板剪切系统 | |||||||||
| 成型后无级剪切系统 | ||||||||||
| 2 | 控制系统 | 主控柜 | PC控制 | |||||||
| 换型配电箱 | 1个(安装在机架中部) | |||||||||
| 外接控制器 | 1个(可方便在生产过程,调试过程中控制前进,后退) | |||||||||
| 主配件品牌 | PLC(日本三菱),继电器(库顿),接近开关(韩国奥托尼克斯) | |||||||||
| 喷码 | 一体喷墨(单喷头,固定侧腰高喷) | |||||||||
| 3 | 动力系统 | 驱动 | 伺服电机22KW+弧形伞齿减速机 | |||||||
| 主液压站 | 液压站功率11KW+风冷 | |||||||||
| 油箱容积200升 | ||||||||||
| 小液压站 | 液压站功率3.75kw+散热片;油箱容积30升(线下翻边模具) | |||||||||
| 主件品牌 | 电磁阀(油研榆次) | |||||||||
| 4 | 放料机 | 载重 | 5吨 | |||||||
| 撑紧方式 | 手摇 | |||||||||
| 四连杆中心向外撑紧 | ||||||||||
| 驱动 | 电机驱动,自动放料 | |||||||||
| 5 | 托料台 | 托料长度12米 | 6米+两段3米 | |||||||
| 托料方式 | 架体为槽钢与角钢焊接,面上装辊筒 | |||||||||
| 6 | 性能参数 | 轧辊 | 材质:Cr12 | |||||||
| 加工工艺:数控加工后热处理至HRC58-60,再精车 | ||||||||||
| 轴 | 材质:40Cr | |||||||||
| 加工工艺:数控加工后调质处理HRC28-32,再精车电镀 | ||||||||||
| 重量 | 整机重量约17吨 | |||||||||
| 二,生产产品参数 | ||||||||||
| 1 | 生产产品规格 |
3,小边 (10~20)mm;4,板厚t (1.0~2.5) mm可调; | ||||||||
| 2 | 出板速度 | 高速35米/分钟,(实际生产速度根据打孔数量) | ||||||||
| 3 | 材质适用 | Q235,G550热扎带钢或热扎镀锌带钢 | ||||||||
| 三,随附配件及备件 | ||||||||||
| 备件 | (附清单) | 工具 | 一套 | |||||||
| 说明书 | 一本 | 其它 | ||||||||
| 设备颜色 | 主体灰色,红色嵌边,机架灰黑色,配整体式防护罩 | |||||||||
Unit type:LA(30)-40
| 设备名称:LA系列 几字形钢换型辊压成型设备 | 设备型号:LA(30)-40 | 电机15KW驱动 | |||||||||||||||||||||||||||||||||||
| 一,设备配置参数 | |||||||||||||||||||||||||||||||||||||
| 1 | 成型主机 | 进料 | 导向轴+导向轮 | ||||||||||||||||||||||||||||||||||
| 整平 | 上三下四+两道引送,全实心轴调质热处理并精车后电镀 | ||||||||||||||||||||||||||||||||||||
| 主成型 | 16道成型(其中一道为腰高成型72-80度任意调辊组) | ||||||||||||||||||||||||||||||||||||
| 传动用20A链条 | |||||||||||||||||||||||||||||||||||||
| 引送 | 配传动,上下轴齿轮驱动 | ||||||||||||||||||||||||||||||||||||
| 冲孔剪切 |
注1:若前冲双孔冲模主体要用前冲单孔冲模用的主体需在备注1注明‘单孔主体’; 注2:默认的长孔为长条孔 注3:默认的长孔方向与成型方向平行,若需要长孔垂直于成型方向,需在备注2注明‘垂直’; 注4:需配置的成型后剪切的规格为: | ||||||||||||||||||||||||||||||||||||
| 2 | 控制系统 | 主控柜 | 1台 | ||||||||||||||||||||||||||||||||||
| 换型配电箱 | 1个(安装在机架中部) | ||||||||||||||||||||||||||||||||||||
| 外接控制器 | 1个(可方便在生产过程,调试过程中控制前进,后退) | ||||||||||||||||||||||||||||||||||||
| 主配件品牌 | PLC(日本松下),继电器(法国施耐德),接近开关(韩国奥托尼克斯),长度编码器(国际高端品牌)触摸屏(威伦)电磁阀(北京华德) | ||||||||||||||||||||||||||||||||||||
| 3 | 驱动 | 主驱动 | 电机 | ||||||||||||||||||||||||||||||||||
| 14kw | |||||||||||||||||||||||||||||||||||||
| 冲孔剪切 | 液压站功率7.5KW+风冷器 | ||||||||||||||||||||||||||||||||||||
| 油箱容积150升 | |||||||||||||||||||||||||||||||||||||
| 主件品牌 | 电磁阀油研榆次 | ||||||||||||||||||||||||||||||||||||
| 4 | 放料机 | 载重 | 4吨 | ||||||||||||||||||||||||||||||||||
| 撑紧方式 | 手动撑紧 | ||||||||||||||||||||||||||||||||||||
| 刹车 | 主轴双抱紧 | ||||||||||||||||||||||||||||||||||||
| 5 | 托料台 | 托料长度 | 6米 | ||||||||||||||||||||||||||||||||||
| 托料方式 | 架体为槽钢与角钢焊接,面上装辊筒 | ||||||||||||||||||||||||||||||||||||
| 6 | 性能参数 | 轧辊 | 材质:Cr12 | ||||||||||||||||||||||||||||||||||
| 加工工艺:数控加工后热处理至HRC58-60,精车 | |||||||||||||||||||||||||||||||||||||
| 轴 | 材质:40Cr(φ60) | ||||||||||||||||||||||||||||||||||||
| 加工工艺:数控加工后调质处理HRC28-32,再精车电镀 | |||||||||||||||||||||||||||||||||||||
| 重量 | 整机重量约10吨 | ||||||||||||||||||||||||||||||||||||
| 二,生产产品参数 | |||||||||||||||||||||||||||||||||||||
| 1 | 生产产品规格 |
板厚:0.8~2.0mm | |||||||||||||||||||||||||||||||||||
| 2 | 出板速度 | 高速28米/分钟,综合速度12米/分钟-18米/分钟(根据打孔数量); | |||||||||||||||||||||||||||||||||||
| 3 | 材质适用 | 屈服强度不高于440Mpa的热扎带钢或热扎镀锌带钢 | |||||||||||||||||||||||||||||||||||
| 三,随附配件及备件 | |||||||||||||||||||||||||||||||||||||
| 备件 |
| ||||||||||||||||||||||||||||||||||||
| 工具 | 一套 | 说明书 | 一本 | ||||||||||||||||||||||||||||||||||
| 设备颜色 | 主体蓝色,白色嵌边,机架灰黑色 | ||||||||||||||||||||||||||||||||||||
Unit type:MF-2000pro
| 设备名称:MF系列 电脑输入数字换型+电动按钮换型龙骨设备 | 设备型号:MF-2000pro | 智能版 伺服电机驱动 | |||||||
| 一,设备配置参数 | |||||||||
| 1 | 主机 | 进料 | 导向轴+导向轮 | ||||||
| 整平 | 上二下三+两道引送 | ||||||||
| 主成型 | 17组成型(其中一道为腰高成型87-95度任意调辊组) | ||||||||
| 校直 | 校直组件 | ||||||||
| 可生产的板型规格及冲孔; | 配有冲模有:(75-200,任意规格均可实现以下冲孔,具体尺寸如下图:)
| ||||||||
|
2 | 控制系统 | 主控柜 | 21寸触摸屏(装在设备右上方)+电器主控柜2台(装在设备侧面) | ||||||
| 控制软件 | LG-R1(大禾众邦轻钢别墅专用数控NC控制软件) | ||||||||
| 外接控制器 | 无线遥控器控制 | ||||||||
| 主配件产地 | PLC(汇川),继电器(库顿),接近开关(韩国奥托尼克斯),伺服电机(汇川总线) | ||||||||
| 喷码 | 一体喷墨(双喷头) | ||||||||
| 3 | 动力系统 | 驱动 | 伺服电机14KW+弧形伞齿减速机 | ||||||
| 主液压站 | 液压站功率11KW+风冷 | ||||||||
| 油箱容积200升 | |||||||||
| 主件产地 | 电磁阀油研榆次 | ||||||||
| 电压功率 | 380V 50hz | ||||||||
| 4 | 放料机 | 载重 | 3吨 | ||||||
| 撑紧方式 | 手摇 | ||||||||
| 连杆中心向外撑紧 | |||||||||
| 驱动 | 电机驱动,自动放料 | ||||||||
| 5 | 托料台 | 托料长度 | 4米(由设备龙骨现场拼接而成) | ||||||
| 托料方式 | 固定式托料台+储料台 | ||||||||
| 6 | 性能参数 | 轧辊 | 材质:Cr12 | ||||||
| 加工工艺:数控加工后热处理至HRC58-60,再精车 | |||||||||
| 轴 | 材质:40Cr | ||||||||
| 加工工艺:数控加工后调质处理HRC28-32,再精车电镀 | |||||||||
| 重量 | 整机重量约10吨 | ||||||||
| 二,生产产品参数 | |||||||||
| 1 | 生产产品规格 |
3,小边 (8~15)mm;4,板厚t (0.75~1.6) mm可调; | |||||||
| 2 | 出板速度 | 高速35米/分钟,(实际生产速度根据打孔数量) | |||||||
| 3 | 材质适用 | Q235,Q345,G550热扎镀锌带钢 | |||||||
| 三,随附配件及备件 | |||||||||
| 备件 | (附清单) | 工具 | 一套 | ||||||
| 说明书 | 一本 | 其它 | |||||||
| 设备颜色 | 主体灰色,红色嵌边,机架灰黑色,配整体式防护罩 | ||||||||
Unit type:LG2025S-89
| 设备名称:LG系列 定规格轻钢龙骨设备 | 设备型号:LG2025S-89 | 规格:89*41*10 | 伺服电机 驱动 | |||||||||
| 电压,频率:三相380V 50HZ | ||||||||||||
| 一,设备配置参数 | ||||||||||||
| 1 | 成型主机 | 进料 | 上下辊筒+两组靠轮 | |||||||||
| 主成型 | 13道成型(其中一道为腰高成型87-95度任意调辊组) | |||||||||||
| 校直 | 两轴两靠组件 | |||||||||||
| 引送 | 配传动,上下轴齿轮驱动 | |||||||||||
| 冲孔 | ![]() | |||||||||||
| 剪切 | 三片刀定规格剪切 | |||||||||||
| 其他 | 上下辊轮间隙自适应,配备双重动力牵引 | |||||||||||
| 2 | 控制系统 | 主控柜 | 21寸触摸屏(装在设备出料端)+电器主控柜1台(装在设备侧面) | |||||||||
| 控制软件 | LG-R1(大禾众邦轻钢别墅专用数控NC控制软件) | |||||||||||
| 喷码 | 一体喷墨(双喷头,两侧腰高对喷) | |||||||||||
| 外接控制器 | 无线遥控器控制,并在设备的前后护罩上设急停按钮; | |||||||||||
| 主配件品牌 | PLC(日本松下),光电开关(欧姆龙),接近开关(韩国奥托尼克斯),长度编码器(国际高端品牌),伺服电机(汇川) | |||||||||||
| 3 | 伺服与液压系统 | 伺服电机 | 伺服电机(7.5KW)+精密行星齿轮减速机(台湾APEX) | |||||||||
| 液压站 | 液压站功率7.5KW | |||||||||||
| 油箱容积160升 | ||||||||||||
| 主件品牌 | 电磁阀德国力士乐 | |||||||||||
| 4 | 放料机 | 载重 | 3吨 | |||||||||
| 撑紧方式 | 手摇连杆式,中心向外撑紧 | |||||||||||
| 刹车 | 主轴双抱紧 | |||||||||||
| 驱动 | 自动驱动送料 | |||||||||||
| 5 | 托料台 | 托料长度 | 4米 | |||||||||
| 托料方式 | 固定式托料台+储料台 | |||||||||||
| 6 | 性能参数 | 轧辊 | 材质:GCr15 | |||||||||
| 加工工艺:数控加工后热处理至HRC58-60,再精车抛光电镀 | ||||||||||||
| 轴 | 材质:40Cr | |||||||||||
| 加工工艺:数控加工后调质处理HRC28-32,再精车抛光电镀 | ||||||||||||
| 重量 | 整机重量约3.8吨 | |||||||||||
| 二,生产产品参数 | ||||||||||||
| 1 | 生产产品规格 |
| ||||||||||
| 2 | 出板速度 | 高速48米/分钟,(实际生产速度根据打孔数量) | ||||||||||
| 3 | 材质适用 | G550镀锌带钢 | ||||||||||
| 三,随附配件及备件 | ||||||||||||
| 备件 | 附清单 | 工具 | 一套 | |||||||||
| 说明书 | 电子档集成在控制软件中 | 护罩 | 全封闭式防护罩 | |||||||||
| 设备颜色 | 主体颜色:象牙白+深蓝色,腰线:深蓝色,机架:灰黑色,上部可推拉黑色透明有机玻璃 | |||||||||||
Unit type:LG2025Pro-89
| 设备名称:LG系列 定规格轻钢龙骨设备 | 设备型号:LG2025Pro-89 | 规格:89*41*10 | 伺服电机 驱动 | ||||||||
| 电压,频率:三相380V 50HZ | |||||||||||
| 一,设备配置参数 | |||||||||||
| 1 | 成型主机 | 进料 | 上下辊轮+两组靠轮 | ||||||||
| 主成型 | 16道成型(其中一道为腰高成型87-95度任意调辊组) | ||||||||||
| 校直 | 两轴两靠组件 | ||||||||||
| 引送 | 配传动,上下轴齿轮驱动 | ||||||||||
| 冲孔 | ![]() | ||||||||||
| 剪切 | 三片刀定规格剪切 | ||||||||||
| 其他 | 配备对穿孔扩口冲模,配备双重动力牵引 | ||||||||||
| 2 | 控制系统 | 主控柜 | 21寸触摸屏(装在设备出料端)+电器主控柜1台(装在设备侧面) | ||||||||
| 控制软件 | LG-R1(大禾众邦轻钢别墅专用数控NC控制软件) | ||||||||||
| 喷码 | 一体喷墨(双喷头,两侧腰高对喷) | ||||||||||
| 外接控制器 | 无线遥控器控制,并在设备的前后护罩上设急停按钮; | ||||||||||
| 主配件品牌 | PLC(日本松下),光电开关(欧姆龙),接近开关(韩国奥托尼克斯),长度编码器(国际高端品牌),伺服电机(汇川) | ||||||||||
| 3 | 伺服与液压系统 | 伺服电机 | 伺服电机(7.5KW)+精密行星齿轮减速机(台湾APEX) | ||||||||
| 液压站 | 液压站功率7.5KW | ||||||||||
| 油箱容积160升 | |||||||||||
| 主件品牌 | 电磁阀德国力士乐 | ||||||||||
| 4 | 放料机 | 载重:钢卷承载 | 3吨 | ||||||||
| 撑紧方式 | 手摇连杆式,中心向外撑紧 | ||||||||||
| 刹车 | 主轴双抱紧 | ||||||||||
| 驱动 | 自动驱动送料 | ||||||||||
| 5 | 托料台 | 托料长度 | 4米 | ||||||||
| 托料方式 | 固定式托料台+储料台 | ||||||||||
| 6 | 性能参数 | 轧辊 | 材质:GCr15 | ||||||||
| 加工工艺:数控加工后热处理至HRC58-60,再精车抛光电镀 | |||||||||||
| 轴 | 材质:40Cr | ||||||||||
| 加工工艺:数控加工后调质处理HRC28-32,再精车抛光电镀 | |||||||||||
| 重量 | 整机重量约4.3吨 | ||||||||||
| 二,生产产品参数 | |||||||||||
| 1 | 生产产品规格 |
| |||||||||
| 2 | 出板速度 | 高速48米/分钟,(实际生产速度根据打孔数量) | |||||||||
| 3 | 材质适用 | G550镀锌带钢 | |||||||||
| 三,随附配件及备件 | |||||||||||
| 备件 | 附清单 | 工具 | 一套 | ||||||||
| 说明书 | 电子档集成在控制软件中 | 护罩 | 全封闭式防护罩 | ||||||||
| 设备颜色 | 主体颜色:象牙白+深蓝色,腰线:深蓝色,机架:灰黑色,上部可推拉黑色透明有机玻璃 | ||||||||||