Single Chain Drive 0.7 - 1.2mm Thick Shutter Door Roll Forming Machine Shutter Door Bottom
Shutter Door Bottom Technical Parameter
1. Steel Sheet Thickness: 0.7-1.2mm (depend on requirement )
2. Transmission way: single chain
3. Transmission material: 45# steel, high frequency quenching, circular pitch: 38.1, number of teeth:13
4. Material of blad: Cr12, quenching treatment
5. Capacity of Decoiler: 3 ton passive decoiler
6. Forming Speed: 12-15m/min
7. Roller Groups: 18 stations upper and 16 stations down
8. Roller Material: Cr40 steel precision-machined, high frequency quenching treatment, HRC58-62
9. Material: galvanized steel
10. Principal Axis: 45# high grade steel with quenching treatment
11. Main Motor Power: 7.5 Kw
12. Water cooling system
Shutter Door Bottom Main Components
| S.N | Equipment name | Quantity |
| 1. | 3T passive un-coiler | 1 set |
| 2. | Feeding and leveling device | 1 set |
| 3. | Main roll forming machine
| 1 set |
| 4. | Hydraulic cutting | 1 set |
| 5. | Control system (including control box) | 1 set |
| 6. | Out tables | 2 sets |
| 7. | Hydraulic Station | 1 set |
Advantage for Shutter Door Bottom
1. Reasonable Price
2. High Quality
3. 12 Months Warranty
4. More Than 10 Years Experience
5. Durable
6. Reliable
Working Flow of Shutter Door Bottom
Decoiler----Feeding and Leveling---Roll forming---Cutting---Run out tables

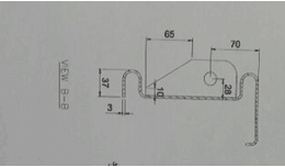
Profile and drawing

Machine pictures



