Product Overview
GB/T 880-2008 is the Chinese National Standard specifying the dimensions, technical requirements, and marking for "Clevis Pins Without Head" with nominal diameters (d) ranging from 3 mm to 100 mm. As a key component within the "pins" family of fasteners, this standard was established on February 1, 2009, superseding the older GB/T 880-1986. It is technically equivalent to the international standard ISO 2340:1986, ensuring global interoperability and interchangeability. The defining characteristic of this pin is the absence of an integrated head for axial retention. Instead, it is designed to be secured in place by separate locking devices such as split pins (cotter pins) or retaining rings, which pass through transverse holes drilled in the pin's body. This design makes it an essential, standardized solution for creating reliable, heavy-duty pivoting and hinge connections in dynamic mechanical systems.

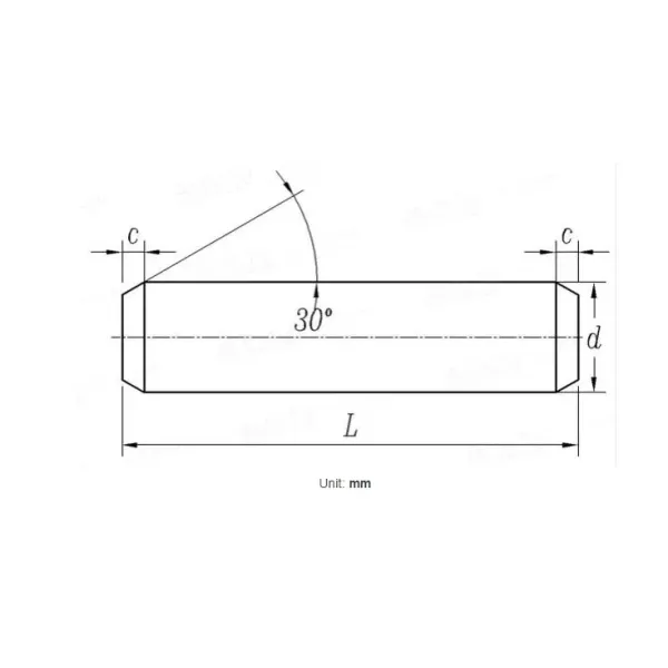
Key Specifications
The standard defines two primary product forms: the basic Type (without internal thread) and Type B (with an internal threaded hole at one end to facilitate extraction). Critical specifications include the pin's diameter (d), length (L), and the position and diameter of the transverse locking hole(s). Materials and mechanical properties are typically selected from alloy steels such as 30CrMnTi or 42CrMo, often heat-treated to achieve high surface hardness (e.g., 50-60 HRC) and a tough core, complying with performance grades outlined in related standards.
Primary Design Rationale
The headless design is intentional, providing a clean cylindrical profile that allows the pin to be inserted through aligned clevis arms or yokes. The transverse hole(s) accommodate positive locking devices like split pins, which physically prevent the pin from sliding out during operation. This configuration offers a simple, robust, and field-serviceable connection. The optional internal thread in Type B pins allows for easy installation and removal using a threaded rod or tool, significantly simplifying maintenance.
Application Profile
These pins are fundamental components in applications involving articulation and swinging motion under load. They are universally employed in the linkages of construction machinery (excavators, loaders), agricultural equipment, vehicle suspension and steering systems, and industrial valve linkages. Their use is critical wherever a dependable, shear-resistant pivot point is required that must withstand oscillating forces, shock loads, and high wear, ensuring the integrity of the mechanical joint over extended service life.






RFQ
1.How do you let me trust you?
We have own import & export right, and we are Gold member of ****** and made in china,We get credit guarantee from ****** Group. you can make an order by ****** to us directly.
2.How about your price?
High quality products with reasonable price. Please give me a inquire, I will quoted you a price for you refer at once.
3. How do you control your quality?
We require the quality control department to inspect every production link of each shipment. And we can provide you MTC and mill certificate when the goods is finished.
4.Do you accept small order?
Sure, we can accept any orders, we keep lots of stock for ALL STAINLESS STEEL FASTENER, CARBON STEEL NUT AND PART BOLT,Like hex weld nut, cage nut, wing nut, square weld nut,cap nut, hex nut,flange nut.Metric 8.8Grade,10.9Grade 12.9Grade Hex bolt and Hex Socket cap screw,Part ASME Hex cap screw.
5.How about your delivery time?
General speaking, if the goods is in stock, we can delivery them with 2-5days, If the quantity is 1-2container, we can give you with 18-25days,if the quantity is more than 2 container and you are very urgent, we can let factory priority produce your goods.
6.What is your packing?
Our packing is 20-25kg for one carton,36 or 48pcs cartons for one pallet. One pallets is about 900-960kg, We also can make customer's logo on the cartons. Or we customized cartons according to customers' requirement
7.What is your payment term?
We can accept T/T,LC for general order ,Paypal and Western union for small order or samples order.