Alloy 20 Orifice Flange Orifice Plate Size 2'-24' SCH160 1200# DN 300 ANSI, ISO, ASME
BOYUE GROUP is a professional manufacturer of steel forged flange,Spacer Flange,Paddle flange,Paddle spacer in China,Paddle blanks & Spacers,Spade Spacer,Spade and Spacers ,SPACER & SPADE FLANGE
ANSI B16.48, Also called: Line Blinds, Spacers and Blanks, Paddle Blinds, Spade Blinds
1. Alloy 20 orifice flanges brief introduction
Orifice Flanges are used with orifice meters for the purpose of measuring the flow rate of either liquids or gases in the respective pipeline. Pairs of pressure "Tappings", mostly on 2 sides, directly opposite each other, are machined into the orifice flange. This makes separate orifice carriers or tappings in the pipe wall unnecessary.
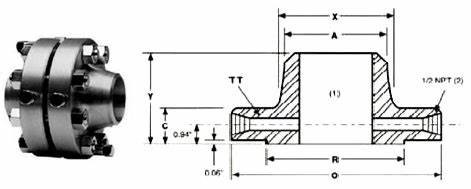
Orifice Flanges generally come with either Raised Faces or RTJ (Ring Type Joint) facings. They are, for all intensive purposes, the same as weld neck and slip on flanges with extra machining.
The image on the right shows a set Orifice Flanges, where a Orifice Plate is mounted and a jack screw is machined. This jack screw is used to facilitate separating the flanges for inspection or replacement of the Orifice Plate and gaskets.
The range of orifice flanges covers all standard sizes and ranges, and all common flange materials. Flanges are available in Welding Neck, Slip On, and Threaded form, and are typically supplied with two 1/2" NPT tappings in each flange
| PRODUCT TYPES | Flanges: Weld Neck flange, Slip On flange, Blind flange, Threaded flange, Socket Weld flange, Lap Joint flange, Ring Joint flange, Plate flange, Spectacle blind, LWN, Tube Sheet,Orifice Flange, Anchor flange. |
| Pipe Fittings: Elbow LR/SR, 45°/90°/180°;Tee Straight/Reducing; Reducer Concentric/Eccentric; Cross; Cap; Saddle | |
| STANDARDS | ANSI B16.5; ANSI/ASME B16.9; ASME B16.11; ASME B16.47, AWWA C207; EN1092-1; DIN; GOST; JIS B2220; JIS B2311; BS4504; BS10; UNI; SABS 1123 |
| MATERIALS | Carbon Steel: Flanges:-ASTM A105/105N; A36; A694 F42-F70; A350 LF1/LF2; P235GH; P245GH; P250GH; P265GH; P280GH; ST37.2; S235JR; C22.8; CT20; CT3; SS400; SF390A; SF440A; |
| Stainless Steel: Flanges: ASTM A182 F304/304L; F316/316L; F321; F51; 12X18H10T; 10X17H13M2T; SUS F304/F304L; F316/F316L; 1.4301;1.4306; 1.4401; 1.4404; 1.4521; 1.4571; Pipe Fittings: A403 WP304/304L; WP316/316L; WP317/317L; WP321; 1.4301;1.4306; 1.4401; 1.4404; 1.4521; 1.4571; SUS304/304L; SUS316/316L; SUS321; 08X18H10; 03X18H11; 12X18H10T; 10X17H13M; 10X17H13M2T | |
| Alloy Steel: ASTM A182 F11/F12/F22; 09T2C; 15X5M; SFVA F1/F1A | |
| PRESSURE | 150LB-2500LB; PN6-PN300; 1K-30K; |
| WALL THICKNESS | SCH5,SCH10S,SCH10,SCH20,SCH30,STD,SCH40,XS,SCH60, SCH80,SCH100,SCH120,SCH140,SCH160,XXS |
| SIZE | DN10-DN3000; 1/2"-144"; 10A-1500A; |
| SURFACE FINISH | Electroplate; H.D.G.; Yellow paint; Black Paint; Anti-rust oil |
2. Alloy 20 orifice flange dimensioin
| RANGE | 1" TO 24” |
| CLASS | 300# FOR WN, SO and threaded flange 600#, 900#, 1500#, 2500# FOR WN FLANGE |
| FORMS | Weld Neck Flanges, Slip On Flanges, threaded flange |
| STANDARD | ANSI B16.36 covers Dimensions and dimensional tolerances from orifice flanges (similar to those covered in ASME b16.5) that have orifice pressure differential connections. Coverage is limited to the following flanges: |
| Grade | Hastelloy: HastelloyB3/B2/X/C/C22/C276/G-30 Inconel: inconel600/625/718/725, Incoloy: incoloy800/800h/825/925, Monel: monel400/k500/404, Nickel: nickel200/201, Nitronic: Nitronic50/60, Alloy: Alloy20/28/330/31/33/75, 4J36/1J50/1J79/4J29/4J42,/3J53 Nimonic: nimonic80/80a/90/75, ETC. |
| Price Term | EXW/FOB/CFR/CIF/FCA |
| Package | Wooden case /Wooden crate |
| Delivery time | 40 Days |
3. Alloy 20 orifice flange ASTM Specifications
INCOLOY® alloy 20, Carpenter® 20 alloy, 20CB-3®
INCOLOY® is a registered trademark of the Special Metals Corporation group of companies.
Carpenter® and 20CB-3® are registered trademarks of Carpenter.
Alloy 20 is a nickel-iron-chromium based, austenitic alloy with excellent corrosion resistance in chemical environments containing sulfuric acid and many other aggressive media. This alloy is stabilized with niobium to resist intergranular corrosion. Alloy 20 may provide potential cost savings when carefully compared to higher nickel-based alloys, while out performing standard stainless steels.
Alloy 20 is used in a variety of industries, including chemical processing, petrochemical and refining, marine, pharmaceutical and food processing. End use applications include storage tanks, mixing tanks, agitators, pump and valve parts, food processing equipment, fasteners and fittings. Applications are limited to a maximum temperature of 1000°F per ASME. It is also important to determine if the necessary corrosion resistance can be achieved within the given environment.
| Alloy Steel: | ASTM A182 F1/F5/F9/F11/F22/F91/F92 Etc |
| Duplex Steel: | Duplex F51 2205 UNS S31803, Super Duplex 2507 (UNS S32750), F55 (UNS S32760) |
| Stainless Steel: | ASTM A182 F304 F304L F304H F309 F310 F310S F316 F316L F316 F316Ti F317 F317L F321 F347 F347H |
| Duplex Stainless Steel: | ASTM A182 F51/F53/F55/F60 |
| Nicke alloys: | Nickel 200, Monel 400, Inconel 600/625, Incoloy 825/800 |
| Cu-Ni: | 90/10,70/30 |
| Iron | Nickel | Chromium | Copper | Molybdenum | Manganese | Niobium* + Tantalum |
| Remainder | 32.00 to 38.00 | 19.00 to 21.00 | 3.00 to 4.00 | 2.00 to 3.00 | 2.00 max | (8 x C) to 1.00 |
| Silicon | Carbon | Phosphorus | Sulfur | |||
| 1.00 max | 0.07 max | 0.045 max | 0.035 max |
*Niobium (Nb) formerly classified as Columbium (Cb).
| Form | ASTM | ASME |
| Bar | B473 | SB473 |
| Sheet & Plate | B463 | SB463 |
| Seamless Pipe & Tube | B729 | SB729 |
| Welded Pipe | B464, B4741 | SB464, SB474 |
| Welded Tube | B468 | SB468 |
4. Alloy 20 orifice flange are matched with gasket, fasteners, orifice plate

Product Attribute
| Place of Origin | China | Brand Name | BOYUE |
| Standard | ANSI, ISO, ASME, DIN, ASTM | Type | Orifice Flange |
| ModelNumber | Alloy Steel/Carbon Steel/Stainless Steel | Thickness | #150,#300,#600,.#900,#1500,#2500 |
| Packing | Ply-Wood Cases | Payment | 30%TT+70% Balance |
Supply Ability:40000Pieces / per Month
Packaging & Delivery
Packaging Details:Generally plywooden case or following customer's requirement.
Port:Shanghai/Tianjin
Commerce Clause
| Minimum Order Quantity: | 1pcs |
| Price: | Depending on quantity |
| Payment Terms: | T/T or Western Union or LC |
| Supply Ability: | 40000pcs per month |
| Delivery Time: | 10-100 days depending on quantity |
| Packaging Details: | PLY-WOODEN CASE OR PALLET |
FAQ
Q1: Are you a factory or a trade company?
A1: We are a professional manufacturer for designing and producing of Large-size products.(View Mor)
Q2: Do you make customized products or finished parts?
A2: All parts are custom made only, and in stock, we can produce based on your drawings.
Q3: Will my drawing be e after you get it?
A3: Yes, we will not release your design to third party unless with your permission.
Q4: What is the MOQ?
A4: Small order is acceptable, but the more, the cheaper.
Q5: How about the samples?
A5: We are happy to make prototype part or sample for clients to ensure quality standard, but it’s charged according to your drawing.