Rod Eye Spherical Plain Bearing with PTFE Liner Self Lubrication Maintenance Free GE C Series
PTFE Lined Type-Metric
• Race: Carbon Steel, Heat Treated, Hard Chrome Plated, Precision Ground
• Ball: 52100 Bearing Steel Heat-Treated, Hard Chrome Plated, Precision Ground
• Liner: PTFE Lined
Rod end bearings are used on the ends of cylinders or linkages to take up misalignment between two connected parts. Both male and female configurations are available and offer optional lubricator fittings. Two-piece and four-piece Commercial and precision spherical bearings are offered as well. Spherical bearings are design to handle high radial loads.
The bearing's spherical outer housing minimizes friction and its a good solution to provide self lubrication.
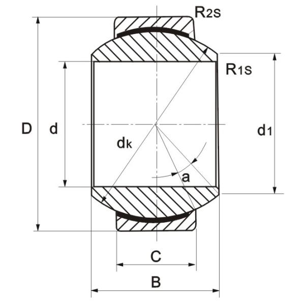
Part Number | Boundary Dimensions (mm) |
(kN) | Net Weight (kg) | ||||||||
| d | D | B | C | dk | r1s min | r2s min | α˚ | Dynamic | Static | ||
| GE4C | 4 | 12 | 5 | 3 | 8 | 0.3 | 0.3 | 16 | 2.1 | 5.4 | 0.003 |
| GE5C | 5 | 14 | 6 | 4 | 10 | 0.3 | 0.3 | 13 | 3.6 | 9.1 | 0.005 |
| GE6C | 6 | 14 | 6 | 4 | 10 | 0.3 | 0.3 | 13 | 3.6 | 9.1 | 0.004 |
| GE8C | 8 | 16 | 8 | 5 | 13 | 0.3 | 0.3 | 15 | 5.8 | 14 | 0.007 |
| GE10C | 10 | 19 | 9 | 6 | 16 | 0.3 | 0.3 | 12 | 8.6 | 21 | 0.011 |
| GE12C | 12 | 22 | 10 | 7 | 18 | 0.3 | 0.3 | 10 | 11 | 28 | 0.017 |
| GE15C | 15 | 26 | 12 | 9 | 22 | 0.3 | 0.3 | 8 | 18 | 45 | 0.026 |
| GE17C | 17 | 30 | 14 | 10 | 25 | 0.3 | 0.3 | 10 | 22 | 56 | 0.04 |
| GE20C | 20 | 35 | 16 | 12 | 29 | 0.3 | 0.3 | 9 | 31 | 78 | 0.064 |
| GE25C | 25 | 42 | 20 | 16 | 35.5 | 0.6 | 0.6 | 7 | 51 | 127 | 0.115 |
| GE30C | 30 | 47 | 22 | 18 | 40.7 | 0.6 | 0.6 | 6 | 65 | 166 | 0.149 |
| GE35C | 35 | 55 | 25 | 20 | 47 | 0.6 | 1 | 6 | 84 | 211 | 0.228 |
| GE40C | 40 | 62 | 28 | 22 | 53 | 0.6 | 1 | 7 | 104 | 262 | 0.318 |
| GE45C | 45 | 68 | 32 | 25 | 60 | 0.6 | 1 | 7 | 135 | 337 | 0.421 |
| GE50C | 50 | 75 | 35 | 28 | 66 | 0.6 | 1 | 6 | 166 | 415 | 0.562 |
| GEG4C | 4 | 14 | 7 | 4 | 10 | 0.3 | 0.3 | 20 | 3.6 | 9.1 | 0.005 |
| GEG5C | 5 | 16 | 9 | 5 | 13 | 0.3 | 0.3 | 21 | 5.8 | 14 | 0.008 |
| GEG6C | 6 | 16 | 9 | 5 | 13 | 0.3 | 0.3 | 21 | 5.8 | 14 | 0.006 |
| GEG8C | 8 | 19 | 11 | 6 | 16 | 0.3 | 0.3 | 21 | 8.6 | 21 | 0.014 |
| GEG10C | 10 | 22 | 12 | 7 | 18 | 0.3 | 0.3 | 18 | 11 | 28 | 0.021 |
| GEG12C | 12 | 26 | 15 | 9 | 22 | 0.3 | 0.3 | 18 | 18 | 45 | 0.033 |
| GEG15C | 15 | 30 | 16 | 10 | 25 | 0.3 | 0.3 | 16 | 22 | 56 | 0.049 |
| GEG17C | 17 | 35 | 20 | 12 | 29 | 0.3 | 0.3 | 19 | 31 | 78 | 0.083 |
| GEG20C | 20 | 42 | 25 | 16 | 35.5 | 0.3 | 0.3 | 17 | 51 | 127 | 0.153 |
| GEG25C | 25 | 47 | 28 | 18 | 40.7 | 0.6 | 0.6 | 17 | 65 | 166 | 0.203 |
| GEG30C | 30 | 55 | 32 | 20 | 47 | 0.6 | 1 | 17 | 84 | 211 | 0.304 |
| GEG35C | 35 | 62 | 35 | 22 | 53 | 0.6 | 1 | 16 | 104 | 262 | 0.408 |
| GEG40C | 40 | 68 | 40 | 25 | 60 | 0.6 | 1 | 17 | 135 | 337 | 0.542 |
| GEG45C | 45 | 75 | 43 | 28 | 66 | 0.6 | 1 | 15 | 166 | 415 | 0.713 |

