Block inductors, filter inductors, isolation inductors, compensated inductors
Inductors can be divided into oscillation inductors, correction inductors, kinescope deflection inductors,
Block inductors, filter inductors, isolation inductors, compensated inductors, etc. Oscillating inductors are divided into TV line oscillation coils, east-west pincushion correction coils and so on. Kinescope deflection inductors are divided into line deflection coils and field deflection coils. The choke inductors (also called choke coils) are divided into high-frequency choke coils, low-frequency choke coils, choke coils for electronic ballasts, TV line frequency choke coils, and TV airport frequency choke coils. Filter inductors are divided into power supply (power frequency) filter inductors and high-frequency filter inductors, etc.
Applications
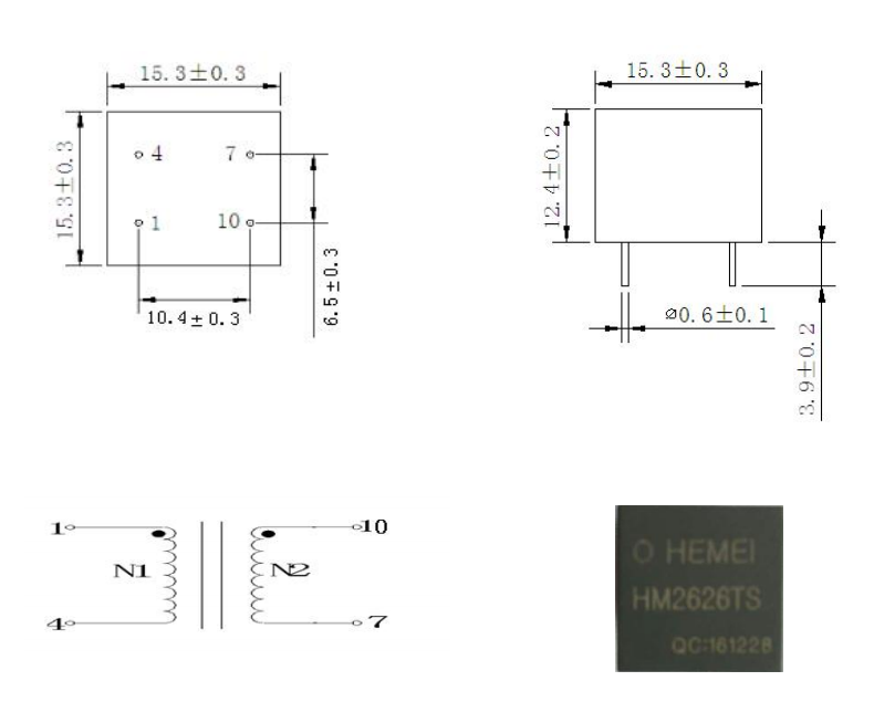
| NO | Item | Test pin | Test value | Condition |
| 1 | Inductance | 1-4 | 1mH ±25% | 100KHZ 1V CHENHWA1062A |
| 2 | DC resistance | 1-4/7-10 | 200mΩ MAX | YY2811 |
| 3 | Voltage | 1-7/4-10 | AC4000V | 2mA 50HZ CS2670A |
Diagram


