SCTK681C Series 100A High Accuracy Split Core Current Sensor Low Energy Consumption Current Transformer
1. Introduction
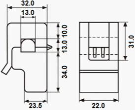
STCK691C series retro-fit (split-core) current transformer has been specially designed to facilitate theri installation in new or already existing net works. They may be installed without opening any cable or bus-bar circuit. An internal presision resistor across the secondary winding of the CT provides a low safe voltage output. It can save time and the installation costs.
2. Features
The structure of the self-locking, safe, easy to install, portable
Wide inner window, allowing clamping of big cables or bus-bar
Wide range of size to accommodate all the existing installations
3. Applications
Current measurement, monitoring and protection for electrical wiring and equipment. Current and power measurement for electric motore, lighting, air compressor, heating and ventilation system, air-condition equipment and automation-control system. Current, power and energy monitoring device. Relay protection device.
Mechanical Parameter
| Case | PA /UL94-V0 |
| Bobbin | PA |
| Core | Ferrite |
| Internal structure | Epoxy |
| Construction | Tie |
| Operating Temp | -25℃~+75℃ |
| Operating Humidity | ≤85% |
| Output Connection | 1015/22AWG Wire(twinsted wire) 1.0m |
Electrical Parameter
| Frequency | 50-20KHz |
| Rated Input | 0-100A |
| Measuring range | 5%In-130%In |
| Rated Output | 0-50mA/0-1V |
| Ratio | ≤ ± 0.5% |
| Phase angle | ≤ ±30min |
| Dielectric strength | 2.5KV/1mA/1min |
| Insulation Resistance | DC500V/100MΩmin |
Type selection
| P/N | Rated Input (A) | Output (mA/V) | Accuracy |
| SCTK681C-013 | 0-5A | 0-1V | 0.5,1.0,3.0 |
| SCTK681C-013 | 0-50A | 0-2V | 0.5,1.0,3.0 |
| SCTK681C-013 | 0-100A | 0-1V | 0.5,1.0,3.0 |
| SCTK681C-013 | 0-100A | 0-50mA | 0.5,1.0,3.0 |

Notes: Product specifications can be customized