For Auto High Voltage Ignition System , Black Plastic Spark Plug Resistor , Odorless and Durable
Product recognition:
- Widely used in electronics, auto parts, and machinery etc.
- This product is used in the ignition system of auto engine
Standard of Material
- Material----------------------------------------------------PBT
- Tensile Strength-----------------------------------------ISO527-2:1993
- Elongation at break-------------------------------------ISO527-2:1993
- Flexural Strength----------------------------------------ISO178:2004
- Flexural Modulus----------------------------------------ISO178:2004
- Izod impact strength------------------------------------ISO180:2000
- Dielectric Constant--------------------------------------IEC60250:1969
- Dielectric Strength---------------------------------------IEC60243-1:1998
- Volume Resistivity(1011)-------------------------------IEC60093:1980
- Thermal deformation temperature(1.82Mpa)-------ISO75-2:2004
- Melt flow rate(205℃)------------------------------------ISO1133:2005
- Flame Retardant-----------------------------------------UL94:2006
- Glass Fiber content-------------------------------------ISO3451-1:2008
Product Performance:
- Standard--------------------------------------------------ISO 6856 / ISO 3808
- Resistance-----------------------------------------------5KΩ±20%
- Color------------------------------------------------------Black
- Withstand voltage--------------------------------------≥30KV
- Usage temperature------------------------------------ -20℃-155℃
- Insertion and removal forces-------------------------20N-70N
- Assembly way-------------------------------------------Injection molding
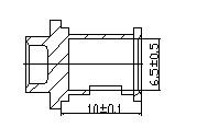
Product dimension:
- Assembly dimension: connecting ignition wire------

- Inner diameter: connecting Spark Plug--------------

Product properties
- Heat and weather resistance
- Acid and alkali resistance
- Outstanding electrical characteristics and insulating property
- Low hydroscopic property
- No obvious pungent smell
- Nontoxic
- No deformation
- No dilatation
- Be used more than 50,000 km or 3 years
Competitive advantage:
- Own CNC maching center, electrical discharging machine and other processed equipments
- Be able to produce modes by ourselves, so can design and develop specific products for customers, meet special requirements.