Drum Disc Vacuum Disc Filter Slurry Separation Machine Rotary
1. Brief Introduction
Disc filter completes separation and filtration of slurry by vacuum negative pressure. After dedicated researching and repeated tests It has advantages of small footprint, high efficiency, long life of filter cloth and easy to replace. The biggest strength is that unit area utilization of equipment is improved, and processing capacity is improved by 2-3 times compared with previous various equipment. Application industries and fields have also been widely expanded.
2. Working Principle
Disc filter consists of several to a dozen vertical discs to form a main filtration platform, and each vertical disc is composed of multiple sector filter chambers. Each sector filter chamber is an independent filtration unit, and filter cloth is covered on sector skeleton to form a filter chamber. Clockwise rotation of vertical discs is driven by gearbox, and slurry is adsorbed on the surface of sector filter chamber under the action of vacuum suction, then filter cake is formed on both sides of filter discs. As discs rotate, several areas are divided on filter distribution valve to complete further drying and dewatering of adsorbed filter cake. At the same time, according to different nature of slurry, filter cake washing, drying and other processes can be completed, and application industries and fields can be broadened. Filter cake is discharged from discharge area into discharge chute by back blowing and scraper, and the whole process is cycled continuously. The bottom of slurry tank is equipped with a parallel rotational agitation device, which reduces power consumption and achieves the best agitation effect, especially in the case of rapid slurry sedimentation. Automatic filter cloth washing device can realize filter cloth washing with high pressure water without removing filter cloth, which saves maintenance time greatly.

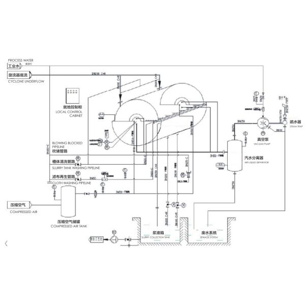
3. Technical Process

4. Advantage of Disc Filter
5. Application

6. Packing and Delivery
UNIVEE has rich experiences of products packing, loading and delivery for mutli-transporation.
Type of Packing:
| Packed in Crate / Wooden Case / Tin Lined Wooden Case / Plywood Case. |
| Packed with fumigation package |
| Packed in plastic lorap, double bister and jute rope |
7. FAQ
Q1: How to process an order for disc filter?
A: The product is customized, first of all, please provide your requirement details, our engineers will provide the prelimianry plan for your reference.
Q2: Do you offer guarantee?
A: Yes, we offer one year guarantee from the date of commissioning.
Q3. Can you offer Design Service?
A: Yes, we could design full solution drawings as per client's request.