Width 5.5m Big Capacity Press Filter Plate 3m Stacked Process Filter Type
This Press Filter is made of durable, reliable and advantage materials and instrumentation ensure the stable operation during the processing period.
Guide Roller Of Plate
Use self-developed plastic alloy roller, in ensure the strength condition, it can reach different fields requirements. Outboard bearing, easy for adjust and maintenance, reliable for operation.

High Pressure Water Washing Device
High pressure water washing cloth automatically to ensure the cloth recycle and prolong the cloth life time, reach higher filtering efficiency and save water consumption of the equipment.

| Reliable operation |
| Stable operation |
| Low consumption |
| Automatic control |
| High efficient |
| Easy operation |
| Better cloth washing effecient |
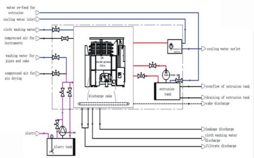
When the plates group closed, pump the slurry to filter, use distributed hose to feeding slurry to each slurry chamber, and filtrate pass through the cloth to filtrate frame and discharae out, the solid formed a cake on cloth surface.
High pressure water fed into upper chamber of rubber diaphragm, make the diaphragm expand and extruding the cake and the liquid will be extruding out from cake.
Washing water feeding into slurry chamber throuah distributed hose cover on the cake completely,under the pressure, the washing water pass throuah the cake and cloth to discharge out.
Compressed air through distributed hose feeding into slurry chamber and pressing rubber diaphragm, make the high-pressure water in the rubber diaphragm to discharge out, and the compressed air pass through cake and take liguid out to decrease the cake moisture to the lowest level.
When finished the air-drying process, open the plates group, drive system makes the cloth running and the cake discharge out on the two sides of filter at the same time.

It is widely used in urban sewage, textile printing and dyeing, electroplate, papermaking, leather, brewing, food processing, coal washing, petrochemical industry, chemistry, metallurgy, mineral separation, pharmacy, ceramic industry sludge dewatering and so on.
Shipping:
Q: What is the brand name of this press filter?
A: The brand name of this press filter is UNIVEE.
Q: What is the model number of this press filter?
A: The model number of this press filter is U-PF.
Q: Where is this press filter manufactured?
A: This press filter is manufactured in China.
Q: What is the capacity of this press filter?
A: The capacity of this press filter varies depending on the specific model and size. Please refer to the product specifications for more information.
Q: What type of materials can be filtered using this press filter?
A: This press filter is designed to filter a variety of materials, including but not limited to, chemicals, pharmaceuticals, food and beverage, and wastewater.