R Simply Constructed High Frequency Roller Vibrators Continuously Variable Series
Properties
• High torque
• Rated frequency 10’000 – 36'000 rpm
• Centrifugal force 1’070 – 12’500 N
• Continuously variable
• Can be used up to 150 °C
• Resistant to extreme environmental conditions
Field of application
• Emptying of hoppers and chutes
• Screen filters
• Conveying of particulates
• Preventing adhesions in pipelines and silos
• Transporting of fine powders
• Compacting of plastic and concrete in troughs
Wash-Down Safe
The sanitary coating system plus the tapped
exhaust make for a completely sealed Unit.
Perfect for high wash-down environments.
Construction
• Vibration created by a rotating precision-steel roller
• Shockproof plastic end plates
• Housing with 4 mounting bores, depending on the application
Applications:
Knocking off materials adhering to container walls in funnels, containers, silos and hoppers
Drives for vibrating tables and chutes
Assistance for emptying containers
Specifications:
| Model | Vibrations 1000 rpm 2bar 6bar | Centrifugal force N 2bar 6bar | Air consumption I/min 2bar 6bar | |||
| R-50 | 25 | 36 | 1070 | 4220 | 100 | 195 |
| R-65 | 19 | 26 | 2730 | 6120 | 200 | 400 |
| R-80 | 15.5 | 19 | 3000 | 7450 | 290 | 570 |
| R-100 | 11 | 16 | 3750 | 8900 | 370 | 730 |
| R-120 | 10 | 12.5 | 8000 | 12500 | 500 | 970 |
Packing:


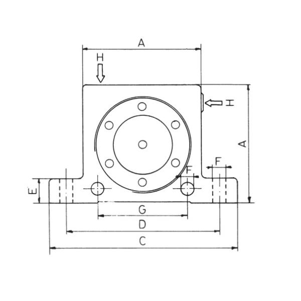
Dimension:

| Model | A | Width | C | D | E | F | G | H | Weight |
| BSP | G | ||||||||
| R-50 | 50 | 29 | 86 | 68 | 12 | 7 | 40 | 1/8" | 240 |
| R-65 | 65 | 37 | 113 | 90 | 16 | 9 | 50 | 1/4" | 545 |
| R-80 | 80 | 43 | 128 | 104 | 16 | 9 | 60 | 1/4" | 950 |
| R-100 | 100 | 52 | 160 | 130 | 20 | 11 | 80 | 3/8" | 1810 |
| R-120 | 120 | 77 | 194 | 152 | 24 | 17 | 3/8" | 4260 |
Competitive Advantage:
| Our product features: | Our Services Guarantee: |
| 1) Competitive price | 1) Prompt respond (Reply with 24 hours) |
| 2) Good quality | 2) Free Samples (Customer pay for the delivery cost) |
| 3) Professional Packaging, | 3) Registration support. |
| 4) Produce according to Customers’ instruction | 4) Photos/videos are available during production. |
| 5) None delay shipment | 5) Loading inspection, and send loading photos before shipment. |
Quality Standards :
The company for the products are brand new original products, no second-hand and refurbished products, or leave a compensable ten and return the full amount , but the buyer due to our purchase of model error is not responsible for returns, another of the company's sales of products enjoy one year from the date of shipment quality assurance , according to the original quality standards , during warranty with product problems , need confirmation testing by the manufacturer , the supplier to be solved , the demand side due to storage , use, poor maintenance caused by lower-quality product , and not raise objections
Warranty:
All item Comes with Basic 3 Month Sellers Warranty, if item defective in 3 Month, We will offer replacement without extra Charger(including shipping fee)After we Receive the Defective item.
If item Defective after 3 Month, Buyers can still send it back, We will contact suppliers or Manufactory for Warranty. Buyers Might Need to pay the Shipping fee For resend the replaced item.