WB2010-SML Electric Power Transformer Gate Drive Transformer For Converters
Testing Items:
Applications:
| Series | Feature |
| EETransformer | applied in the switching power supply,main power transformer |
| EF Transformer | applied in the switching power supply,main power transformer |
| EFD Transformer | Auxiliary powr transformer,main power transformer,choke coils |
| EPC Transformer | Auxiliary powr transformer,main power transformer |
| PQ Transformer | applied in the linear filter,choke,pulse transformer,drive transformer |
| UU Transformer | varieties of switching power supply transformer,coke coils et |
| EC/EER/ER Transformer | applied in the linear filter ,current tranformer,smoothing choke coil,drive transformer, switching power transformers and chokes |
| RM Transformer | filters, inductors and transformers for telecommunication other electronic equipment |
| POT Transformer | filters for telecommunication equipment,and various kinds of inductors and transformers |
| DR Core | Choke coils, Peaking coils, Linearity coils, Alarm coils, Power choke coils, Fixed choke coils, Filtering coils,etc; |
| EI Transformer | Various kinds of transformers and chokes. |
| TOROIDAL core | Pulse and wide-band transformers, various types of filters, inductors and chokes. |
| Part number | Impedance ratio2 pri : sec | IDC max (mA) | Frequency (MHz) | Pri (pins 1–3) | Sec (pins 6–4) | |||
| Through-hole | Surface mount | L min3 (μH) | DCR max (Ohms) | L min3 (μH) | DCR max (Ohms) | |||
| WB1010-PCL | WB1010-SML_ | 1 : 1 | 250 | 0.005 – 100 | 780 | 0.320 | 780 | 0.320 |
| WB1010-1-PCL | WB1010-1-SML_ | 1 : 1 | 250 | 0.04 – 175 | 95 | 0.200 | 95 | 0.200 |
| WB1015-PCL | WB1015-SML_ | 1.5 : 1 | 250 | 0.1 – 150 | 80 | 0.145 | 51 | 0.130 |
| WB1040-PCL | WB1040-SML_ | 4 : 1 | 250 | 0.2 – 300 | 95 | 0.160 | 25 | 0.115 |
| WB2010-PCL | WB2010-1-SML_ | 1 : 1 | 250 | 0.005 – 100 | 780 | 0.320 | 780 | 0.320 |
| WB2010-1-PCL | WB2010-1-SML_ | 1 : 1 | 250 | 0.04 – 175 | 95 | 0.200 | 95 | 0.200 |
| WB2040-PCL | WB2040-SML_ | 4 : 1 | 250 | 0.2 – 300 | 95 | 0.160 | 25 | 0.115 |
| WB3010-PCL | WB3010-SML_ | 1 : 1 | 250 | 0.005 – 100 | 780 | 0.320 | 780 | 0.320 |
| WB3010-1-PCL | WB3010-1-SML | 1 : 1 | 250 | 0.04 – 175 | 95 | 0.200 | 95 | 0.200 |
| WB3015-PCL | WB3015-SML_ | 1.5 : 1 | 250 | 0.1 – 150 | 80 | 0.145 | 51 | 0.130 |
| WB3040-PCL | WB3040-SML_ | 4 : 1 | 250 | 0.2 – 300 | 95 | 0.160 | 25 | 0.115 |
WB2010-SML Electric Power Transformer Gate Drive Transformer For Converters
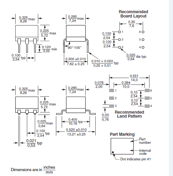
Shape and Dimensions:

Product picture:

WB2010-SML Electric Power Transformer Gate Drive Transformer For Converters
HOW TO ORDER
1. Please send me your datasheet or part number you need.
2. We will offer the replacement quotation for your reference
3. The free samples are available for your approval.
4. After sample testing, we will step into the mass order.
5. The Proforma Invoice will send for your confirmation
6. After the goods finished, we send the goods to you and tell you the tracking number.
7. We will track your goods until you receive the goods.
Remarks:
1. Sample orders are avaliable.
2. Price is negotiable for orders of large quantity.
3. Customized orders (OEM/ODM orders) are avaliable.
4. Contact us for available flavors list. International Certifications:
1. ISO9001:2008
2. UL
3. Reach
4. RoHs
Our service:
1. 100% tested before shipping
2. Have alternative for Halo, Pluse, , We-online, Chilisin, Coilcraft......Same quality but better price
3. Free sample available
4. Provide new design for customer