WB1010-SML Surface Mount Wideband RF Transformers Gate Drive Transformer
Power type driver transformer:
Feature:
Core material: Ferrite
Terminations: RoHS compliant matte tin over nickel over phosbronze. Other terminations
available at additional cost.
Weight : 0.37 – 0.39 g
Ambient temperature: –40°C to +85°C
Storage temperature Component: –40°C to +85°C.
Tape and reel packaging: –40°C to +80°C
Resistance to soldering heat : Max three 40 second reflows at
+260°C, parts cooled to room temperature between cycles
Moisture Sensitivity Level (MSL): 1 (unlimited floor life at <30°C /
85% relative humidity)
Failures in Time (FIT) / Mean Time Between Failures (MTBF):
60 per billion hours / 16,666,667 hours, calculated per Telcordia SR-332
Packaging (SM version): 500 per 13″ reel;
Testing Items:
Applications:
| Part number | Impedance | IDC max (mA) | Frequency (MHz) | Pri (pins 1–3) | Sec (pins 6–4) | |||
| Through-hole | Surface mount | L min3 | DCR max | L min3 | DCR max | |||
| WB1010-PCL | WB1010-SML_ | 1 : 1 | 250 | 0.005 – 100 | 780 | 0.320 | 780 | 0.320 |
| WB1010-1-PCL | WB1010-1-SML_ | 1 : 1 | 250 | 0.04 – 175 | 95 | 0.200 | 95 | 0.200 |
| WB1015-PCL | WB1015-SML_ | 1.5 : 1 | 250 | 0.1 – 150 | 80 | 0.145 | 51 | 0.130 |
| WB1040-PCL | WB1040-SML_ | 4 : 1 | 250 | 0.2 – 300 | 95 | 0.160 | 25 | 0.115 |
| WB2010-PCL | WB2010-1-SML_ | 1 : 1 | 250 | 0.005 – 100 | 780 | 0.320 | 780 | 0.320 |
| WB2010-1-PCL | WB2010-1-SML_ | 1 : 1 | 250 | 0.04 – 175 | 95 | 0.200 | 95 | 0.200 |
| WB2040-PCL | WB2040-SML_ | 4 : 1 | 250 | 0.2 – 300 | 95 | 0.160 | 25 | 0.115 |
| WB3010-PCL | WB3010-SML_ | 1 : 1 | 250 | 0.005 – 100 | 780 | 0.320 | 780 | 0.320 |
| WB3010-1-PCL | WB3010-1-SML | 1 : 1 | 250 | 0.04 – 175 | 95 | 0.200 | 95 | 0.200 |
| WB3015-PCL | WB3015-SML_ | 1.5 : 1 | 250 | 0.1 – 150 | 80 | 0.145 | 51 | 0.130 |
| WB3040-PCL | WB3040-SML_ | 4 : 1 | 250 | 0.2 – 300 | 95 | 0.160 | 25 | 0.115 |
WB1010-SML Surface Mount Wideband RF Transformers Gate Drive Transformer
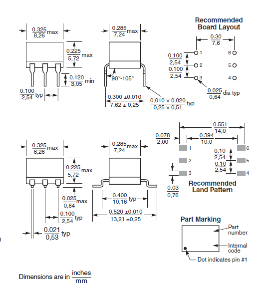
Shape and Dimensions:
Product picture:
WB1010-SML Surface Mount Wideband RF Transformers Gate Drive Transformer
HOW TO ORDER
1. Please send me your datasheet or part number you need.
2. We will offer the replacement quotation for your reference
3. The free samples are available for your approval.
4. After sample testing, we will step into the mass order.
5. The Proforma Invoice will send for your confirmation
6. After the goods finished, we send the goods to you and tell you the tracking number.
7. We will track your goods until you receive the goods.
Remarks:
1. Sample orders are avaliable.
2. Price is negotiable for orders of large quantity.
3. Customized orders (OEM/ODM orders) are avaliable.
4. Contact us for available flavors list. International Certifications:
1. ISO9001:2008
2. UL
3. Reach
4. RoHs
Our service:
1. 100% tested before shipping
2. Have alternative for Halo, Pluse, , We-online, Chilisin, Coilcraft......Same quality but better price
3. Free sample available
4. Provide new design for customer