T1218 Ethernet Lan Transformer with Common Mode for enhanced EMC performance
Description:
T1/E1/CEPT/ISDN-PRI INTERFACE MODULES Dual Surface Mount Transformer Modules,1500Vrms, Extended Temperature Range.
Feature:
| Electrical Specifications @ 25°C | ||||||
| Part No. | Turns Ratio (Pri:Sec ± 2%) | Secondary OCL @ 25°C (mH MIN) | LL (μH MAX) | CW/W (pF MAX) | DCR Pri (Ω MAX) | Primary Pins |
| EXTENDED TEMPERATURE RANGE MODELS1 – OPERATING TEMPERATURE -40°C TO +85°C | ||||||
| T1207 | 1CT:2CT & 1CT:2CT | 1.20 | .60 | 25 | .60 | 1-3, 4-6 |
| T1208 | 1CT:2CT & 1CT:1.36CT | 1.20 | .60 | 30 | .70 | 1-3, 4-6 |
| T1209 | 1CT:1.15CT & 1CT:2CT | 1.20 | .60 | 35 | .80 | 1-3, 4-6 |
| T1210 | 1CT:1.26CT & 1CT:2CT | 1.20 | .60 | 30 | .80 | 1-3, 4-6 |
| T1220 | 1CT:1CT & 1CT:1CT | 1.20 | .60 | 35 | .90 | 1-3, 4-6 |
| T1211 | 1CT:1.15CT & 1CT:1.15CT | 1.20 | .60 | 35 | .80 | 1-3, 4-6 |
| T1212 | 1CT:1CT & 1CT:2CT | 1.20 | .60 | 35 | .90 | 1-3, 4-6 |
| T1213 | 1CT:1.15CT & 1CT:1CT | 1.20 | .60 | 35 | .90 | 1-3, 4-6 |
| T1214 | 1CT:1.36CT & 1CT:1.36CT | 1.20 | .60 | 30 | .80 | 1-3, 4-6 |
| T1215 | 1CT:1.41CT & 1CT:1.41CT | 1.20 | .60 | 30 | .70 | 1-3, 4-6 |
| T1216 | 1CT:2.3CT & 1CT:2CT | 1.20 | .60 | 25 | .60 | 1-3, 4-6 |
| T1217 | 1CT:2.42CT & 1CT:2.42CT | 1.20 | .60 | 25 | .60 | 1-3, 4-6 |
| T1218 | 1CT:1CT & 1CT:1.36CT | 1.20 | .60 | 35 | .90 | 1-3, 4-6 |
| T1219 | 1CT:2.4CT & 1CT:1CT | 1.20 | .60 | 35 | .90 | 1-3, 4-6 |
T1218 Ethernet Lan Transformer with Common Mode for enhanced EMC performance
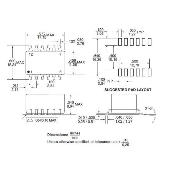
Shape and Dimensions:

Product Picture:

T1218 Ethernet Lan Transformer with Common Mode for enhanced EMC performance
HOW TO ORDER
1. Please send me your datasheet or part number you need.
2. We will offer the replacement quotation for your reference
3. The free samples are available for your approval.
4. After sample testing, we will step into the mass order.
5. The Proforma Invoice will send for your confirmation
6. After the goods finished, we send the goods to you and tell you the tracking number.
7. We will track your goods until you receive the goods.
Remarks:
1. Sample orders are avaliable.
2. Price is negotiable for orders of large quantity.
3. Customized orders (OEM/ODM orders) are avaliable.
4. Contact us for available flavors list. International Certifications:
1. ISO9001:2008
2. UL
3. Reach
4. RoHs
Our service:
1. 100% tested before shipping
2. Have alternative for Halo, Pluse, , We-online, Chilisin, Coilcraft......Same quality but better price
3. Free sample available
4. Provide new design for customer