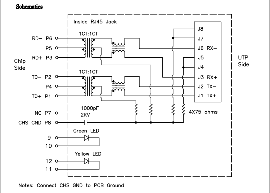
HR911105A 10/100/1000Baase Single Port Magnetics RJ45 Jack with Module and LED
Product Details:
Electrical Specification @25℃
-16dB Maximum @10MHz-30MHz
-12dB Maximum @30MHz-60MHz
-10dB Maximum @60MHz-80MHz
-20dB Maximum @50MHz-150MHz
-35dB Maximum @30MHz-60MHz
-30dB Maximum @60MHz-100MHz
HR911105A 10/100/1000Baase Single Port Magnetics RJ45 Jack with Module and LED



HR911105A 10/100/1000Baase Single Port Magnetics RJ45 Jack with Module and LED
HOW TO ORDER
1. Please send me your datasheet or part number you need.
2. We will offer the replacement quotation for your reference
3. The free samples are available for your approval.
4. After sample testing, we will step into the mass order.
5. The Proforma Invoice will send for your confirmation
6. After the goods finished, we send the goods to you and tell you the tracking number.
7. We will track your goods until you receive the goods.
Remarks:
1. Sample orders are avaliable.
2. Price is negotiable for orders of large quantity.
3. Customized orders (OEM/ODM orders) are avaliable.
4. Contact us for available flavors list. International Certifications:
1. ISO9001:2008
2. UL
3. Reach
4. RoHs
Our service:
1. 100% tested before shipping
2. Have alternative for Halo, Pluse, , We-online, Chilisin, Coilcraft......Same quality but better price
3. Free sample available
4. Provide new design for customer