H2009NL SMT Ethernet Lan Transformer Specially Designed For Power
Product Description:
POWER OVER ETHERNET (PoE) MAGNETICS 10/100BASE-TX VoIP Magnetics Modules
Features:
Electrical Specifications @ 25°C — Operating Temperature 0°C to 70°C
| Part Number | Ports | Insertion Loss (dB MAX) | Return Loss (dB MIN @ 100 Ω) | Differential to Common Mode Rejection (dB MIN | Cross Talk (dB MIN) | Hipot (Vrms MIN)) | DC < (%) | |||||||
| 1-100 MHz | 1-30 MHz | 40 MHz | 50 MHz | 60-80 MHz | 30 MHz | 60 MHz | 100 MHz | 30 MHz | 60 MHz | 100 MHz | ||||
| H1187NL | 1 | -1.2 | -16 | -14 | -13 | -12 | -43 | -37 | -33 | -45 | -40 | -35 | 1500 | — |
| H1197NL | 1 | -1.2 | -16 | -14 | -13 | -12 | -43 | -37 | -33 | -45 | -40 | -35 | 1500 | — |
| H2019NL | 1 | -1.2 | -16 | -14 | -13 | -12 | -43 | -37 | -33 | -45 | -40 | -35 | 1500 | 3.5 |
| H2005ANL | 2 | -1.2 | -16 | -14 | -13 | -12 | -50 | -43 | -35 | -43 | -37 | -33 | 1500 | 3.5 |
| H2006ANL | 2 | -1.2 | -16 | -14 | -13 | -12 | -43 | -37 | -33 | -43 | -37 | -31 | 1500 | 3.5 |
| H2008NL | 2 | -1.2 | -16 | -14 | -13 | -12 | -40 | -35 | -30 | -43 | -37 | -33 | 1500 | 3.5 |
| H2009NL | 2 | -1.1 | -16 | -14 | -13 | -12 | -43 | -37 | -33 | -43 | -37 | -33 | 1500 | 3.5 |
| H2014NL | 4 | -1.2 | -16 | -14 | -13 | -12 | -43 | -37 | -33 | -45 | -40 | -35 | 1500 | 3.5 |
| H2017NL | 4 | -1.2 | -16 | -14 | -13 | -12 | -43 | -37 | -33 | -45 | -40 | -35 | 1500 | 3.5 |
| HX2019NL | 1 | -1.4 | -16 | -14 | -13 | -12 | -43 | -37 | -33 | -45 | -40 | -35 | 1500 | 3.5 |
1. Extended operating temperature (-40°C to +85°C)
2. MSL (Moisture Sensitivity Level): a = 1, b = 2, c = 3, d = 4, e = 5
H2009NL SMT Ethernet Lan Transformer Specially Designed For Power
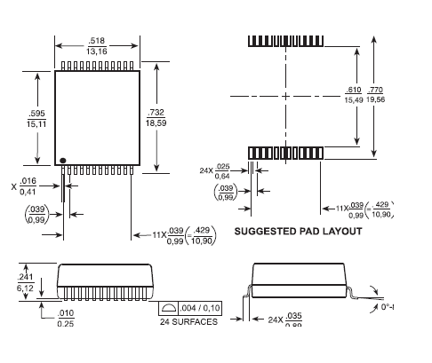
Shape and Dimensions:

Product Picture:

H2009NL SMT Ethernet Lan Transformer Specially Designed For Power
HOW TO ORDER
1. Please send me your datasheet or part number you need.
2. We will offer the replacement quotation for your reference
3. The free samples are available for your approval.
4. After sample testing, we will step into the mass order.
5. The Proforma Invoice will send for your confirmation
6. After the goods finished, we send the goods to you and tell you the tracking number.
7. We will track your goods until you receive the goods.
Remarks:
1. Sample orders are avaliable.
2. Price is negotiable for orders of large quantity.
3. Customized orders (OEM/ODM orders) are avaliable.
4. Contact us for available flavors list. International Certifications:
1. ISO9001:2008
2. UL
3. Reach
4. RoHs
Our service:
1. 100% tested before shipping
2. Have alternative for Halo, Pluse, , We-online, Chilisin, Coilcraft......Same quality but better price
3. Free sample available
4. Provide new design for customer