1000Base-T Magnetic Transformers H5138NL for Set-top Boxes Routers and SOHOs
Description:
Electrical Specifications @ 25°C - Operating Temperature 0°C to +70°C
| Part Number | Insertion Loss (dB MAX) | Return Loss (dB MIN @ 100 Ω) | Differential to Common Mode Rejection (dB MIN) | Crosstalk (dB MIN) | Hipot (Vrms MIN) | |||||||
| 1-100 MHz | 1-30 MHz | 40-50 MHz | 60-80 MHz | 100 MHz | 30 MHz | 60 MHz | 100 MHz | 30 MHz | 60 MHz | 100 MHz | ||
| H5138NL | -1.0 | -18 | -16 | -12 | -10 | -43 | -37 | -33 | -45 | -40 | -35 | 1500 |
| H5149NL | -1.0 | -18 | -16 | -12 | -10 | -43 | -37 | -33 | -45 | -40 | -35 | 1500 |
| HX5149NL | -1.0 | -16 | -14.4 | -12 | -10 | -43 | -37 | -33 | -45 | -40 | -35 | 1500 |
1000Base-T Magnetic Transformers H5138NL for Set-top Boxes Routers and SOHOs
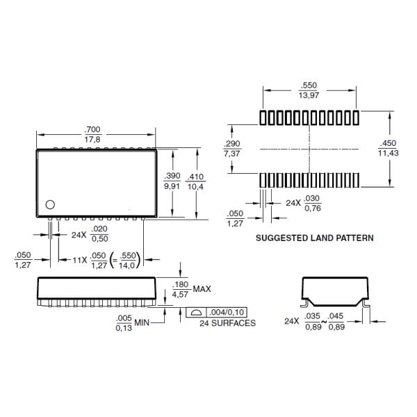
Shape and Dimensions:
