Brushed DC Planetary Gear Motor 36JXL50K.36ZYT Series
Motor General Specifications:
Bearing: High Quality Ball Bearing
Magnet: Hard Ferrite Magnet, 2- Poles
Protection Class: IP50 (Option for IP54)
Insulation Class: Class F / Working Temperature: -40℃~+140℃
Option: Customized Voltage Performance Mounting and Shaft
36ZYT Motor Main Technical Specification:
| Model | Unit | 36ZYT01A | 36ZYT02A | 36ZYT03A |
| Rated Voltage | VDC | 24v (option for 12v up to 48vdc)
| ||
| No Load Speed | Rpm | 3800 | 3800 | 3800 |
| Rated Speed | Rpm | 3000 | 3000 | 3000 |
| Rated Torque | mN.m | 20 | 30 | 40 |
| Rated Current | A | 0.4 | 0.6 | 0.8 |
| Output Power | W | 6.3 | 9.4 | 12.6 |
| Weight | g | 260 | 300 | 340 |
| Motor Length | Mm | 60 | 70 | 80 |
36JXL50K Planetary Gearbox Specifications:
| Ring Material | Powder Metal |
| Bearing at Output | all bearings |
| Max. Radial Load (10mm from Flange) | ≤ 100N |
| Max. Shaft Axial Load | ≤ 50N |
| Radial Play of Shaft (Near to Flange) | ≤0.07mm |
| Axial Play of Shaft | ≤0.3mm |
| Backlash at No-load) | ≤2.5° |
| Max Shaft Press Fit Force | ≤ 120N |
| Reduction Ratio | Max Nominal Torque Permitted | Max Momentary Torque Permitted | Efficiency | L(mm) | Weight(g) |
| 1/14 1/19 1/22 1/27 1/35 | 2.0 N.m | 6 N.m | 81% | 38.4±0.5 | 240 |
| 1/49 1/59 1/68 1/82 1/95 1/115 | 4.0 N.m | 10 N.m | 73% | 45.7±0.5 | 280 |
| 1/181 1/218 1/253 1/305 1/354 1/426 1/495 1/596 | 5 N.m | 12 N.m | 66% | 53.0±0.5 | 330 |
36JXL50K.36ZYT01A Planetary Gear Motor Specifications:
| Reduction ratio | Unit | 14 | 19 | 22 | 27 | 35 | 49 | 59 | 68 | 82 | 95 | 115 | 181 | 218 | 253 | 305 | 354 | 426 | 495 | 596 |
| Efficiency | 81% | 81% | 81% | 81% | 81% | 73% | 73% | 73% | 73% | 73% | 73% | 66% | 66% | 66% | 66% | 66% | 66% | 66% | 66% | |
| No Load Speed | Rpm | 271.4 | 200.0 | 172.7 | 140.7 | 108.6 | 77.6 | 64.4 | 55.9 | 46.3 | 40.0 | 33.0 | 21.0 | 17.4 | 15.0 | 12.5 | 10.7 | 8.9 | 7.7 | 6.4 |
| Rated Torque | Nm | 0.2 | 0.3 | 0.4 | 0.4 | 0.6 | 0.7 | 0.9 | 1.0 | 1.2 | 1.4 | 1.7 | 2.4 | 2.9 | 3.3 | 4.0 | 4.7 | 5.0 | 5.0 | 5.0 |
| Rated Speed | Rpm | 214.3 | 157.9 | 136.4 | 111.1 | 85.7 | 61.2 | 50.8 | 44.1 | 36.6 | 31.6 | 26.1 | 16.6 | 13.8 | 11.9 | 9.8 | 8.5 | 7.0 | 6.1 | 5.0 |
36JXL50K.36ZYT02A Planetary Gear Motor Specifications:
| Reduction ratio | Unit | 14 | 19 | 22 | 27 | 35 | 49 | 59 | 68 | 82 | 95 | 115 | 181 | 218 | 253 | 305 | 354 | 426 | 495 | 596 |
| Efficiency | 81% | 81% | 81% | 81% | 81% | 73% | 73% | 73% | 73% | 73% | 73% | 66% | 66% | 66% | 66% | 66% | 66% | 66% | 66% | |
| No Load Speed | Rpm | 271.4 | 200.0 | 172.7 | 140.7 | 108.6 | 77.6 | 64.4 | 55.9 | 46.3 | 40.0 | 33.0 | 21.0 | 17.4 | 15.0 | 12.5 | 10.7 | 8.9 | 7.7 | 6.4 |
| Rated Torque | Nm | 0.3 | 0.5 | 0.5 | 0.7 | 0.9 | 1.1 | 1.3 | 1.5 | 1.8 | 2.1 | 2.5 | 3.6 | 4.3 | 5.0 | 5.0 | 5.0 | 5.0 | 5.0 | 5.0 |
| Rated Speed | Rpm | 214.3 | 157.9 | 136.4 | 111.1 | 85.7 | 61.2 | 50.8 | 44.1 | 36.6 | 31.6 | 26.1 | 16.6 | 13.8 | 11.9 | 9.8 | 8.5 | 7.0 | 6.1 | 5.0 |
36JXL50K.36ZYT03A Planetary Gear Motor Specifications:
| Reduction ratio | Unit | 14 | 19 | 22 | 27 | 35 | 49 | 59 | 68 | 82 | 95 | 115 | 181 | 218 | 253 | 305 | 354 | 426 | 495 | 596 |
| Efficiency | 81% | 81% | 81% | 81% | 81% | 73% | 73% | 73% | 73% | 73% | 73% | 66% | 66% | 66% | 66% | 66% | 66% | 66% | 66% | |
| No Load Speed | Rpm | 271.4 | 200.0 | 172.7 | 140.7 | 108.6 | 77.6 | 64.4 | 55.9 | 46.3 | 40.0 | 33.0 | 21.0 | 17.4 | 15.0 | 12.5 | 10.7 | 8.9 | 7.7 | 6.4 |
| Rated Torque | Nm | 0.5 | 0.6 | 0.7 | 0.9 | 1.1 | 1.4 | 1.7 | 2.0 | 2.4 | 2.8 | 3.4 | 4.8 | 5.0 | 5.0 | 5.0 | 5.0 | 5.0 | 5.0 | 5.0 |
| Rated Speed | Rpm | 214.3 | 157.9 | 136.4 | 111.1 | 85.7 | 61.2 | 50.8 | 44.1 | 36.6 | 31.6 | 26.1 | 16.6 | 13.8 | 11.9 | 9.8 | 8.5 | 7.0 | 6.1 | 5.0 |
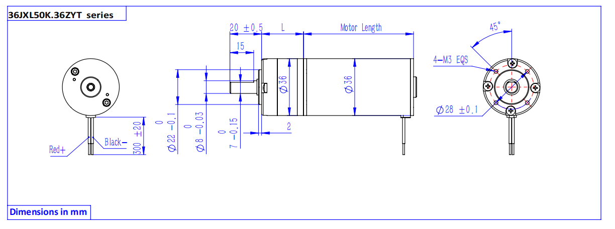
Gear Motor Drawing:
