IEC 60529 Fig 2 IP5X And IP6X Sand And Dust Test Chamber 2000L PLC Control
Product information:
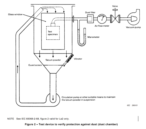
The test device is suitable for sealing parts and enclosure’s sand and dust resistance capacity testing of the electrical and electronic products, car and motorcycles spare parts and seals. In order to detect the use, storage, transport performance of the electrical and electronic products, car and motorcycles spare parts and seals under the sand and dust environment.
The test equipment uses intelligent and humanized PLC control system, the inner of the test equipment is made of high quality SUS304 stainless steel, the enclosure is A3 plate electrostatic spraying. And it also has large observation window and manual wiper device. The security protection is good.
The sand and dust test chamber is designed and manufactured according to IEC60529 Fig 2 IP5X and IP6X, GOST 14254-2015 figure 8 and etc.
Equipment features:
1. There is a funnel on each side of the interior, with a capacity of 6 kg of powder. The middle flat adopts a dust brush structure, and the dust is brushed into the funnels on both sides through the dust brush structure.
2. There is a dust rotating and feeding device at the air inlet end of the studio to meet the needs of blowing dust.
3. The circulating air duct is equipped with a heating and dehumidification device.
4. There is an observation window on the door. The test box has double doors and is sealed with double-layer aging-resistant silicone rubber.
5. The outer wall material of the test room and the cyclonic air duct is high-strength double-sided galvanized steel plate with surface fine powder paint, the inner wall is processed and formed by SUS304 stainless steel plate, and the frame is 10# square tube anti-rust treatment and sprayed.
6. The temperature control adopts an intelligent controller with 7” touch screen.
Technical Parameters:
| |
| 1.1 Inner chamber effective capacity | Approx. 2m³ |
| 1.2 Inner chamber sizes | 2000*1000*1000mm(W*D*H) |
| 1.3 External chamber sizes | Approx. 2400*1500*1900 mm(W*D*H) |
| 2. Function parameters | |
| 2.1 Working room temperature | RT+10℃~+70℃ |
| 2.2 Product vacuum degree | ≤60KPa |
| 2.3 Dust composition | Talcum powder |
| 2.4 Dust particle composition | Dry talc that can pass through a square mesh sieve with a mesh size of 75µm and a wire diameter of 50µm Additional 32 μm and 250 μm sieves will be offered |
| 2.5 Dust concentration | 2~4kg/m3 |
| 2.6 Air flow meter | Digital flow meter |
| 2.7 Air flow rate | 1.5 m/s (Adjustable range: 0 ~ 4.99 m/s) |
| 2.8 Time Control | Dust blowing control cycle: 1s ~ 99h (adjustable), test time: 1s ~ 99h (adjustable), vibration time: 1S ~ 99H (adjustable) |
| 2.9 Metal Screen | Nominal wire diameter: ≥50μm, standard spacing between wires: ≥75μm. |
| 2.10 Sand and dust air circulation device | The circulating air duct and high-power mixed flow fan have an exhaust volume of 80 times the volume of the sample’s shell, and the exhaust speed does not exceed 60 times the volume of the shell per hour. The air flow speed can make the dust evenly distributed in the test chamber. The air flow in the test chamber is mainly vertical airflow from top to bottom, rather than laminar flow. |
| 2.11 Sample rack | 2 pcs -The presence of one shelf with the possibility of installation at different heights, made of perforated stainless steel panels with a load capacity of at least 50 kg -Metal panel of the floor of the test compartment, must provide a load capacity of at least 200 kg |
| 2.12 Dust drying system | The equipment is equipped with a dust drying and heating device. There is a heating button on the controller control screen. When the dust is found to be a little damp during the test, the heating button on the control screen can be turned on to start the dust heating device to dry the dust. The button can be turned off after the dust is dry. The drying process will not affect the test process, effectively ensuring the dust concentration in the test chamber and the accuracy of the test data. |
| 2.13 Dust replacement method | Manually change dust, dust can be easily replaced at any time |
| 3. Cabinet Configuration | |
| 3.1 Library material | a) Shell: Made of 1.0mm high-quality color steel plate, the outer surface is painted, and the color is white. b) Insulation layer: 100mm polyurethane foam. C) Inner chamber: Made of 1.2mm thick SUS 304 stainless steel plate.
|
| 3.2 Chamber door | a) 1 set of manual double doors, with a large observation window and a dust wiper on the door. b) Install one observation window for each door (2 pieces in total), (W/H) 300/400mm c) The observation window uses multi-layer explosion-proof glass. d) Install double-layer high and low temperature resistant sealing silicone strips on the door. |
| 3.3 Principle of dust test | Dust blowing method from top to bottom (vertical), the dust blowing time can be controlled by program
|
| 3.4 Dust test device |
|
| 3.5 Lead hole | a) The equipment is equipped with a φ120 mm test hole b) The test hole is equipped with a sealant plug and a stainless steel hole cover. |
| 3.6 Lighting | a) Install LED lighting fixtures on the top of the studio for observation. b) The lighting switch button is designed on the control panel of the control cabinet. c) The normal use time of the lighting lamp is ≥1000H. |
| 3.7 Vacuum system | a) Vacuum pump: single-stage rotary vane vacuum pump (2HP) b) Sensor: equipped with electronic differential pressure sensor, the differential pressure of the test piece can be controlled by the pressure regulating valve to meet the corresponding test requirements. c) The vacuum system consists of a vacuum pump, vacuum pipeline, vacuum U-type pressure indicator, air flow meter, etc. It is equipped with a pressure gauge, air filter, pressure regulating triplet, and connecting pipe. d) Vacuum pipeline: The pipeline system consists of copper pipes, rubber hoses, and air filter pressure regulating valves. e) U-type pressure indicator: differential pressure display. f) Air flow meter: glass rotor flow meter to measure the evacuation rate |
| 3.8 Dust drying system | a) A heating system is designed inside the studio for dehumidification during testing. b) The heater uses finned stainless steel heating tubes, which are fixed on the left and right sides of the box, and the surface is protected by perforated stainless steel plates. c) The heater is driven by a solid-state relay and automatically adjusted through PID to control the temperature in the working room.
|
| 3.9 Other | The shell to be tested is placed in the test chamber, and a vacuum pump is used to keep the pressure inside the shell below atmospheric pressure. The air pressure in the test chamber can also be changed to achieve periodic changes in the air pressure in the test chamber. |
| 4.Control system | |
| 4.1 Controller | Programmable LCD touch screen controller that can record laboratory temperature and relative humidity |
| 4.2 Program execution | With four output points, four different time program executions can be completed at the same time |
| 4.3 Time control | Each output point of the programmable controller has two time period controls (i.e. start time and stop time) |
| 4.4 Time control method | The dust blower, dust vibration and total test time can be controlled individually or collectively. |
| 4.5 Test time | The maximum is 9999 minutes |
| 4.6 Communication interface | RS-232 |
| 4.7 Temperature measurement | High-precision Class A PT100 platinum resistance sensor |
| 5. Conditions of use and protective devices | |
| 5.1 Conditions of use | a) Environmental requirements: ambient temperature: -5℃~40℃; relative humidity: ≤90%RH; atmospheric pressure: 86kPa~106kPa b) Power requirements: Voltage: 380V AC (±10%), three-phase wire + protective ground wire, ground resistance ≤ 4Ω Frequency: 50Hz±10% c) Operating power: about 26KW, subject to final design |
| 5.2 Protection devices | a) Air switch: overcurrent, overheating and short circuit. b) Heating system: leakage, short circuit and overload protection, etc. c) Studio: Adjustable over-temperature protection --- over-temperature protection mode 1 The controller sets over-temperature shutdown alarm --- over-temperature protection mode 2 d) Total power supply phase sequence and phase loss protection e) Leakage protection f) Equipped with three-color lights with sound and light alarm function and door locking function g) When the protection function is implemented, the operation panel will display the alarm number on the LCD display to inform the user what kind of fault has occurred and cut off the main circuit power supply. The equipment can only be started after the fault is eliminated. h) There is an interlock device in the electrical control system. When the circulation fan does not start or is overloaded, the refrigeration unit and heating system cannot start. The refrigeration unit will be disabled when the unit is under ultra-high pressure, ultra-low pressure, or overload, and the humidifier cannot be started when there is water shortage. i) Auxiliary functions: time signal function, input disconnection detection function, power outage protection function, upper and lower limit temperature and humidity alarm function, refrigeration system automatic operation function, self-diagnosis function, water cutoff detection function, alarm display function, timing function (automatic start, automatic stop), backup operation function, help function |


