JIS F 2030 A Casting Steel Single Point Mooring Chock Bulwark Mounted Ship Towing Equipment
Description:
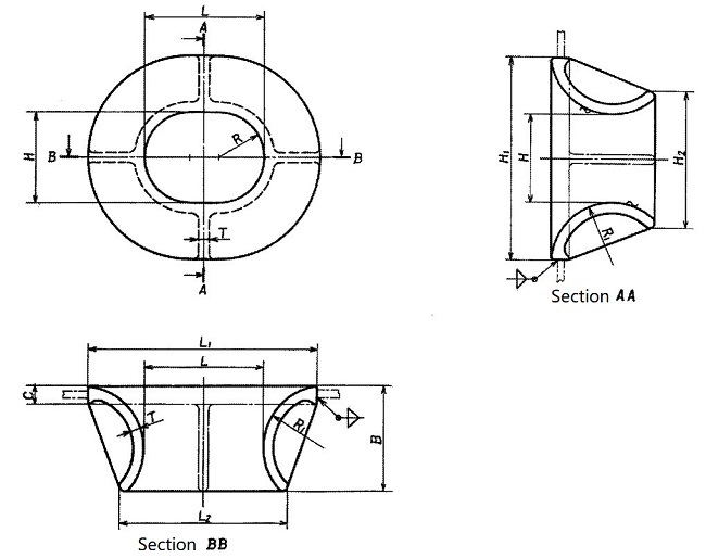
JIS F 2030 A casting steel single point mooring chock is a bulwark mounted type chock and designed for ship SPM system. It is welded on the bow bulwark which chafe chain passing though. The chock is made of casting steel with good ductile and strength and hardness by proper heat treatment. The surface is roundly smooth. The chock should be preheated before welding on the hull structure. We carry out MT test for the casting to make sure there is crack on the casting.
Main Technical Specification:
Main Technical Parameters:
| Nominal size | L | L1 | L2 | H | H1 | H2 | B | R | R1 | T | C | Reference | Nominal dia. of applicable rope (Reference) | ||
| Calculated mass kg | Wire rope (6×24) | Manila rope | Nylon rope | ||||||||||||
| 400 | 400 | 780 | 570 | 300 | 680 | 460 | 350 | 150 | 210 | 35 | 65 | 210 | 50-60 | 30 | 80 |
| 500 | 500 | 940 | 690 | 400 | 840 | 580 | 400 | 200 | 240 | 40 | 70 | 340 | 62-73 | 40 | 90 |
| 600 | 600 | 1100 | 910 | 450 | 950 | 655 | 450 | 225 | 270 | 45 | 75 | 490 | 76-92 | 50 | 100 |
| 700 | 700 | 1260 | 930 | 500 | 1060 | 730 | 500 | 250 | 300 | 50 | 80 | 660 | 95-114 | 60 | 110 |
| 800 | 800 | 1420 | 1050 | 600 | 1220 | 850 | 550 | 300 | 330 | 55 | 85 | 880 | 117-132 | 70 | 120 |

Drawing of JIS F 2030 A Casting Steel Single Point Mooring Chock Bulwark Mounted Ship Towing Equipment
