Φ64mm Electric Hydraulic Windlass Mooring Winch Single Gypsy Single Drum
Description
Φ64 Electric Hydraulic windlass
Material: Mild Steel, Casting
Power: Electric Hydraulic,
Classification Certificates:CCS, NK, BV, ABS, DNV-GL, LR, KR, BKI, IRS, RS, Etc.
Built as per Classification Rules for sea-going ships.
It is a machinery installed on the deck that uses a marine motor to drive an oil pump, a high-pressure oil to drive a hydraulic motor, and a gear box to drive the transmission gear, anchor, sprocket, and axle for anchoring or mooring operations. Its structure is relatively compact, small in size, and cost-effective.
Main Technical Specifications:
1. Anchor chain diameter: Φ64mm
2. Rated tension: 175kN
3. Working speed: 9m/min
4. Tether load: 135kN
5. Support load: 982kN
6. Motor power: 55KW
7. Tethering speed: 9m/min
8. Number of anchor sprocket wheels: double anchor
9. Delivery time: 30 days
10. Warranty period: one year after delivery
11. Color: customer specified
12. Power supply: AC single-phase 110V, 220V, 240V AC three-phase 220V, 380V, 440V, 660V
13. Composition: Mainly composed of hydraulic motor, hydraulic oil pump, manual proportional valve, overflow valve, safety valve, base, wall bracket, anchor chain wheel, clutch, brake, cable winch, reducer, electrical control box, double anchor It is composed of brakes, double rollers, etc.
Precautions for installation and maintenance:
1. We sincerely invite the shipowner to personally inspect the entire process and performance of the Φ64 hydraulic windlass, and the windlass will be packaged and shipped after the windlass is confirmed to be qualified. The operator must master it all!
2. The installation of the Φ64 windlass on the ship should ensure that the wrap angle between the anchor chain and the sprocket is 117-120 degrees.
3. It should be ensured that the three elements (hawse pipe, chain brake, and gypsy) are in a line when the anchor chain is led out.
4. The Φ64 windlass should be able to work continuously for 30 minutes under the rated tension and rated speed, and should be able to work continuously for 2 minutes under the action of an overload tension of not less than 1.5 times the rated tension; in addition, the windlass should also be equipped with overload protection devices, overload It can be turned to medium-speed operation.
5. Carry out technical training for operators according to the requirements of the shipyard and shipowner! The engine, hull, and electrical personnel should be commissioned according to the instructions!
6. The Φ64 windlass should be able to rotate smoothly and backwards and require smooth and rapid switching.
Main Technical Parameters:
| Chain Diameter (mm) | Rated Load (KN AM2) | Overload Load (KN AM2) | Holding Load (KN AM2) | Speed of anchorage (m/min) | Rated Load | Winch speed (m/min) | Power (kw) | |
| Electric | Hydraulic | |||||||
| 17.5 | 13.0 | 19.5 | 81 | ≥9m | 10 | ≥9m | 4.3/1.7 | 5.5 |
| 19 | 15.3 | 23.0 | 95 | ≥9m | 10 | ≥9m | 6/2.5 | 5.5 |
| 20.5 | 17.9 | 26.9 | 110 | ≥9m | 15 | ≥9m | 6/2.5 | 7.5 |
| 22 | 20.6 | 30.9 | 126 | ≥9m | 15 | ≥9m | 6/2.5 | 7.5 |
| 26 | 28.7 | 43.0 | 175 | ≥9m | 20 | ≥10m | 8.5/3.5 | 11 |
| 28 | 33.3 | 49.9 | 202 | ≥9m | 25 | ≥10m | 11/11/7.5 | 15 |
| 30 | 38.3 | 57.5 | 231 | ≥9m | 30 | ≥10m | 11/11/7.5 | 15 |
| 32 | 43.5 | 65.3 | 262 | ≥9m | 35 | ≥10m | 12/3.5 | 18.5 |
| 34 | 49.1 | 73.6 | 295 | ≥9m | 40 | ≥12m | 16/16/11 | 22 |
| 36 | 55.1 | 82.6 | 329 | ≥9m | 45 | ≥12m | 18/5 | 30 |
| 38 | 61.3 | 91.9 | 365 | ≥9m | 50 | ≥12m | 22/22/16 | 30 |
| 40 | 68.0 | 102.0 | 403 | ≥9m | 60 | ≥12m | 22/22/16 | 30 |
| 42 | 74.5 | 111.7 | 442 | ≥9m | 65 | ≥12m | 22/22/16 | 30 |
| 44 | 82.3 | 123.5 | 486 | ≥9m | 70 | ≥12m | 30/30/22 | 37 |
| 46 | 89.9 | 134.9 | 527 | ≥9m | 75 | ≥12m | 30/30/22 | 37 |
| Dia. of anchor chain | Working load (KN) | Overload (KN) | Holding load (KN) | Nominal speed (m/min) | Drum load (KN) | Nominal speed (m/min) | Drum Rope capacity(m) | Warping load(KN) | |||
| AW2 | AW3 | AW2 | AW3 | AW2 | AW3 | ||||||
| 46 | 89.9 | 100.5 | 134.9 | 150.8 | 526 | 753 | 9 | 60 | 10 | Φ22×200 | 50 |
| 50 | 106.3 | 118.8 | 159.5 | 178.2 | 617 | 882 | 9 | 70 | 15 | Φ24×180 | 50 |
| 60 | 153.0 | 171.0 | 229.5 | 256.5 | 870 | 1245 | 9 | 100 | 9 | Φ28×150 | 80 |
| 66 | 185.1 | 206.9 | 277.7 | 310.4 | 1040 | 1488 | 9 | 100 | 12 | Φ28×160 | 100 |
| 70 | 208.3 | 232.8 | 312.5 | 349.2 | 1160 | 1660 | 9 | 100 | 15 | Φ28×170 | 100 |
| 78 | 258.6 | 289.0 | 387.9 | 433.5 | 1416 | 2026 | 9 | 100 | 18 | Φ32×200 | 125 |

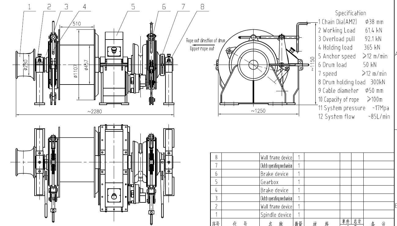
Drawing of Double Gypsy Single Drum Electric Hydraulic Windlass Mooring Winch Ship Deck Equipment
