15kg steel rails are suitable for light or small mine railways due to their moderate weight, especially in mining areas with light loads and low transportation demand.In some mining areas where it is narrow or difficult to lay large railway systems, 15kg rails can be laid more flexibly, saving space and reducing construction costs.
Regarding the main uses of light rail, light rail is mainly used to lay temporary transportation lines and light locomotive lines in forest areas, mining areas, factories and construction sites, usually with a length of 5-12 meters.
15kg mining steel rails are mainly used in mining railway systems that carry light loads. It is light in weight and moderate in size, suitable for small mining areas, mines and other environments. It has good performance in durability, impact resistance and corrosion resistance, and can ensure safe and efficient transportation of materials and personnel in mines.
Light Steel Rail 15kg
| Parameters | |||
| type | weight (kg/m) | material | length (m) |
| 15kg | 15.20 | Q235/55Q | 6-8m |
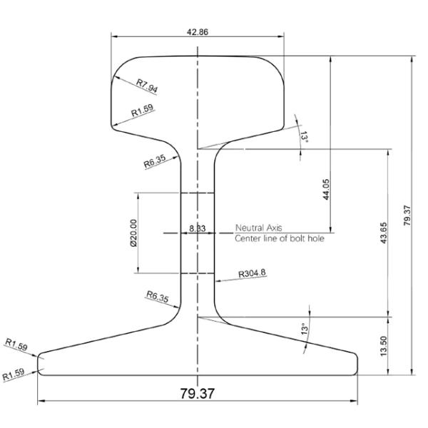
| rail height (mm) | bottom width (mm) | head width (mm) | web thinkness (mm) |
| 79.37 | 79.37 | 42.86 | 8.33 |




GNEE (Tianjin) Multinational Trade Co., Ltd.
Since our company was founded in 2008, we have actively responded to the call for global green development. We are committed to promoting environmentally friendly rail products and reducing energy consumption and environmental pollution in the production process of rails. At the same time, we also actively participate in public welfare undertakings and contribute our own strength to building a harmonious society.

1. How to provide after-sales service?
We provide comprehensive after-sales service, including but not limited to:
Product quality assurance: If there is any quality problem with the product, we will be responsible for replacement or return.
Technical support: Provide technical support and consultation on rail laying, maintenance, etc.
Transportation tracking: Provide real-time information on the transportation process so that customers can keep track of the status of the goods at any time.
2. Do you support sample provision?
Yes, we can provide small batches of samples for customers to test and verify. Sample costs and transportation costs can be negotiated based on specific circumstances.
3. Does your company provide long-term cooperation agreements or bulk purchase discounts?
We welcome long-term cooperation. For bulk orders or long-term customers, we provide preferential bulk purchase prices. The specific discount will be negotiated based on factors such as order volume and cooperation period.
4. How to contact your sales team?
You can contact us directly through the online chat tool on our website.
We also keep in touch with customers through major social media platforms, you can follow us to get the latest updates.
