50kg national standard steel rails are railway track rails designed and manufactured according to national standards, with an accurate weight of 50 kilograms per meter.
In China, steel rails are classified according to their weight per meter. Steel rails with a weight of 50kg/m or more are called heavy rails and are suitable for railway lines that can withstand large loads.
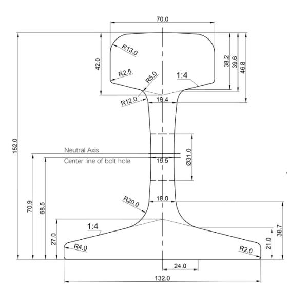
Main dimensions and parameters
GB 50kg Train Steel Rail
| Parameters | |||
| type | weight (kg/m) | material | length (m) |
| 50kg | 51.514 | 50Mn/U71Mn | 12m/12.5m |
| rail height (mm) | bottom width (mm) | head width (mm) | web thickness (mm) |
| 152 | 132 | 70 | 15.5 |



Rail head: with a width of 70 millimeters, it provides the main contact and bearing surface for the wheels.
Rail waist: with a thickness of 15.5 millimeters, it connects the rail head and rail bottom and mainly bears the bending stress of the steel rail.
Rail base: with a width of 132 millimeters, it contacts the rail sleeper or track bed and transfers the load borne by the rail to the rail sleeper and track bed.
Rail height: The vertical distance from the bottom of the rail to the top of the rail head is 152 millimeters, which determines the vertical bearing capacity of the rail and its fit with the wheels.
Length dimension:
Standard track: There are two lengths, 12.5 meters and 25 meters, suitable for laying most straight and curved tracks with larger radii.
Shortened track: When used for laying under curved tracks, there are various lengths such as 12.46 meters, 12.42 meters, 12.38 meters (12.5 meters shortened track), and 24.96 meters, 24.92 meters, 24.84 meters (25 meters shortened track) to meet the laying requirements of curved tracks.

Q:What surface treatments do you have for your rails?
A:We offer different surface treatment options, including heat treatment, galvanizing, etc., to increase the wear resistance and corrosion resistance of the rails.
Q:What climate conditions are your rails suitable for?
A:Our rails are suitable for a variety of climate conditions, from cold polar regions to tropical regions, ensuring good performance.
Q:Can your rails be customized?
A;Yes, we provide customization services and can produce rails of different lengths, specifications and materials according to customers' specific requirements.
Q:What is the delivery time?
A:The delivery time for standard rails is usually 4-6 weeks, and the specific delivery time depends on the quantity of the order and the production schedule.