Pallet rack roll forming machine
Product Descriptions
Pallet Rack Roll Forming Machine is consisted with auto-de-coiler, guide frame, lever/feeding section, continuous bottom hole punching section, forming section, positioning and cutting section, collection table and electrical control system etc. According to market demand by the collection year production cold rolling equipment experience independently designs a series or products.
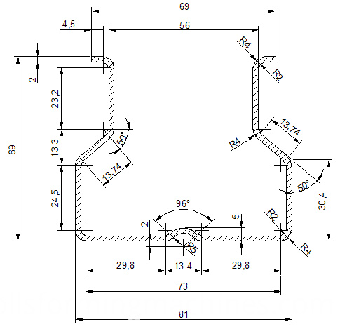
Version to design

Working flow
Decoiler --- Guiding --- Straightening --- Punching--- Levelling--- Roll Forming ---- Cutting ---- Run out table

Technical parameters
1. Suitable Plate Material: thickness 1.5-2.0mm, Galvanized steel or blank steel
2. Working Speed: 12-15 meters / min
3. Forming Steps: 18 stations
4. Material of Roller: Gcr15, Quench HRC58-62 Plated Chrome
5. Material of Shaft: 45# Advanced Steel (Diameter: 76mm), thermal refining
6. Driven system: Chain Driven 1.5 inches 20A
7. Main Power with reducer: 11KW WH Chinese Famous
8. Cutting: Hydraulic Cutting Cr12mov
9. Material of Cutting Knife: Cr12Mov, Quench HRC58-62
10. Hydraulic Station Power: 7.5KW
13. Touch Screen: Panasonic Japan
14. Encoder: Omron, Japan
15. Electric parts: Schneider
Machine components
| Decoiler (manual and automatic for options) | 1 set |
| Guiding device | 1 set |
| Leveling system | 1 set |
| Punching system | 1 set |
| Roll Forming system | 1 set |
| Hydraulic Cutting system | 1 set |
| PLC control box | 1 set |
| Hydraulic unit | 1 set |
| Run outs tables | 1 set |
Machine Pictures


Application pictures
Pallet racking is the most popular, economical and safe option in all
warehouse racking. In view to the sales situation of domestic Chinese market of HOT RACKING, pallet racking sells the best, the same to the abroad
market. Pallet racking is used for storing pallet packed products, by forklift
