High Precision Taper Roller Bearing L102849 L102810 Tapered Roller Bearing
Product Description
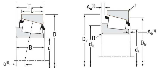
| Bearing NO. | Taper Roller Bearing L102849/L102810 |
| d | 44.45MM |
| D | 73.025MM |
| T | 18.258MM |
| Mass | 0.29kg |
Single row tapered roller bearings:
Inner diameter range: 20mm ~ 1270mm
Diameter size range: 40mm ~ 1465mm
Width range: 15mm ~ 240mm
Double row tapered roller bearings:
Inner diameter range: 38mm ~ 1560mm
Diameter size range: 70mm ~ 1800mm
Width range: 50mm ~ 460mm
Four-row tapered roller bearings:
Inner diameter range: 130mm ~ 1600mm
Diameter size range: 200mm ~ 2000mm
Width range: 150mm ~ 1150mm
The Drawing

1..Bearing Specifications :
The design of tapered roller bearings suites for the perception of combined (radial and axial) loads. Tapered roller bearings have a split construction: the inner ring with the rollers and separator create the unit, that can be mounted separately from the outer ring.
These bearings have tapered inner and outer ring raceways between which tapered rollers are arranged. Their design makes them suitable for the accommodation of radial and axial loads. Benefits include increased operational reliability, as well as reduced sensitivity to misalignment.
2.Application of Bearing :
This is the most basic and most widely used type of tapered roller bearing. It consists of two main separable parts: the cone (inner ring) assembly and the cup (outer ring). It is typically mounted in opposing pairs on a shaft.
offers the most extensive line of tapered roller bearings in the world. Tapered roller bearings consist of four interdependent components: the cone (inner ring), the cup (outer ring), the tapered rollers (rolling elements) and the cage (roller retainer). Tapered roller bearings are uniquely designed to manage both thrust and radial loads between a rotating and non-rotating member. The steeper the cup angle, the greater the ability of the bearing to handle thrust loads
3.Bearing Features :
Taper roller bearing has tapered inner and outer ring raceways between which tapered rollers are arranged. If extended, the tapered surfaces converge towards a single point on the bearing axis. This means the rolling conditions are at an optimum. Their design makes taper roller bearings particularly suitable for the accommodation of combined (radial and axial )loads. The axial load carrying capacity of the bearings is largely determined by the contact angle, which corresponds to the angle of the outer ring raceways. The larger this angle, the larger the axial load carrying capacity. Taper roller bearings are generally of separable design, I .e.the inner ring with roller and cage assembly forms a unit which can be mounted separately from the outer ring.KKK bearings come with the assurance of proven performance.KKK taper roller bearings made from Bearing Steel SAE 52100 which is top quality grade for the maximum life span of bearings are manufactured within international quality parameters with advanced machinery.