Overview
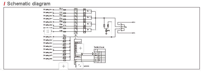
High reliability With DC FUSE
With DC Surge Protection Device
With DC Circuit breaker or DC load isolation switch.
Strong adaptability
IP65 design, waterproof, anti dust and anti ultraviolet. Strict test for high and low temperature, used widely.
The simple installation, the simplified system wiring, the convenient wiring. The box body is made of cold rolled steel and other metal materials.
Flexible configuration
Used for single crystal silicon solar modules, polycrystalline silicon solar modules, thin film solar modules. Current rating of the photovoltaic fuse, circuit breaker, load isolation
Description
GYPV/8-1 PV combiner box bus synthetic DC input of 8 PV components to 1 output. Each channel is with a fuse. Output side is equipped with lightning protection and circuit breaker. It greatly simplify input wiring of DC power distribution cabinet and inverter. Realize lightning protection, short circuit protection and grounding protection. PV combiner box divided into two types: intelligent box and non-intelligent box. Intelligent PV combiner box is equipped with monitoring unit, then detect input current of each string, detect inside temperature, detect lightning protection status, detect circuit breaker status and summarize output voltage and so on.
Design and configuration strictly accordance with the “Technical specification for photovoltaic junction equipment” CGC/GF 037:2014. Provide users with a safe, brief, beautiful and applicable photovoltaic system products.
The product adopts outdoor wall mounted type, which adapt to the harsh environment. In addition to the core components, the other can be customized by user requirements.

| Electric parameter | |
| System maximum dc voltage | 1000 |
| Maximum input current for each string | 15A |
| Maximum input strings | 8 |
| Maximum output switch current | 125A |
| Number of inverter MPPT | 1 |
| Number of output strings | 1 |
| Lightning protection | |
| Category of test | II Grade protection |
| Nominal discharge current | 20kA |
| Maximum discharge current | 40kA |
| Voltage protection level | 3.8kV |
| Maximum continuous operating voltage Uc | 1050V |
| Poles | 3P |
| Structure characteristic | Plug-push module |
| System | |
| Protection grade | IP65 |
| Output switch | DC isolation switch (standard)/DC circuit breaker(optional) |
| MC4R waterproof connectors | Standard |
| PV DC fuse | Standard |
| PV surge protector | Standard |
| Monitoring module | Optional |
| Preventing diode | Optional |
| Box material | PVC |
| Installation method | Wall mounting type |
| Operating Temperature | -25.C ~+55.C |
| Elevation of temperature | 2km |
| Permissible relative humidity | 0-95%, no condensation |
| Mechanical parameter | |
| Width x High x Depth(mm) | 500 x 400 x190 |
