High Temperature Resistant Fluoride Sealing,Fkm Viton Pneumatic Cylinder Two Way Piston Seal ,Psd20 14 2.2,Sakagami Psd
1. Product Description:
PSD sealing are usually used in pneumatic piston, Two way seal,double-acting pistons,Prevents metallic contact between the piston and cylinder,Smooth running due to optimum lubricant-retaining sealing lip geometry.

2.Product Characteristic:
● Small cross -section design: It has a small cross -sectional size, which enables it to adapt to the installation environment with limited space, especially suitable for small equipment or higher space requirements. For example, in some precision instruments and small pneumatic tools, the small section characteristics of PSD sealing parts can meet the needs of its compact design.
● Good sealing performance: It can effectively prevent gas or liquid leaks, maintain stability of the system, and ensure the normal operation of the equipment. Whether it is static sealing or dynamic sealing conditions, it can play a reliable sealing effect. For example, between the piston of the cylinder and the cylinder, the PSD sealing part can prevent the gas from leaking from the gap between the piston and the cylinder.
● Abrasion resistance: During the work, the sealing parts will produce friction with other components. The PSD sealing parts have better abrasion resistance and can withstand long friction without being easily damaged, thereby ensuring the longer service life. This is particularly important for frequent motor atmosphere, which can reduce the replacement frequency of sealing and reduce maintenance costs.
● Temperature resistance: It can maintain good performance within a certain temperature range and meet the temperature requirements of different working environments. Whether in high temperature and low temperature environment, the stability of its sealing function and physical properties can be maintained.
3.Product Application:
| Operating pressure | ≤ 16 bar |
| Operating temperature | -30 °C to +200 °C |
| Sliding speed | ≤0.5M/S |
| Media | Compressed air, both lubricated and oil free (after greasing for fitting) |


4.Commonly Used Material:
| Material: | Temperature: |
| NBR | -40 to 100 ℃ |
| FKM | -30 to 200 ℃ |
| FFKM | -20 to 320 ℃ |
| HNBR | -40 to 150 ℃ |
| AFLAS | -30 to 175 ℃ |
| VMQ/SILICON | -70 to 220 ℃ |
| FVMQ | -60 to 175 ℃ |
| EPDM | -50 to 150 ℃ |
| CR | -40 to 120 ℃ |
| SBR | -40 to 110 ℃ |
| PU | -40 to 90 ℃ |
| PTFE | -100 to 280 ℃ |
| IIR | -20 to 120 ℃ |
| ACR | -25 to 150 ℃ |
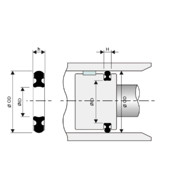
5.Product specification:

| ITEM | OD | ID | h | H |
| PSD-012 | 12 | 7.4 | 1.6 | 1.8 |
| PSD-016 | 16 | 11.4 | 1.6 | 1.8 |
| PSD-020 | 20 | 14 | 2.2 | 2.4 |
| PSD-025 | 25 | 17 | 3.0 | 3.2 |
| PSD-030 | 30 | 22 | 3.0 | 3.2 |
| PSD-032 | 32 | 24 | 3.0 | 3.2 |
| PSD-040 | 40 | 32 | 3.0 | 3.2 |
| PSD-050 | 50 | 40 | 3.8 | 4.0 |
| PSD-063 | 63 | 53 | 3.8 | 4.0 |
| PSD-080 | 80 | 65 | 5.6 | 6.0 |
| PSD-100 | 100 | 85 | 5.6 | 6.0 |
| PSD-125 | 125 | 110 | 5.6 | 6.0 |



6.Installation:
The profile PSD pneumatic cylinder seals can be easily mounted by pulling them over