H2310 H2310RS H2310J2Q H2310ZZ P0 P6 P5 P3 P4 P2 Quality LEVEL CHROME STEEL Spherical Roller Bearings
Product introduction
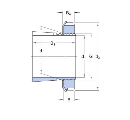
Adapter sleeves are the most commonly used components for locating bearings with a tapered bore onto a cylindrical seat as they can be used on plain shafts or stepped shafts.
They are easy to install and require no additional location on the shaft. When used on plain shafts, the bearing can be located at any position on the shaft. When used on stepped shafts together with an L-shaped spacer ring,
the bearing can be accurately positioned axially, thereby facilitating bearing mounting and dismounting.

| d1 | 45 mm | Bore diameter |
|---|---|---|
| d | 50 mm | Outside diameter small taper |
| d3 | 70 mm | Outside diameter lock nut |
| B1 | 55 mm | Width |
| B | 11 mm | Width lock nut |
| B4 | 12 mm | Width lock nut including lock washer |
| G | M50x1.5 | Thread |
| 1:12 | External taper |
| d1 | 45 mm | Bore diameter |
|---|---|---|
| d | 50 mm | Outside diameter small taper |
| d3 | 70 mm | Outside diameter lock nut |
| B1 | 55 mm | Width |
| B | 11 mm | Width lock nut |
| B4 | 12 mm | Width lock nut including lock washer |
| G | M50x1.5 | Thread |
| 1:12 | External taper |
Mix and match, forge brilliant
| 11749/11710 | NUP206E | NUP309=180 | NUP2212=220 | 6305 | NUP308 | NUP308=140 | 30314D=250 |
| NUP2310 | 15578 | NUP309 | NUP206=100 | NUP2211=250 | 30309D=110 | T7FC055=300 | NUP308=140 |
| NUP309 | NUP2206 | NUP206 | NUP2208=210 | NUP207 | NUP207/NUP306 | NUP309 | T7FC065 |
| T7FC055 | NUP2207 | 6305M | NUP307=110 | NUP307 | 30309D | 30312D | NUP207 |
| T7FC055 | NUP2207 | 4T-30307 | 30312 | NUP307 | 30312D | 30314D | |
| 32207 | NUP207=120 | NUP306 | 30312D | NUP2208 | NUP2209 | 30312D | |
| 32205 | NUP2209=160 | NUP307 | 30312D | NUP2211 | NUP2209 | 6008 | |
| T7FC060 | NUP2207=140 | HMK3525+IR | NUP310 | NUP308 | NUP2209 | NUP307 | |
| NUP207 | NUP2206=130 | 30309D | NUP308 | NUP309 | NUP2212 | 30311D | |
| 6213 | NUP309=180 | 30210 | NUP306 | NUP309 | NUP2212 | T7FC055 | |
| NUP308 | NUP309=180 | 30210 | NUP307 | NUP2212 | NUP2211 | NIP2310 | |
| NUP309 | NUP310 | 30311D | NUP205E | 30312D=155 | 30312D=155 | NUP208E |
Picture Show




FAQ
Q1: I want to buy your products, how can I pay?
A :You can pay via T/T , L/C , WEST UNION , ESCROW , PAYPAL , ETC. Especially ESCROW, which is guaranteed by Alibaba.com. It is safe and effective.
Q2: How can you guarantee the quality?
A: If you meet with quality problem, we promise to replace goods or return your funds.
Q3: If we don’t find what we want on your website, what should we do?
A: You can email us the descriptions and pictures of the products you need, we will check whether we have them. We develop new items every month, and some of them have not been uploaded to website in time. Or you can send us sample by express, we will develop this item for bulk purchasing.
Q4: Can we buy 1 pc of each item for quality testing?
A: Yes, we are glad to send 1pc for quality testing if we have the item you need in stock.
Why choose us?
1. Let’s talk—we have NO barrier in language
2. Request for more item information---there are nearly 2000 products for your option!
3. Write us for quotation---reply you within 24 hours,one quotation could be ready in 2mins for a ready product