Single Row Cylindrical Roller Bearing Straight Bore Removable Outer Ring N208E
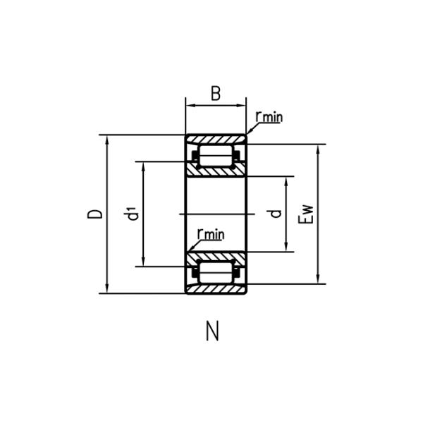
Single row cylindrical roller bearing, N design
A single-row cylindrical roller bearing consists of a solid inner and outer ring with cylindrical rollers in a cage. This cage prevents contact between the cylinder rollers, so this bearing type can support higher speeds than full-complement cylinder roller bearings. Also, single-row cylindrical roller bearings with cages are very rigid and they can take high radial forces. As the inner and outer rings of these bearings can be easily disassembled, they are very easy to install.
Applications:
Single Row Cylindrical Roller Bearing with Straight Bore and Removable Outer Ring N Design Specifications:
| Bearing Code | Dimensions | Mass | Basic Load Ratings | Limiting speed | |||||||
| d | D | B | rsmin | d1 | D1 | Fw, Ew | dynamic | static | |||
| Cr | Cor | ||||||||||
| mm | kg | KN | rpm | ||||||||
| N203E | 17 | 40 | 12 | 0.6 | 25 | — | 35.1 | 0.068 | 17.6 | 14.6 | 18000 |
| N204E | 20 | 47 | 14 | 1 | 29.7 | — | 41.5 | 0.112 | 27.5 | 24.5 | 16000 |
| N205E | 25 | 52 | 15 | 1 | 34.7 | — | 46.5 | 0.135 | 29 | 27.5 | 15000 |
| N206E | 30 | 62 | 16 | 1 | 41.2 | — | 55.5 | 0.205 | 39 | 37.5 | 12000 |
| N207E | 35 | 72 | 17 | 1.1 | 41.8 | — | 64 | 0.301 | 50 | 50 | 10000 |
| N208E | 40 | 80 | 18 | 1.1 | 54 | — | 71.5 | 0.358 | 53 | 53 | 9000 |
| N209E | 45 | 85 | 19 | 1.1 | 59 | — | 76.5 | 0.434 | 61 | 63 | 8500 |
| N210E | 50 | 90 | 20 | 1.1 | 64 | — | 81.5 | 0.488 | 64 | 68 | 8000 |
| N211E | 55 | 100 | 21 | 1.5 | 70.8 | — | 90 | 0.668 | 83 | 95 | 7000 |
| N212E | 60 | 110 | 22 | 1.5 | 77.5 | — | 100 | 0.827 | 95 | 1.4 | 6300 |
| N213E | 65 | 120 | 23 | 1.5 | 84.4 | — | 108.5 | 1.05 | 108 | 120 | 6000 |
| N214E | 70 | 125 | 24 | 1.5 | 89.4 | — | 113.5 | 1.16 | 120 | 137 | 5300 |
| N215E | 75 | 130 | 25 | 1.5 | 94.3 | — | 118.5 | 1.29 | 132 | 156 | 5300 |
| N216E | 80 | 140 | 26 | 2 | 101 | — | 127.3 | 1.55 | 140 | 170 | 4800 |
| N217E | 85 | 150 | 28 | 2 | 107 | — | 136.5 | 1.92 | 163 | 193 | 4500 |
| N218E | 90 | 160 | 30 | 2 | 114 | — | 145 | 2.37 | 183 | 216 | 4300 |
| N219E | 95 | 170 | 32 | 2.1 | 120 | — | 154.5 | 2.89 | 220 | 265 | 3800 |
| N220E | 100 | 180 | 34 | 2.1 | 127 | — | 163 | 3.5 | 250 | 3.5 | 3800 |
| N221E | 105 | 190 | 36 | 2.1 | 134 | — | 173 | 4.63 | 260 | 320 | 5600 |
| N222E | 110 | 200 | 38 | 2.1 | 141 | — | 180.5 | 6.87 | 290 | 365 | 3400 |
| N224E | 120 | 215 | 40 | 2.1 | 153 | — | 195.5 | 5.67 | 335 | 415 | 3200 |
| N226E | 130 | 230 | 40 | 3 | 164 | — | 209.5 | 6.51 | 360 | 450 | 3000 |
| N232E | 160 | 290 | 48 | 3 | 206 | — | 259 | 14.6 | 500 | 670 | 4300 |




