Gigabit Ethernet RJ45 Integrated Magnetic Connector 1X2 2 Port
Description:
Part Number:KRJ-2542QNL
Mechanical:(Unit:mm)



.XX Tolerance:+/-0.25
.XXX Tolerance:+/-0.13
Material specifications:
Electrical Specifications at 25℃:
.Insertion Loss:1-100MHZ -1.0dBmax:
.Rturn Loss:1-30MHZ -16.0dBmin
30-60MHZ -14.0dBmin
60-80MHZ -10.0dBmin
.Cross Talk:1-30MHZ -40.0dBmin
30-60MHZ -35.0dBmin
60-80MHZ -30.0dBmin
.CMR:1-100MHZ -35dBmin
.Hi-pot:1500v AC 6S 1mA
.Turn Ratio:1CT:1CT±3%
.OCL:350uH @100KHZ 100Mv 8mA DC
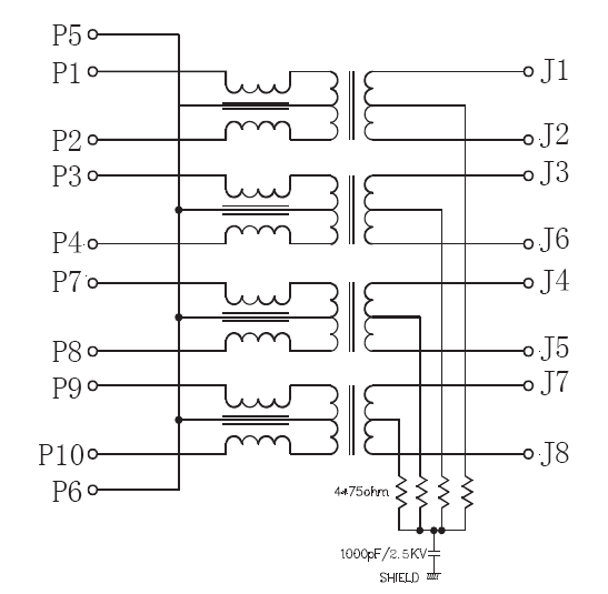
Schematic:

Applications:
Integrated RJ45 connector main used to :
• 10/100/1000M net card,PCMCIA net card,USB Hub,network switch,router,fiber optic transceivers,optical
transceiver,IP phone, internet set-top box,internet camera,net bridge,computer,telecommunication,MODEM,
HomePNA,DSL/ADSL and so on.
Competitive Advantage:
Keyouda has various types of appearance and many kinds of internal schematic products,high quality,
customer firstly ,100% test, 0 defect, short lead time are our best advantages