1. LPJK0036AWNL Pin To Pin 0826-1G1T-43-F
2. Low Profile Gigabit Rj45 Modular Jack
3. Documents Available : PDF / 3D / Step / IGS / Price / Cross
4. Samples : Free available

| LINK-PP Part Number | 0826-1G1T-43-F |
| Application-Lan | ETHERNET(NoN PoE) |
| AutomDX | YES |
| Bst Circuit | YES |
| Configuration RX | T,C |
| Configuration TX | T,C |
| Contact Mating Area Plating | GOLD 6u"/15u"/30u" |
| Cores per Port | 8 |
| Diodes | NO DIODES |
| LED Option | Green/Green LED |
| Shielding | Shielded, EMI Finger |
| Mounting Type | Through Hole |
| Orientation | 90° Angle (Right) |
| Latch | TAB UP |
| Number of Ports | 1X1 |
| PCB | FR4 |
| PCB Mount Angle | SIDE ENTRY |
| Contact Material | Copper Alloy |
| PCB Retaining Post | T POST |
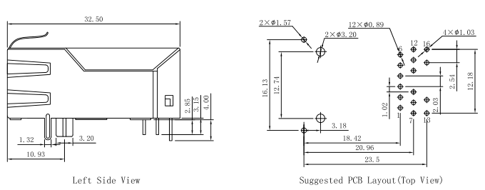
| Package Height (Inches) | 0.531 |
| Package Height (mm) | 13.5 |
| Package Length (Inches) | 1.28 |
| Package Length (mm) | 32.5 |
| Package Width (Inches) | 0.654 |
| Package Width (mm) | 16.6 |
| Pin Type | THT SOLDER |
| RoHS Compliant | YES-RoHS-5 WITH LEAD IN SOLDER EXEMPTION |
| Search | YES |
| Shield EMI Tabs | WITH |
| Speed | 10/100/1000 BASE-T, AutoMDIX |
| Temperature | 0 TO 70℃ |
| Turns Ratio RX | 1CT:1CT |
| Turns Ratio TX | 1CT:1CT |