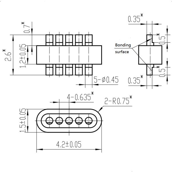
Specification of JMC-1279-JH:
| Product Name | Hermetic Multi-pin Header |
| Impedance | DC |
| Type | 5 pin |
| Rows | 1 row |
| Color | Gold plated |
| Housing and pin material | Kovar 4J29 |
| Glass material Glass Color | 7050 or 7070 type or DM308 Green or White |
| Freqecncy Range | / |
| VSWR | / |
| Withstand Voltage | ≥100V |
| Hermecity Leak Rate | < 1.01325 X 10-3 Pa*cm3/s < 1X 10-9 mbar*l/s < 1 x 10-9 ccHe/sec @ 1 atm |
| Insulation Resistance | ≥1000MΩ |
| Operating temperature | -65℃~+260℃ |
Introduction
Hermetic Glass to Metal Seals RF/DC Feedthroughs /Multi-pin Headers /Connector is also called Glass insulator. They are mainly used to transmit microwave signals, power signals and control signals between modules and modules, modules and components with gas sealing requirements. They are one of the most critical components in sealing components.
The glass with low dielectric constant and low dielectric loss is used as insulating and supporting material. The housing and conductor is made of Kovar alloy that sintered under high temperature, and the surface is gold plated. The center conductor has a variety of termination styles such as gold wire bonding, soldering and mating etc. Glass insulators are small, lightweight, hermetic, high reliable and have been widespread in electronics manufacturing industries in recent years.

Features:
-Small size
-lightweight
-Hermetic
-Stable quality and high reliability
-Inner conductor: Gold wire bonding, soldering and mating method for choice
Application:
Wide application range of electronics packages, electronics countermeasures, satellites, missiles, radar and other in military, avionics, aerospace and automotive filed. It can be used with SMA, millimeter wave products.
Product List:
| 50Ω RF Single-pin JM Series | Soldering Mating and Bonding choice |
| 50Ω RF Single-pin JM Standard Series | Soldering Mating and Bonding choice |
| 50Ω RF Single-pin JM Non-Standard Series | Soldering Mating and Bonding choice |
| DC Single-pin JK Series | Soldering and Bonding choice |
| DC Single-pin JK Standard Series | Soldering and Bonding choice |
| DC Single-pin JK Non-Standard Series | Soldering and Nail Head Bonding choice |
| Multi-pin Header JMC Series | 1-9 pins with 1-3 rows choice |
| Custom dimensions | Wide range |

NOTE:
We have over 100,000 types of Hermetic Glass To Metal Seal Connectors, if the connector you are using is not found, please contact us with your details.